Friday, September 29th, 2017 AT 9:54 PM
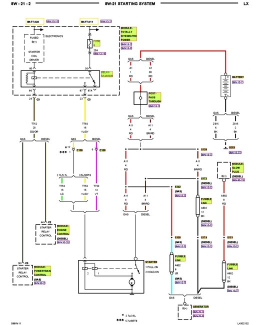
I replaced the starter and the O2 sensors. The battery was disconnected for about three hours. Now the engine will not turn over. It is not locked up and all of the electrical is good. All of the lights and everything works. What can it be?




