Lights are on but engine won't crank

Tiny
LADYB2011
  • MEMBER
  • 2008 DODGE CHARGER
  • 62,000 MILES
My 2008 dodge charger won't come on, panel lights won't work, radio or windows won't work
Saturday, December 17th, 2011 AT 6:47 AM

8 Replies

Tiny
RASMATAZ
  • MECHANIC
  • 75,992 POSTS
What do you mean it won't come on?
Was this
answer
helpful?
Yes
No
Saturday, December 17th, 2011 AT 7:00 AM
Tiny
RIVERMIKERAT
  • MECHANIC
  • 6,110 POSTS
Check the battery. Check the main fusible link. You may have a defective ignition switch. Do the headlights and taillights work? Does the engine turn over? Do the brake lights work?
Was this
answer
helpful?
Yes
No
+5
Saturday, December 17th, 2011 AT 7:01 AM
Tiny
LADYB2011
  • MEMBER
  • 2 POSTS
I have checked the battery. My headlights, tail light come on. The engine make no noise. Nothing come on but the lights
Was this
answer
helpful?
Yes
No
+3
Saturday, December 17th, 2011 AT 7:04 AM
Tiny
RASMATAZ
  • MECHANIC
  • 75,992 POSTS
Earlier you were advised to check main fusible link-go check/test then comeback
Was this
answer
helpful?
Yes
No
Saturday, December 17th, 2011 AT 7:05 AM
Tiny
LADYB2011
  • MEMBER
  • 2 POSTS
Were is the fusible link and how do u test it
Was this
answer
helpful?
Yes
No
+1
Saturday, December 17th, 2011 AT 7:17 AM
Tiny
RIVERMIKERAT
  • MECHANIC
  • 6,110 POSTS
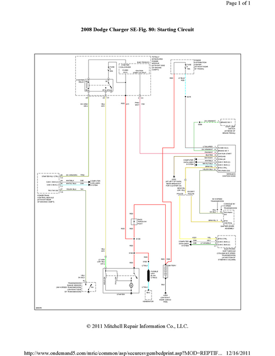
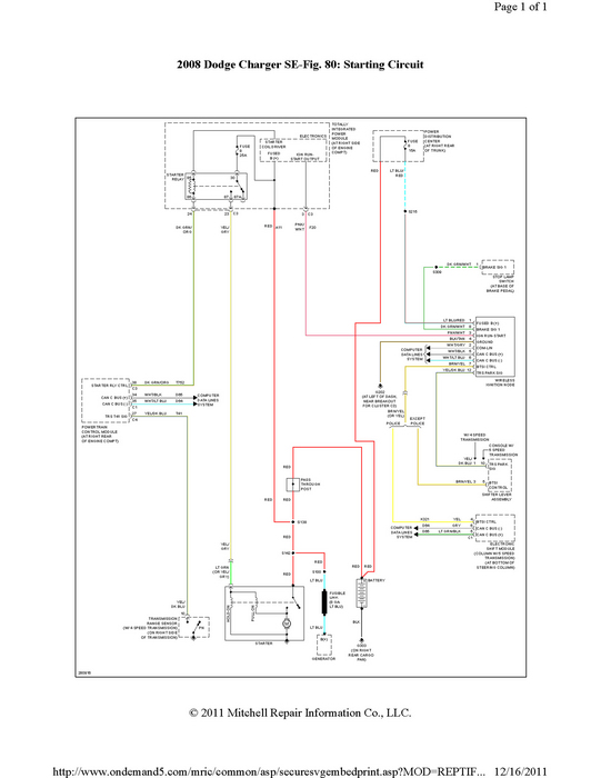
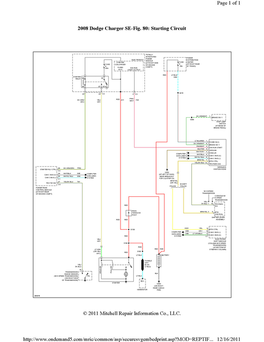
I think it may be the ignition switch. I have attached the schematic to help you check it. I have also attached an image of the main relay box showing the 3 main circuit breakers. One of those may be blown.
Was this
answer
helpful?
Yes
No
+1
Saturday, December 17th, 2011 AT 7:24 AM
Tiny
RASMATAZ
  • MECHANIC
  • 75,992 POSTS
Check at the alternator lite blue color wire
Was this
answer
helpful?
Yes
No
Saturday, December 17th, 2011 AT 7:25 AM
Tiny
RIVERMIKERAT
  • MECHANIC
  • 6,110 POSTS
Also check at the integrated power module. See image.
Was this
answer
helpful?
Yes
No
Saturday, December 17th, 2011 AT 7:32 AM

Please login or register to post a reply.