Coolant temperature sensor?

Tiny
MARIOALBERTOATILANO
  • MEMBER
  • 2 POSTS
It does it when is stopped and also when I am driving it. I’ve seen that the problem is the radiator fans sometimes they turn on and other times they don’t. I changed the cylinder head temperature sensors the fan relays and still having this problem. Took it today to a car electrician he connected the diagnostic computer to see if it show any problems. All week the car gave me issues and today when a took it to him it worked perfectly. So I’ve been looking on the internet and came through a post of a person saying that most cars have 2 temperature sensors and was wondering if my car had two. I also saw that Ford issued a voluntary recall on the 2013 Ford Fusion due to overheating, this was in response to some owner reporting engine overheating but don’t know if it’s true until tomorrow that I call Ford Company.
Was this
answer
helpful?
Yes
No
Saturday, August 29th, 2020 AT 1:00 PM (Merged)
Tiny
KASEKENNY
  • MECHANIC
  • 18,907 POSTS
Okay. Thanks for that information. Depending on what they find with that we clearly need to look into the fans running or not when this starts to overheat. So next time it does this, we need to open the hood and make sure the fans are running. Also, does this seem to happen when the A/C is on or off or does it not matter? If the A/C is on, we need to make sure both fans are on as you should have one for the radiator and the other is for the A/C condenser.

Let me know and we can go from there. Thanks
Was this
answer
helpful?
Yes
No
Saturday, August 29th, 2020 AT 1:00 PM (Merged)
Tiny
SHANNONKAY
  • MEMBER
  • 3 POSTS
  • 2012 FORD FUSION
  • 3.0L
  • 6 CYL
  • 2WD
  • AUTOMATIC
  • 165,000 MILES
I am having trouble locating the coolant temperature sensor in my car. Can you help me? I have searched on the internet and can't seem to find my type of vehicle. Thanks in advance.
Was this
answer
helpful?
Yes
No
Saturday, August 29th, 2020 AT 1:00 PM (Merged)
Tiny
JACOBANDNICKOLAS
  • MECHANIC
  • 110,192 POSTS
Hi,

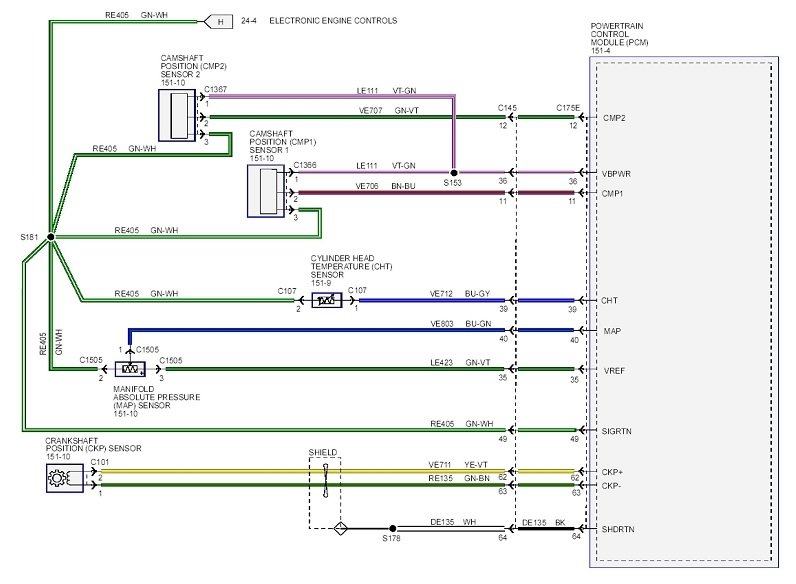
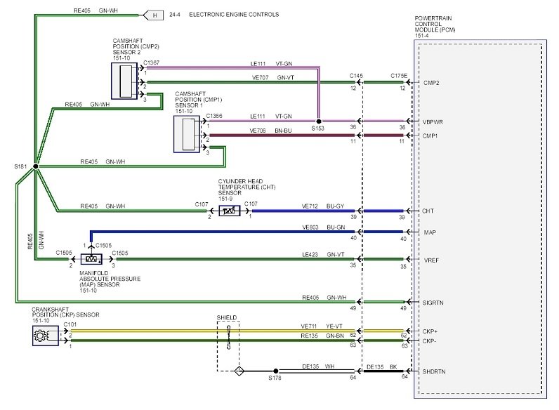
This vehicle has a cylinder head temperature sensor (CHT). The CHT is on the rear of the cylinder head. See the attached pic.

If there is a coolant temperature sensor that is different, it will be located near the thermostat housing.

Let me know if this helps.
Joe
Was this
answer
helpful?
Yes
No
Saturday, August 29th, 2020 AT 1:00 PM (Merged)
Tiny
ASEMASTER6371
  • MECHANIC
  • 52,796 POSTS
Good evening,

I attached the location for you. It is by where the upper hose attaches to the thermostat housing.

https://www.2carpros.com/articles/symptoms-of-a-bad-coolant-temperature-sensor

https://www.2carpros.com/articles/coolant-temperature-sensor-cts-replacement

Why are you replacing it? Is there an issue?

Roy
Was this
answer
helpful?
Yes
No
Saturday, August 29th, 2020 AT 1:00 PM (Merged)
Tiny
CARADIODOC
  • MECHANIC
  • 34,465 POSTS
There is no normal coolant temperature sensor as we normally think of them. Your engine uses a cylinder head temperature sensor.
Was this
answer
helpful?
Yes
No
Saturday, August 29th, 2020 AT 1:00 PM (Merged)
Tiny
SHANNONKAY
  • MEMBER
  • 3 POSTS
The car overheats while the car is stopped, the fan does not kick on and check engine light comes on periodically. We purchase the coolant temperature sensor so figured if they carried it for the year make and model that our car had it.
Was this
answer
helpful?
Yes
No
Saturday, August 29th, 2020 AT 1:00 PM (Merged)
Tiny
JACOBANDNICKOLAS
  • MECHANIC
  • 110,192 POSTS
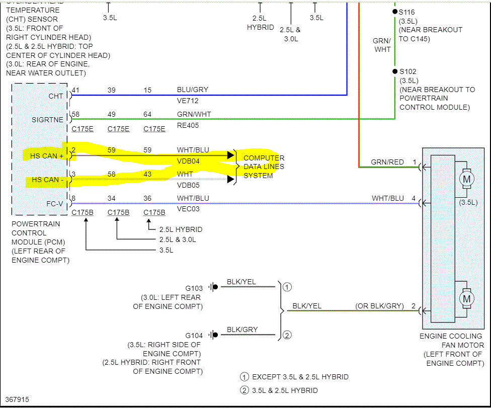
The first thing I suggest is to check fuse 28 in the engine compartment fuse box. If you look at pic 1, I attached a pic of its location. In addition to just checking the fuse, confirm there is power to it. Here is a link that explains how that is done:

https://www.2carpros.com/articles/how-to-check-a-car-fuse

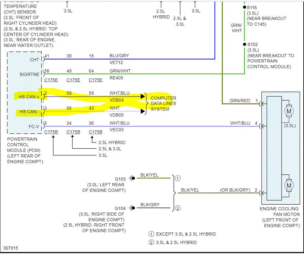
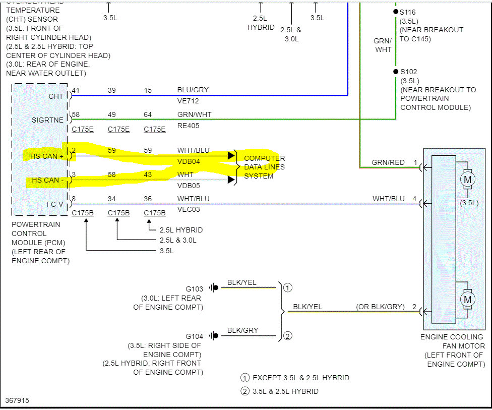
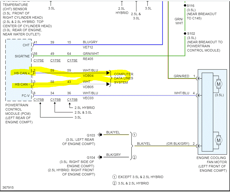
If the fuse checks good, I recommend having the CAN bus system scanned on the vehicle. CAN stands for computer area network. This network is how all the different modules and computer speak together. If you look at pic 3 below, you will see that I highlighted specific CAN wiring that is for the cooling system. Pic 3 shows the fuse and portion of the wiring diagram.

Here is a video of how to scan the CAN bus system and why it is becoming more necessary to do that a traditional OBD2 scan:

https://youtu.be/InIlnsjOVFA

Now, if the CHT sensor is bad, it can be the cause of the fan not to run. Also, the fan motors could be bad. It should turn on when you turn the A/C on, so check that as well. Or, it could be a break down in communication in the CAN bus network.

Lets start with the fuse first. Check that and see if it turns on with the /AC running. Also, remove the fan fuse and see if you can turn the cooling fan by hand and if it turns smoothly or seems to drag or feel rough. Here is a link explaining what to check on the fan. The link describes two different types of fans. The second type (electric) is what you have.

The bottom line is if the fuse is good and the fan turns freely, you really need to have the CAN bus system scanned for codes and error notices. That is going to get to the bottom of the problem.

Let me know what you find or if you have other questions.

Take care,
Joe

Was this
answer
helpful?
Yes
No
Saturday, August 29th, 2020 AT 1:00 PM (Merged)
Tiny
SHANNONKAY
  • MEMBER
  • 3 POSTS
I should have mentioned the A/C. Does not work and stopped working about a year before these issues started which we believe that is the evap temperature sensor.
Was this
answer
helpful?
Yes
No
Saturday, August 29th, 2020 AT 1:00 PM (Merged)
Tiny
JACOBANDNICKOLAS
  • MECHANIC
  • 110,192 POSTS
Hi,

No problem. It was just a different way to test the fan motor. Let me know what you find with the fan and temperature sensor.

Take care,
Joe
Was this
answer
helpful?
Yes
No
Saturday, August 29th, 2020 AT 1:00 PM (Merged)
Tiny
ASEMASTER6371
  • MECHANIC
  • 52,796 POSTS
If I could throw in a suggestion, with the key on, remove the connector for the coolant switch and see if the fan kicks on. If it does not, then go to the fan and test for power at the fan with a test light or voltmeter.

Just a quick test for the circuit.

https://www.2carpros.com/articles/how-to-check-wiring

Roy
Was this
answer
helpful?
Yes
No
Saturday, August 29th, 2020 AT 1:00 PM (Merged)
Tiny
COOLMISTERY
  • MEMBER
  • 2 POSTS
  • 2012 FORD FUSION
  • 3.0L
  • 6 CYL
  • 2WD
  • AUTOMATIC
  • 113,000 MILES
I am looking for the location of the coolant temperature sensor on our car listed above SE model.
Was this
answer
helpful?
Yes
No
Saturday, August 29th, 2020 AT 1:00 PM (Merged)
Tiny
CARADIODOC
  • MECHANIC
  • 34,465 POSTS
They confused the issue by calling it a "cylinder head temperature sensor".

What are you trying to solve? Temperature sensors have an extremely low failure rate because there is just one component inside them.
Was this
answer
helpful?
Yes
No
Saturday, August 29th, 2020 AT 1:00 PM (Merged)
Tiny
COOLMISTERY
  • MEMBER
  • 2 POSTS
We are having an overheating issue. We replaced the water pump, belt, and thermostat but are still getting a P1299 reading. We had the check engine light reset but when we use the gas pedal or climb a hill the temperature gauge rises again and the fan gets really loud and does not shut off until we turn the car off. There does not seem to be any bubbles in the system, no milky color to oil, no smoke from exhaust, no coolant or oil leaks, and radiator does not seem to have any blocks either from what we can tell.
Was this
answer
helpful?
Yes
No
+3
Saturday, August 29th, 2020 AT 1:00 PM (Merged)
Tiny
CARADIODOC
  • MECHANIC
  • 34,465 POSTS
If the electric radiator fan is running, the engine computer is turning it on based on the readings from the temperature sensor, so we know that's working.

Before you get all wrapped around the axle looking for other causes, have your mechanic perform a chemical test at the radiator for a leaking cylinder head gasket. If combustion gases sneak into the cooling system, they can pool under the thermostat causing it to not open. Thermostats have to be hit with hot liquid to open. Hot air will not do it. Very often when a cylinder head gasket just starts leaking, it only does so under higher engine speeds and/or higher load. That agrees with your observation of only overheating at certain times.

You can do this test yourself if you borrow the tester from an auto parts store that rents or borrows tools, but they will make you buy your own bottle of special fluid. That is because it is rendered ineffective if it freezes or if it becomes contaminated with antifreeze. They do not want to risk borrowing it to you with contaminated fluid. That is why they made the last person buy their own fluid. It usually costs less to just let your mechanic do the test. It only takes a few minutes. Also sensor may be faulty
Was this
answer
helpful?
Yes
No
+4
Saturday, August 29th, 2020 AT 1:00 PM (Merged)

Please login or register to post a reply.