Engine is spitting and sputtering?

Tiny
DODGEPODGE
  • MEMBER
  • 111 POSTS
Yes, green/orange to each injector. I thought 60 -80 ohms was nothing but you're the expert here. So what? Open the wiring harness and explore? How would I replace the wire at the plugs into the injectors? And the coil plug too? But I only have to ask? If that doesn't do the trick then what? Thanks
Was this
answer
helpful?
Yes
No
Tuesday, July 2nd, 2024 AT 5:58 PM
Tiny
AL514
  • MECHANIC
  • 5,595 POSTS
You're unplugging the injector and Ohming out from the green/orange wire to the Green/Orange wire with the ASD relay out, correct?

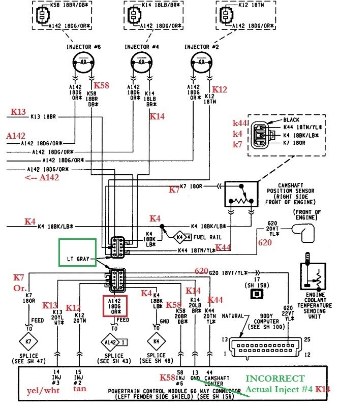
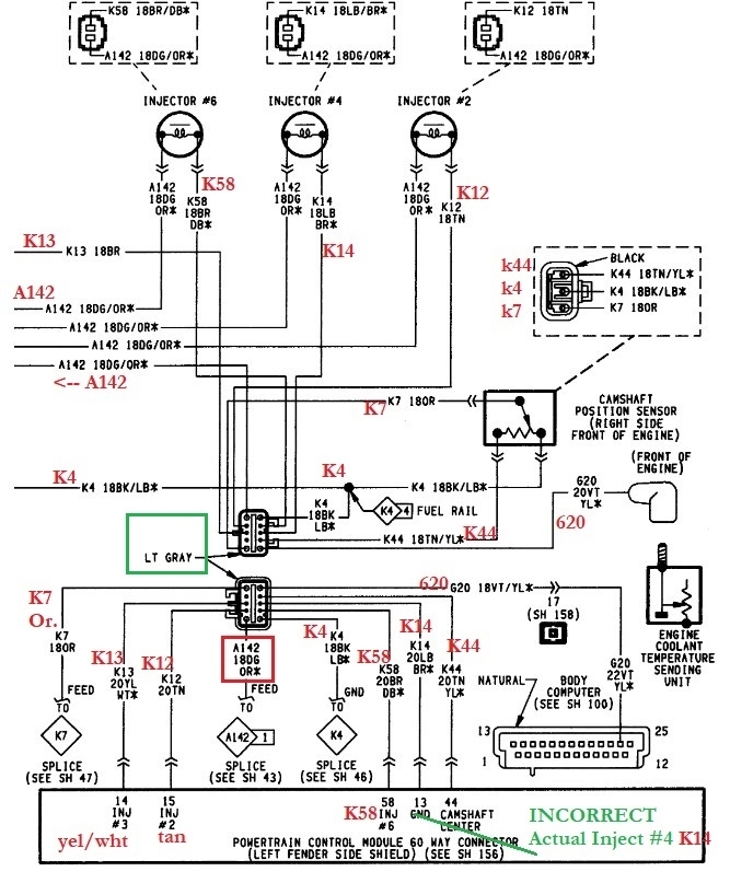
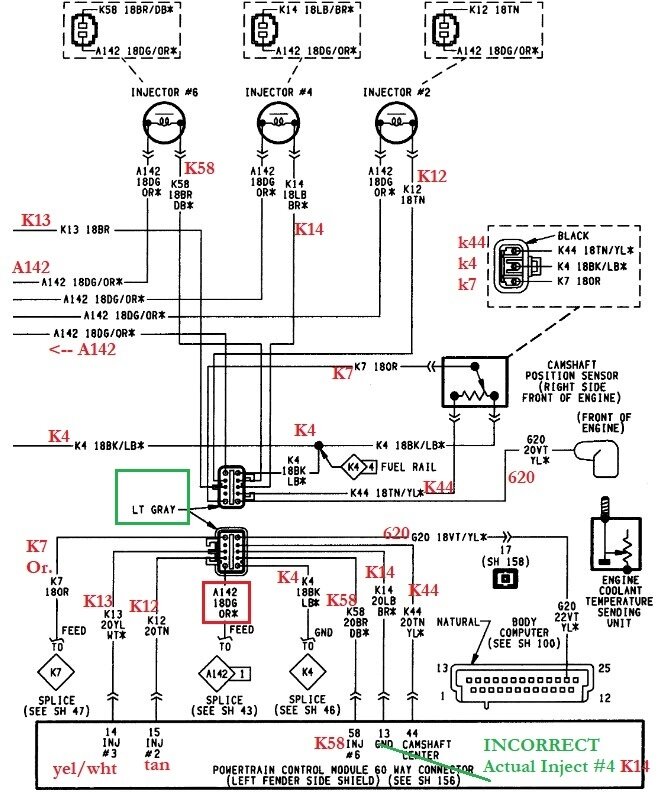
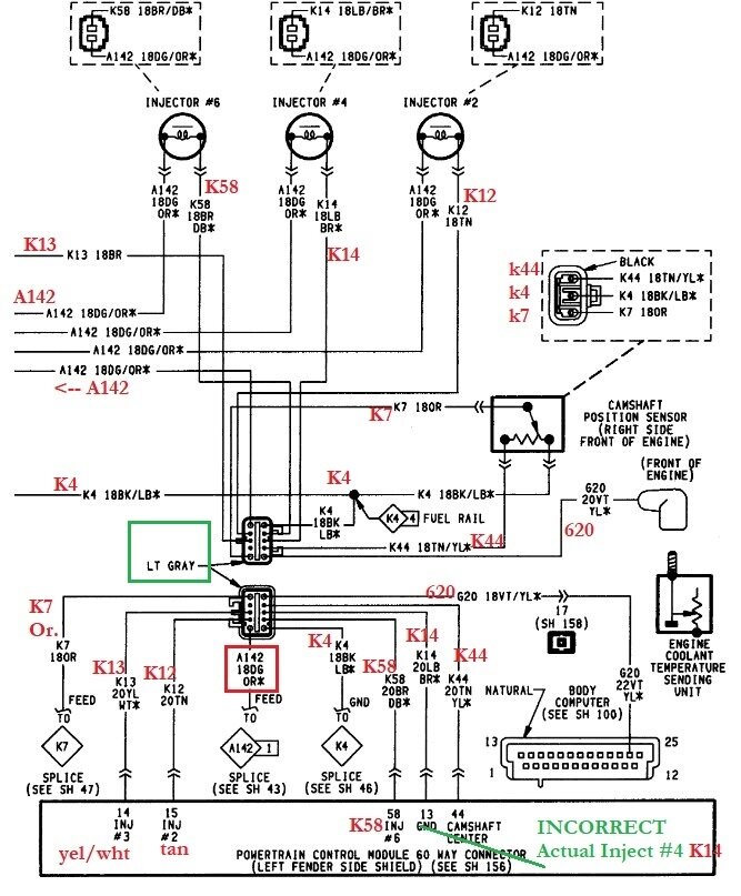
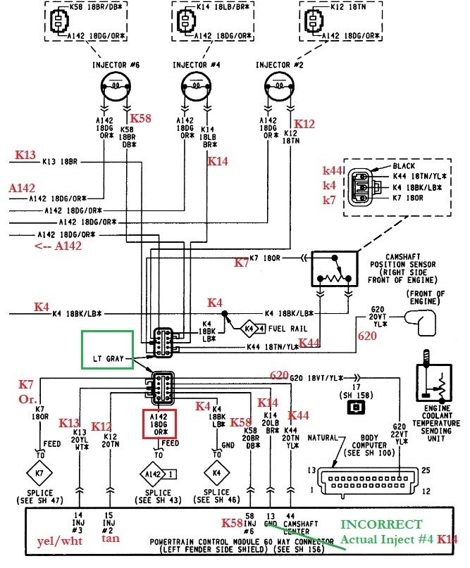
If you have a 12.4volt battery (on average) and you have 80 ohms of resistance, 12.4/80=0.155Amps, that's 155ma of current flow, at 5 ohms you get at least 2.48Amps that's Ohms Law, huge different and we are only talking about the resistance in the wire alone. I'm marking out every single wire color of this 10 pin Lite Grey connector for you to check and make sure it's the correct connector, in the meantime start pulling some connectors apart on and around the engine and check them for green or white corrosion down inside the connector pins, there should be a bunch of these Green/Orange wires running around the injectors, follow that main harness until you get to a connector, and check it.
There should also be this 50 pin Bulk connector pretty visible, they are difficult to miss, check that.
Was this
answer
helpful?
Yes
No
Tuesday, July 2nd, 2024 AT 6:37 PM
Tiny
AL514
  • MECHANIC
  • 5,595 POSTS
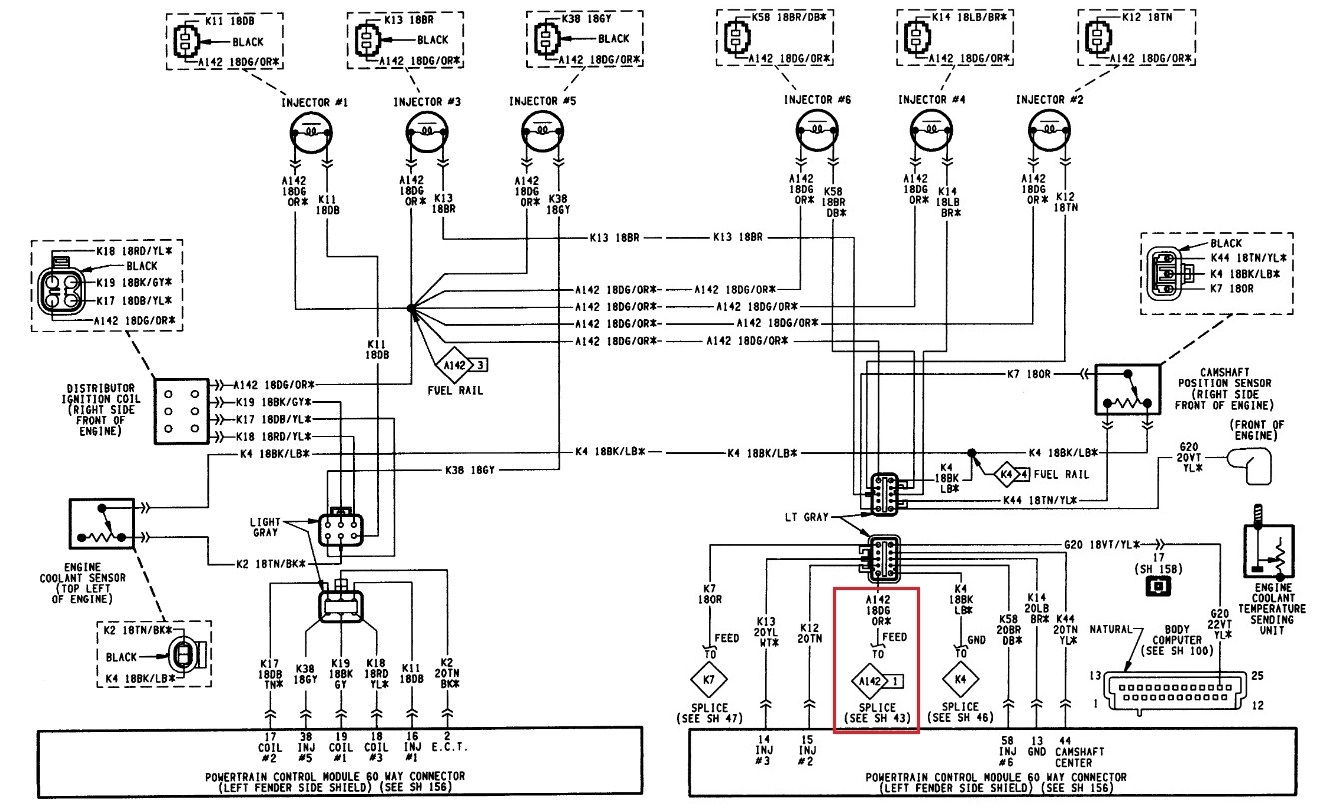
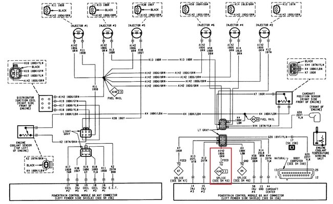
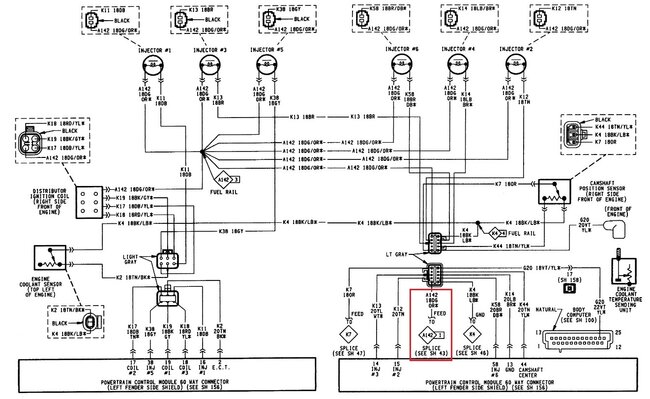
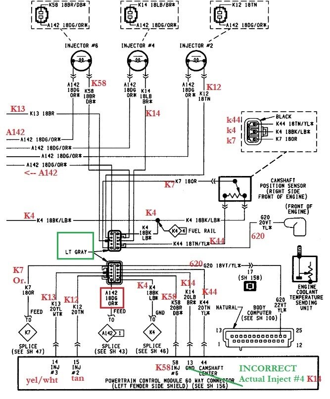
The 1st diagram is the 10 pin light grey connector, although it only has 9 wires in it, the 2nd diagram shows each wire by Circuit reference #, with the wire colors so you can identify the correct connector, It has the same Green/Orange wire running into and back out of the connector from the ASD relay pin 87 to the Splice that branches off to the injectors and coil. You need to track it down and check for power on each side of the connector,

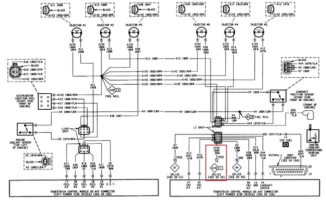
The 3rd diagram is both pages 1 and 2 put together so you can see the entire circuit, the 4th
shows the splice off the ASD that feeds the grey connector, you'll need to follow this wiring section by section checking for voltage along the way until you find the area where there is no voltage, a broken wire, connector issue, etc.

Wires also do corrode inside the insulation and the copper strains break inside; it only takes a pin hole in the insulation for that to happen over the years. If you can't figure, it out, from here its best if you get it to a shop where they can diagnose what's happening, I'm not at the vehicle, so I can't do the testing for you, high resistance points to a bad connector, corrosion, water intrusion-corrosion, etc. Worst case start checking them all.
Was this
answer
helpful?
Yes
No
Tuesday, July 2nd, 2024 AT 7:49 PM
Tiny
DODGEPODGE
  • MEMBER
  • 111 POSTS
Well Al, it seems I had power to the coil and the injectors all along because u left out the part about only having power to the coil and injectors for a brief moment. Not constant like I thought it was supposed to be. I've been chasing a ghost looking through wires. So, going back where should I have been looking at? Thanks
Was this
answer
helpful?
Yes
No
Wednesday, July 10th, 2024 AT 7:18 AM
Tiny
AL514
  • MECHANIC
  • 5,595 POSTS
You said you had no power to injectors or coil at all. Right here while checking for an injector pulse, I said while cranking it should have a dim pulse. This is the reason for doing these tests, it gives a certain direction during the diagnosis, each test leads you down one path or another. Yes, the PCM is going to shut off the ASD circuit if it doesn't see an RPM signal, the injector pulse test would have told us if the PCM was controlling the injectors or not, so do the cranking injector test with a test light on battery positive. You will need someone to crank the engine over so you can monitor the test light.
Was this
answer
helpful?
Yes
No
Wednesday, July 10th, 2024 AT 10:30 AM
Tiny
DODGEPODGE
  • MEMBER
  • 111 POSTS
Okeydokey, then we'll do that again. Thanks
Was this
answer
helpful?
Yes
No
Friday, July 12th, 2024 AT 2:23 PM
Tiny
AL514
  • MECHANIC
  • 5,595 POSTS
I don't see in any of the posts the result of an injector pulse check with a test light, only the check for power. What do you mean do it again? Have you already done the test light clamped to battery positive and back probing the injector control wire test?
Was this
answer
helpful?
Yes
No
Saturday, July 13th, 2024 AT 12:12 PM
Tiny
DURK DABROWSKI
  • MEMBER
  • 30 POSTS
Okay Al, I checked the injectors again last night with the test light and they checked out ok I got a pulsing light on the positive side. I only did the front 3 so does that mean it can't be the MAP sensor? It seemed so close to starting? DOH ! Thanks
Was this
answer
helpful?
Yes
No
Saturday, July 13th, 2024 AT 12:54 PM
Tiny
DURK DABROWSKI
  • MEMBER
  • 30 POSTS
Okay Al, I tested the front 3 injectors for pulse on the positive side and they checked out okay. It wanted to start DOH ! But
Was this
answer
helpful?
Yes
No
Saturday, July 13th, 2024 AT 1:06 PM
Tiny
AL514
  • MECHANIC
  • 5,595 POSTS
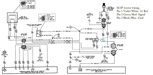
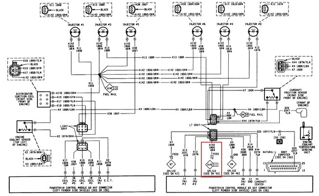
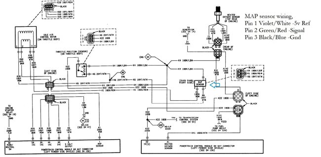
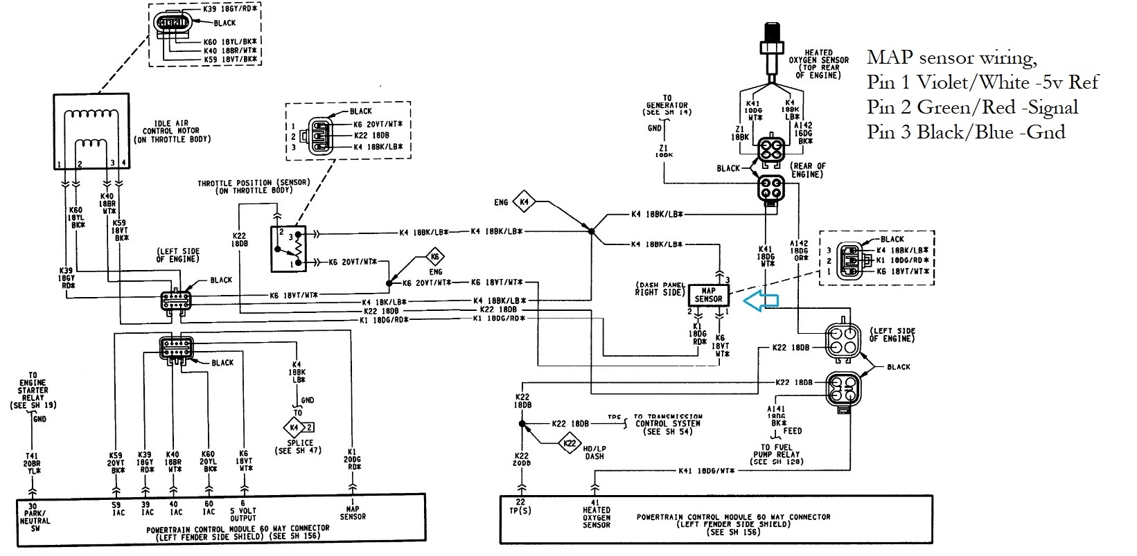
If it's that close to starting, are you sure you have a strong enough spark, or the plugs are not fouled out, because it sounds like you have everything you need to start here. You can check the MAP sensor if you want to, here's the wiring pinout for it.

Because of miscommunications here we're taking too long, we went down the rabbit hole here with the wiring.
But we're missing something simple here. The engine needs a good strong spark, good fuel and good compression for an engine to run.
If you're getting a pulse from the injectors that means you should have a good cam and crank signals, the MAP is a possibility,
I'm just going to run you through the basic trouble shooting chart they provide here.

Hopefully you can see the 2nd diagram good enough below, first they want you to check that the spark plugs are not wet with fuel. And you have good strong spark, if those are ok, next they want you to unplug the MAP and check for a good 5volt reference feed, But I would do this plugged in to make sure the MAP isn't effecting the 5volt ref.
If those are okay, they want you to check compression.
If you cannot see the diagram well enough let me know and Ill break it up into smaller sections.

This is just MAP info.
(The Purple/White wire is the MAP 5volt feed. Green/Red MAP signal. The MAP should read closer to 4-5volts at key on engine off, and running should be 1-2volts roughly).
Was this
answer
helpful?
Yes
No
Saturday, July 13th, 2024 AT 1:54 PM
Tiny
AL514
  • MECHANIC
  • 5,595 POSTS
A good spark should be able to jump at least 1/4- 3/8 in gap, If it does and the plugs are not fouled out with carbon or fuel, then go to a compression test, disable to the injectors, and hold the gas pedal to the floor while cranking, watch the compression gauge for the first pressure reading and then the 4th final pressure reading.

https://www.2carpros.com/articles/how-to-test-engine-compression
Was this
answer
helpful?
Yes
No
Saturday, July 13th, 2024 AT 2:00 PM
Tiny
DURK DABROWSKI
  • MEMBER
  • 30 POSTS
So, if I test the voltage at the map sensor plugged in. Do I only test the feed wire and signal wire? And not the ground wire? Will the voltage then tell me if the sensor is functioning? Thanks
Was this
answer
helpful?
Yes
No
Monday, July 15th, 2024 AT 11:03 AM
Tiny
AL514
  • MECHANIC
  • 5,595 POSTS
You can use the sensor Ground when testing to verify its good, if the 5volt reference feed is low, switch over to Battery negative for ground to see if it jumps up to 5volt, indicating a bad ground for the sensor or PCM. Then at Key On engine Off, you should get a reading closer to 5v, usually 4-4.5v roughly on the signal wire, and when cranking since there should be some vacuum in the intake manifold the MAP signal should drop somewhat, it wont go as low as it would if the engine was running, since there is more intake vacuum when the engine is running at a higher rpm. Idle should be around 700rpm and cranking rpm is much lower.
Just make sure the pins are not spread inside the connector,

If you find that the 5volt ref is low and changing ground location doesnt make any difference, then unplug the MAP and check it again, when sensors that use the 5v Ref short out and pull down the reference voltage, it will cause the PCM to fault.

Also take a look at live scan tool data when cranking, you should be able to see the MAP sensors voltage live data PID along with the other sensors, Engine coolant temp sensor, TPS voltage, idle air control valve position.
The coolant temp sensor should be reading ambient outside temperature when you first turn the key On since the vehicle has been sitting over night.

Or if any of the sensors are reading 0volts, or full 5volts, those types of things should stand out as abnormal.

Did the front spark plugs look fouled out with fuel? Pull off the vacuum hose going to the fuel pressure regulator on the fuel rail, does any gas come out of it? You havent mentioned anything about the condition of the spark plugs yet.
Was this
answer
helpful?
Yes
No
Monday, July 15th, 2024 AT 12:10 PM
Tiny
DURK DABROWSKI
  • MEMBER
  • 30 POSTS
I don't have live scan data on my scanner. And why would I check compression when the engine was running fine before it shut off. I'm not an expert so all this rambling is confusing and hard to keep track of. I'm going through all the wiring and I find the MAP sensor upside down partially screwed in from the last mechanic. Great Huh !
Was this
answer
helpful?
Yes
No
Monday, July 15th, 2024 AT 1:23 PM
Tiny
AL514
  • MECHANIC
  • 5,595 POSTS
I didn't think I was rambling, you asked how to test the MAP sensor, if you don't want to check the spark plugs or compression then don't.
Was this
answer
helpful?
Yes
No
Monday, July 15th, 2024 AT 2:24 PM
Tiny
DURK DABROWSKI
  • MEMBER
  • 30 POSTS
Sorry. But why do you think I need to check compression when it was running fine up to the point it shut off?
Was this
answer
helpful?
Yes
No
Monday, July 15th, 2024 AT 2:47 PM
Tiny
AL514
  • MECHANIC
  • 5,595 POSTS
Because we have not come up with a reason for the fault yet, I'm not at the vehicle so I can't see what's actually going on, I can only go by what you tell me.
You said it's trying to start, so if you're sure it has good spark, then try a shot or two of some starting fluid, carb cleaner, brake cleaner etc., and see if it starts and shuts off.

The reason I was asking about checking the spark plugs is because after all the cranking trying to get it started, if fuel is actually getting into the cylinders the plugs are now fouled out, the cylinder walls get washed out and the oil gets contaminated with fuel as well, and now the problem is compounded.
This engine is 30 years old and has high mileage.

https://www.2carpros.com/articles/car-not-running-advanced
Was this
answer
helpful?
Yes
No
Tuesday, July 16th, 2024 AT 9:51 AM
Tiny
AL514
  • MECHANIC
  • 5,595 POSTS
Try this method for code reading instead of the scan tool.
Was this
answer
helpful?
Yes
No
Tuesday, July 16th, 2024 AT 10:05 AM
Tiny
DURK DABROWSKI
  • MEMBER
  • 30 POSTS
Okay, Al, sorry I know you can't relate but I have potato brain from doing psych drugs. Maybe you can understand my situation better now. Thanks for your patience. Anyway, when I last tried to test the injectors for a pulse I pulled 1 spark plug and it was wet. I considered there might be bad gas all along. There is about 1/3 of a tank so. I don't know if it just acts that way. I got some starting fluid so if it doesn't rain tonight again. I will try to pull the front spark plugs and try it again, DOH ! Thanks
Was this
answer
helpful?
Yes
No
Tuesday, July 16th, 2024 AT 3:26 PM
Tiny
AL514
  • MECHANIC
  • 5,595 POSTS
If the plug was wet with fuel, then you are most likely don't have a strong enough spark due to either worn out plugs, wires, coil pack, etc., or the bad gas is just not igniting.

The only way to know if it's got bad gas is to take a sample of it, cut a 2 liter soda bottle in half or some clear plastic bottle and take a sample of the gas, let it sit for a little while, if there's water in it, the gas will separate from the water into different levels. If its just bad gas you will notice it doesn't smell like gas anymore.
You can try the starting fluid, but it might not help much if the plugs are completely fouled out, but see what happens.

Its difficult to help when I don't have a clear idea of what is functioning and what's not.
I would recheck that there is good strong spark though as well, here's an easy guide to help make sure the spark can jump a good size gap.

You may want to get someone to come help you here, if you're having this much trouble understanding the testing methods.

https://www.2carpros.com/articles/how-to-check-for-ignition-spark
Was this
answer
helpful?
Yes
No
Tuesday, July 16th, 2024 AT 6:53 PM

Please login or register to post a reply.