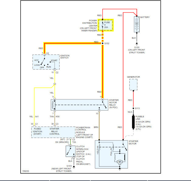
Friday, July 5th, 2019 AT 5:29 PM
I only get the transmission indicator lights and trip odometer on the dash. Blower works but not the radio. Engine will not turn over. No starter clicks or noise or fuel pump sounds. No indicator lights came on at or before the engine shut off. Any ideas?




