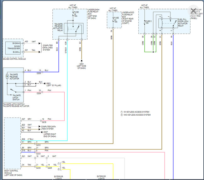
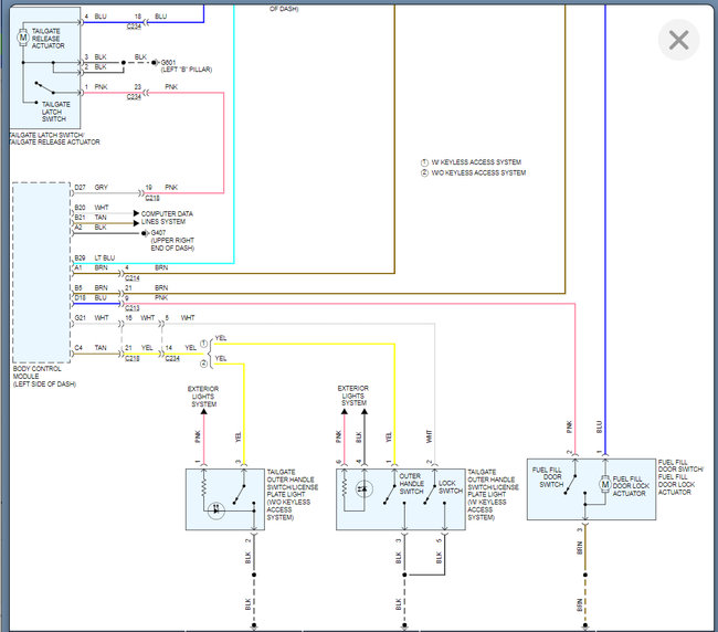
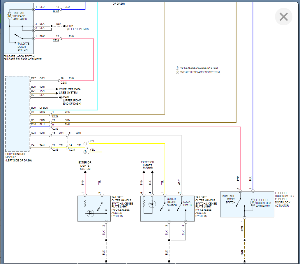
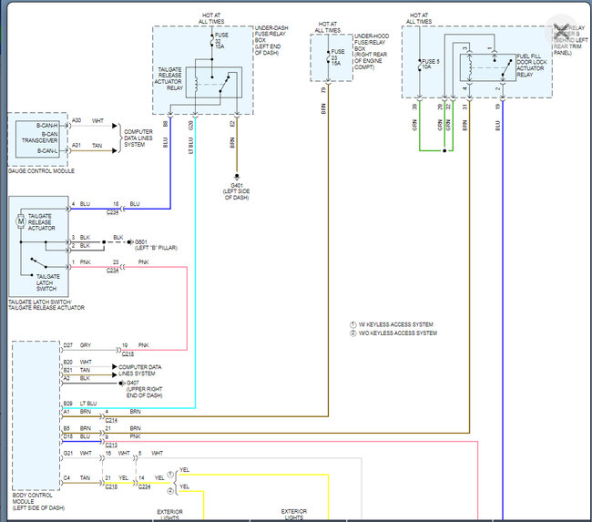
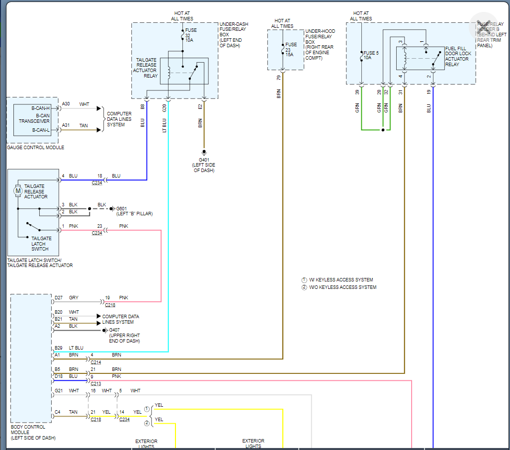
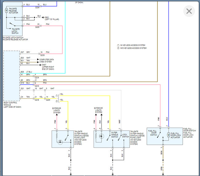
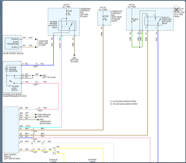
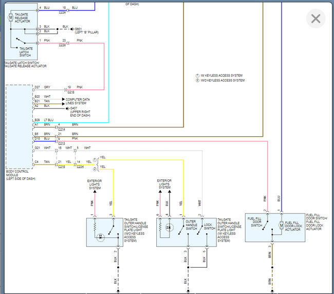
Electrical wiring diagram for fuel filler door lock

Tiny
PAWEL_N
  • MEMBER
  • 2018 HONDA ODYSSEY
  • 3.5L
  • V6
  • 2WD
  • AUTOMATIC
  • 60,000 MILES
Hello friends,

Fuel filler door is broken. Cannot open this small door. It looks like the motor for remote open door not working. I do not know if some wire is broken or motor, or microswitch which are for pushing and then the motor opens this door.
The electrical wiring diagram will be very helpful for me. Will check this motor and the microswitch if are okay.
Thank you for your help.
Have a nice day,
Pawel
Sunday, October 10th, 2021 AT 11:14 AM

5 Replies

Tiny
KASEKENNY
  • MECHANIC
  • 18,907 POSTS
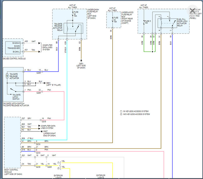
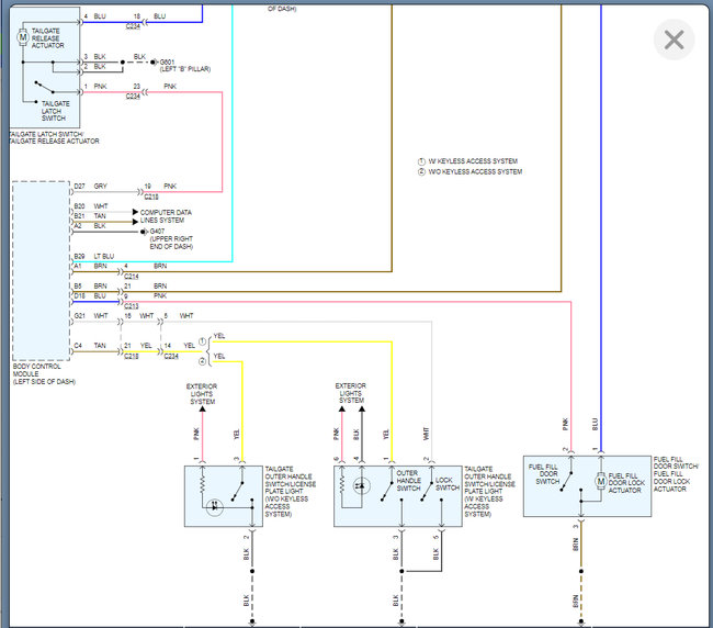
There are a number of things that could cause this, but I would start with removing the relay and jumping pin 1 to 2 and see if the door opens. This will prove out the wiring and actuator.

If it does then we need to check the fuse that feeds pin 3 shown in the diagram.

Then we need to check to see if the BCM is grounding the relay.

You do this by putting your meter on battery positive and then touch the other lead to terminal 4 of the relay with the relay removed.

Then press the button. Does the meter read 12 volts? If it does then the BCM is seeing the button pressed and it is grounding the relay.

If the actuator works and the BCM is grounding the relay, and the fuse is okay, then the relay is the issue.

https://www.2carpros.com/articles/how-to-check-an-electrical-relay-and-wiring-control-circuit

https://www.2carpros.com/articles/how-to-check-wiring

https://www.2carpros.com/articles/how-to-use-a-voltmeter

I am attaching the wiring diagram and the relay location. Please let us know what you find with this. Thanks
Was this
answer
helpful?
Yes
No
+1
Sunday, October 10th, 2021 AT 5:58 PM
Tiny
PAWEL_N
  • MEMBER
  • 178 POSTS
Super. :-) It is what I need. :-)))
Thank you for your help. I will repair and I will give you feedback if all will be okay.
Thanks. :-)
Was this
answer
helpful?
Yes
No
Monday, October 11th, 2021 AT 5:51 AM
Tiny
KASEKENNY
  • MECHANIC
  • 18,907 POSTS
You are welcome. We are looking forward to hearing back. Thanks for the update.
Was this
answer
helpful?
Yes
No
Monday, October 11th, 2021 AT 2:52 PM
Tiny
PAWEL_N
  • MEMBER
  • 178 POSTS
KASEKENNY1 - thank you. You have right. After repairing my problem with left sliding door, the fuel fill door starts working. :-)
Thank you for your help. :-)
Was this
answer
helpful?
Yes
No
Monday, October 18th, 2021 AT 1:02 AM
Tiny
KASEKENNY
  • MECHANIC
  • 18,907 POSTS
You are welcome. That is great info and as I stated, thanks again for continuing to come back.

Talk to you next time.
Was this
answer
helpful?
Yes
No
Monday, October 18th, 2021 AT 5:47 AM

Please login or register to post a reply.