Wednesday, July 13th, 2022 AT 1:38 AM
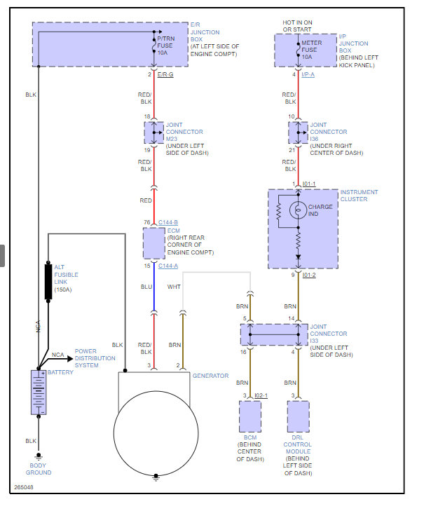
I've been through two batteries and two alternators and a new starter within three weeks or so. The car continues to start for a little bit after each jump or change but then loses power slowly and turns off completely with some electrical power in the dash, but the engine won't start after that. Also, the radio and the clock don't work at all through all of this.









