Monday, November 18th, 2019 AT 8:17 PM
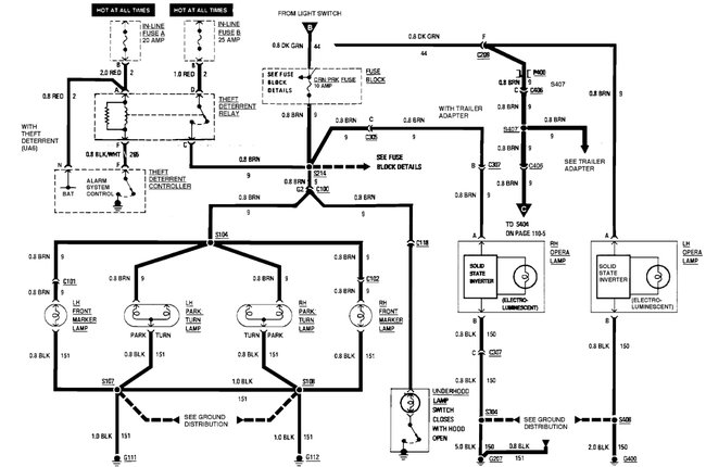
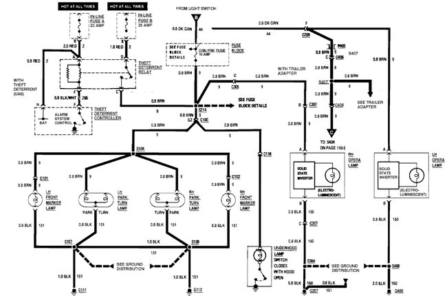
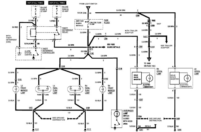
It is a headache. Any idea on what might cause this issue? I’ve checked the fuse box and the blinker fuse was the only fuse blown. I am stumped!











