A/C Blower KEEP RUNING, 91 Cadillac rear wheel drive 5.1 L engine. Can anyone help? Thank you

Tiny
SIR TONY
  • MEMBER
  • 1991 CADILLAC FLEETWOOD BROUGHAM
  • 125,000 MILES
I disconnected control module, and found the red wire receiving positive current with the engine off, also black wire, and light purple with white stripe wire receiving positive current. If anyone can help I would greatly appreciate. Thank you, Sir Tony
Tuesday, October 4th, 2011 AT 10:52 PM

6 Replies

Tiny
RASMATAZ
  • MECHANIC
  • 75,992 POSTS
Blower motor relay relay/fan could be sticking, fan control module, wiring problem and the HVAC control module
Was this
answer
helpful?
Yes
No
+2
Tuesday, October 4th, 2011 AT 11:03 PM
Tiny
SIR TONY
  • MEMBER
  • 4 POSTS
Rasmataz, thank you for your reply, I will check to see if his car has a fan really, I don't think it's the control module because I am receiving voltage from all three wires, the fourth wire which is purple goes to the fan. I think the control module is supposed to receive voltage when you select the required selection of AC or heat. Do you know where I can find the blower fan relay, if any? Thank you, Sir Tony
Was this
answer
helpful?
Yes
No
Tuesday, October 4th, 2011 AT 11:20 PM
Tiny
RASMATAZ
  • MECHANIC
  • 75,992 POSTS
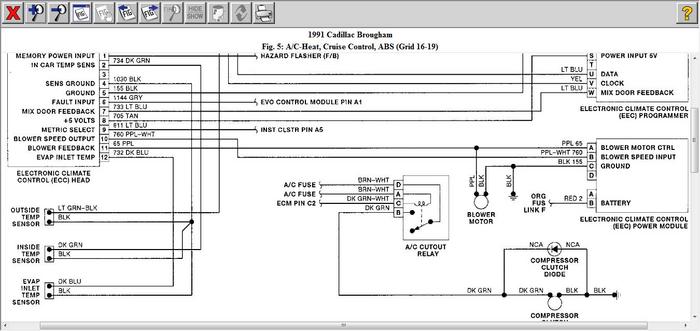
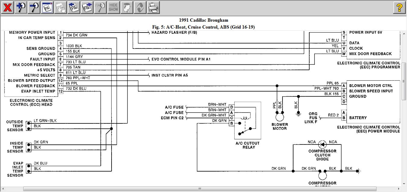
You don't have a blower relay what you have is a control module-see below
Was this
answer
helpful?
Yes
No
+1
Tuesday, October 4th, 2011 AT 11:26 PM
Tiny
SIR TONY
  • MEMBER
  • 4 POSTS
Thank you for this schematic, I will take my time and look at it and for what ever it's worth I really appreciate the time that you have taken to help me with my problem. I will get back to you with further info as soon as I can, thank you, Sir Tony
Was this
answer
helpful?
Yes
No
Tuesday, October 4th, 2011 AT 11:40 PM
Tiny
SIR TONY
  • MEMBER
  • 4 POSTS
One more thing I forgot to ask you, are any of the wires going to the control module supposed to be hot at all times? Because the red wire is hot, ( single connection to the module) and on the three connections light purple with white stripe is receiving voltage. The solid purple wire goes to the fan, and the black wire is to ground but receiving positive voltage probably from a feedback from blower motor solid purple wire still connected. Thank you, Sir Tony
PS I ran a continuity test from the black wire blower motor to the black wire going to the blower control module with the connection disconnected and (purple wire positive side of blower fan also disconnected) I get continuity. I also got continuity from the black wire to the positive wire from the battery, (ground connection of battery is disconnected) while I was doing continuity test. Again, thank you for your time. Sir Tony
Was this
answer
helpful?
Yes
No
Wednesday, October 5th, 2011 AT 12:06 AM
Tiny
CADIEMAN
  • MECHANIC
  • 3,544 POSTS
This is a blower motor module inside the a/c case. Follow the blower motor wire right to it. If you unplug the module it will turn off. TY FOR USING 2CARPROS
Was this
answer
helpful?
Yes
No
Thursday, October 6th, 2011 AT 9:09 PM

Please login or register to post a reply.