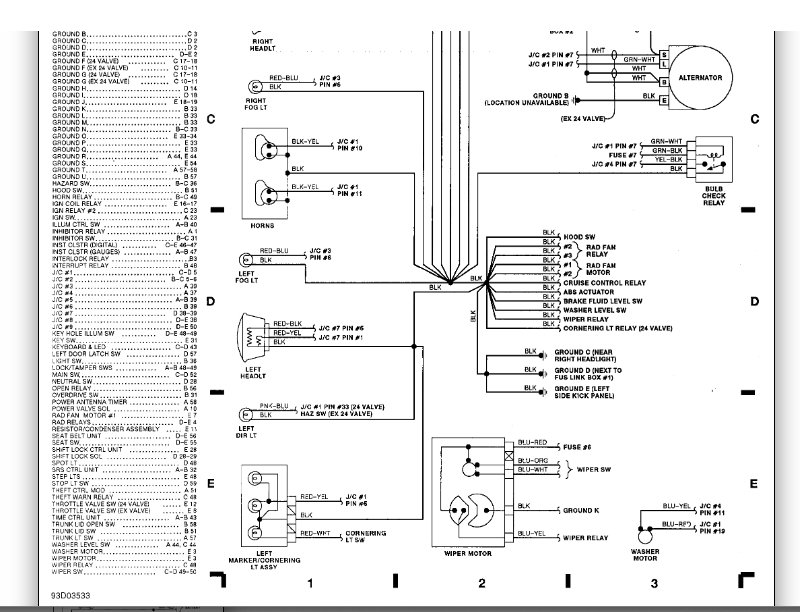
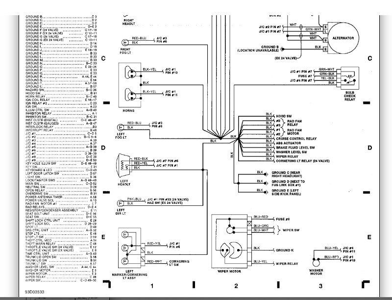
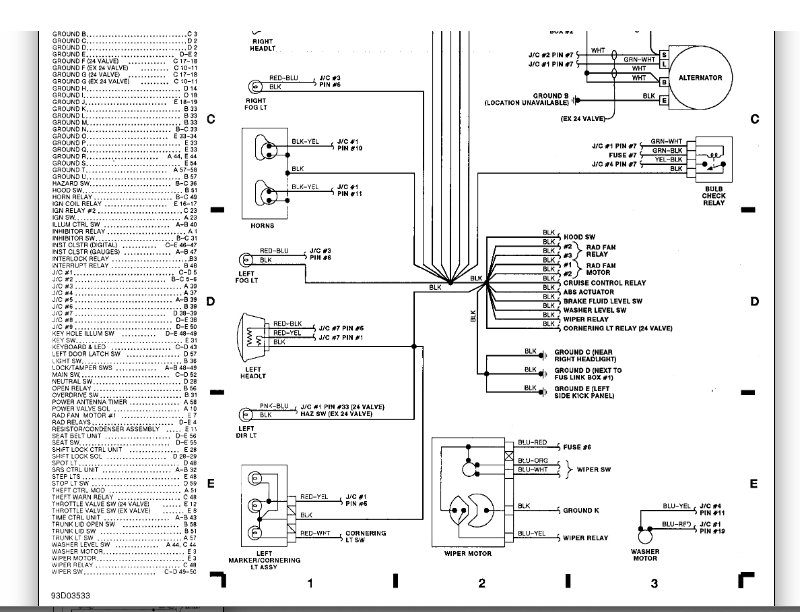
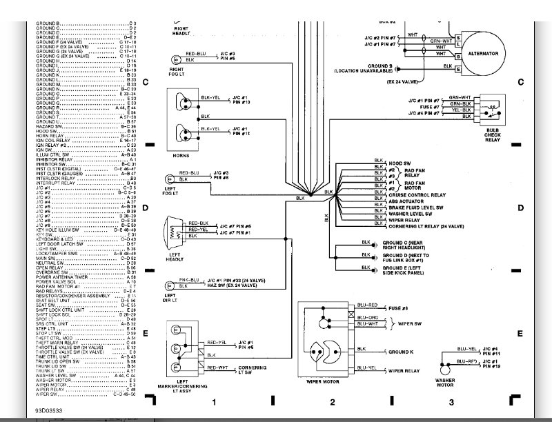
Monday, September 2nd, 2019 AT 5:02 PM
I bought the car about a month ago which previous owner said needed new alternator. So bought a new one out it on. After that found out battery was no good so bought a new battery put it in. Car fired right up ran for about 10 minutes and lost all power and cut off. Wouldn't start back, like battery was dead again. So checked battery and had low charge. So charged it again and repeated steps done same thing. What could be issue? Checked all fuses none seem to be bad? Thanks in advance!





