Thursday, July 20th, 2023 AT 7:43 PM
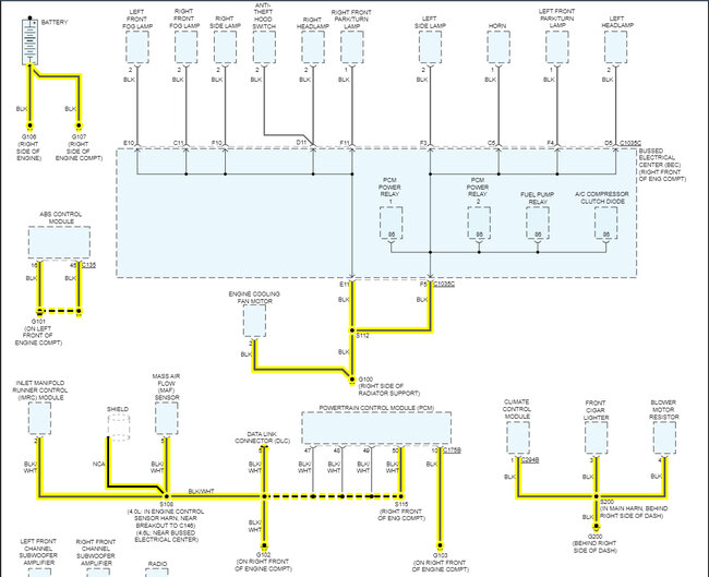
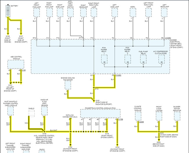
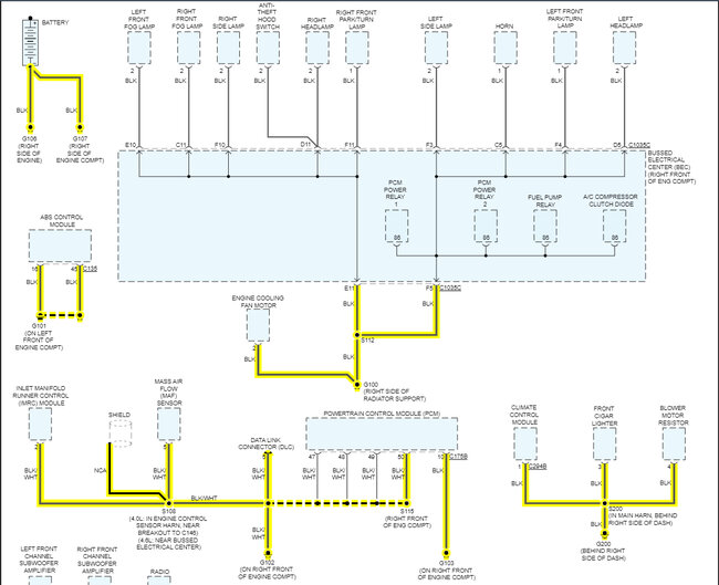
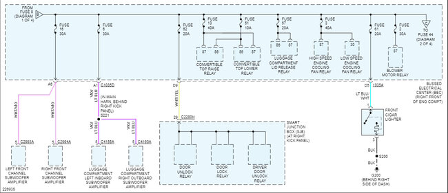
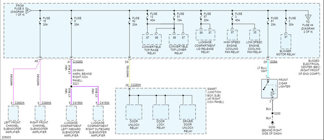
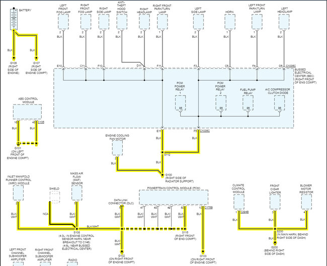
I have the vehicle listed above GY with 105,000 miles on it. For the past 6 years, after I hit 100,000, I got another car and only used this car from April to October (I'm on long island). I cover for the winter with a battery tender. However, 2 winters ago I had mice get in under the hood and they made a nest behind the radio. They chewed wires which caused the DVD changer to cycle on and off (even when I wasn't driving) causing the battery to drain repeatedly. This took a while to figure out. So, to avoid that, this winter I bought a car jacket tarp the encloses the entire car. Made the mistake of using that on an outside car. When I opened it up in the spring I had all kinds of corrosion. Some white stuff under the engine block and some electrical issues (key FOB not working and climate control blower totally unresponsive). My local mechanic thinks the corrosion on the engine block isn't a big issue and will come off when I drive in the rain. Unfortunately, the electrical issues were determined to be bad corrosion (blue colored) on the passenger side fuse panel and the surrounding wires. He even found some pools of water in that area. I've had issues with water leakage before and still some currently. I'm not sure if this corrosion is from that or storing it in the tarp. My mechanic said id need a new fuse panel but can't find any new ones from Ford (discontinued) or through his usual channels. That's the first issue I have that I could use help on. The second is, he says even if I got one the corrosion on the surrounding wires would still cause problems and have a cascade effect on the new fuse panel. Thats the second issue. Can the wiring and corrosion be addressed/replaced if I were to find a new fuse panel? I've put a lot of time and money into my car and it's important to me.














