Electrical issue

Tiny
ROBBROWNINDOVER
  • MEMBER
  • 2006 DODGE CARAVAN
  • 6 CYL
  • 240,000 MILES
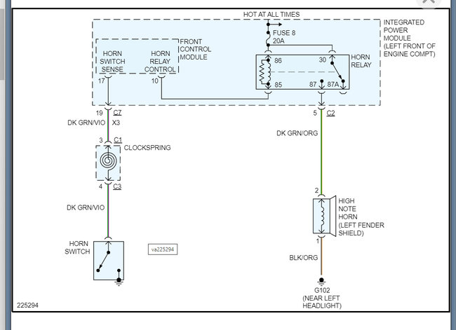
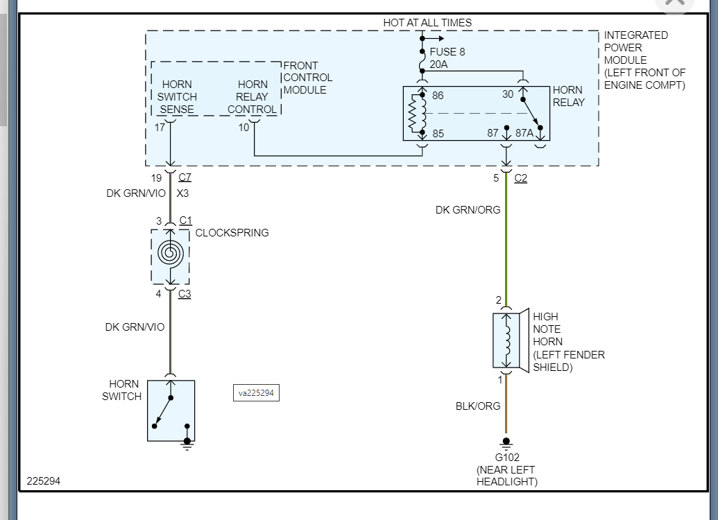
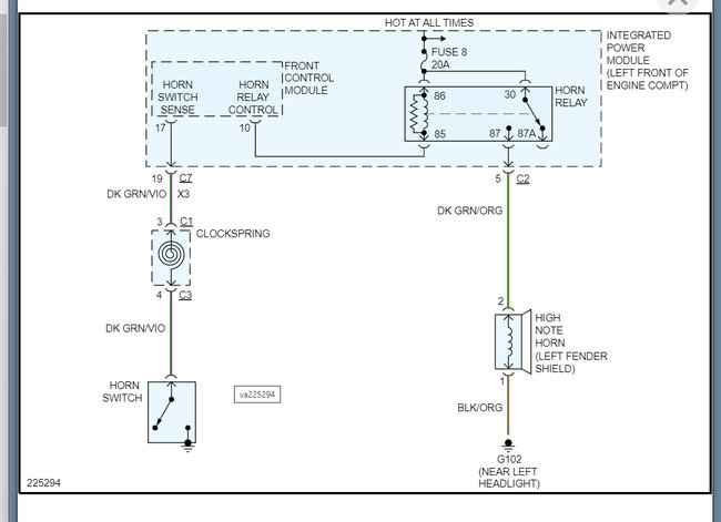
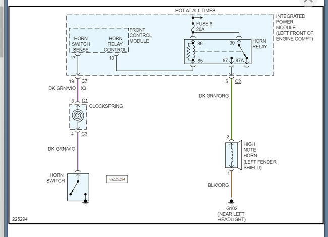
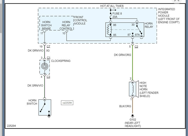
Horn stopped working. And turn signals work but if I turn on headlights front turn signals stop working, back signals continue to work but blink fast.
Sunday, April 10th, 2022 AT 7:46 AM

1 Reply

Tiny
KASEKENNY
  • MECHANIC
  • 18,907 POSTS
More than likely this is an issue in the power module for these items which is called the IPM, but we need to start with the easiest thing first and fix that. If that fixes all issues, then that is great. However, if it is not then we need to move onto the next. Any time you have multiple different systems with issues you want to try and focus on one and fix it and if that fixes all of them then that is great.

If not, you move on.

Since the horn is not working, then this is the easiest thing to start with so here are some guides that will help with this:

https://www.2carpros.com/articles/how-to-check-wiring

https://www.2carpros.com/articles/how-to-use-a-voltmeter

Basically, we need to check power at the relay and then jump the relay and that will tell us if the horn is working.

If it is and you have power (12 volts) when you jump pin 86 to 85 and then press the horn button, then that side of the relay is operating.

However, if you do not have 12 volts then we will have to dig deeper as to the issue to find out if it this a switch issue or the FCM.

Let me know what you find, and we can go from there.

Thanks
Was this
answer
helpful?
Yes
No
Monday, April 11th, 2022 AT 6:37 AM

Please login or register to post a reply.