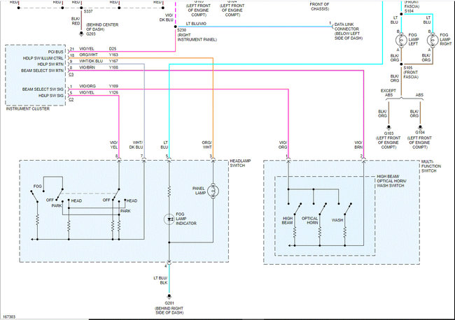
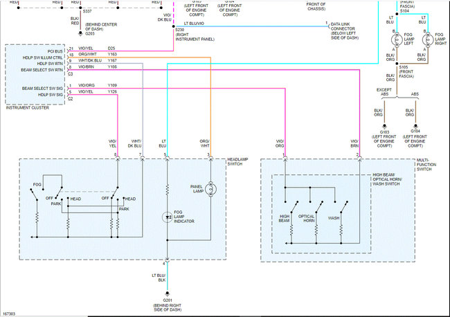
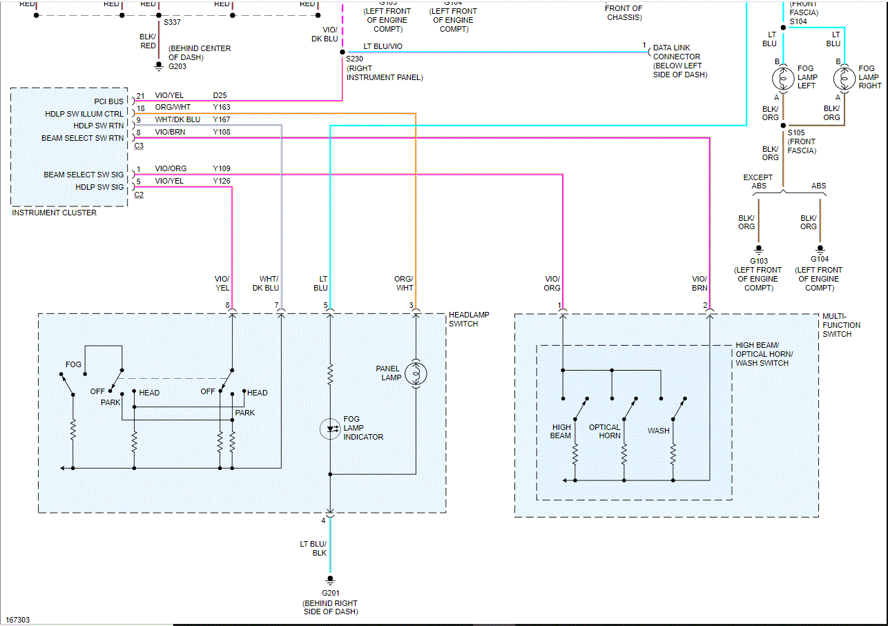
Wednesday, June 9th, 2021 AT 11:51 AM
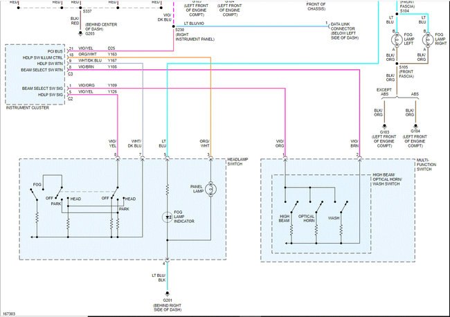
I just bought the truck listed above 1500 and I am having a problem with the lights. When I turn the lights on the left front works but right doesn't. When I turn the high beams on the right one turns on but the left one doesn't. None of the blinkers work besides the left front and the right tail light doesn't work. When I press on the brakes but all the running lights are on. I replaced the FCM and still no luck. All the fuses are good. Can someone lead me in the right direction of what I'm looking for?










