Electrical intermittent start?

Tiny
DALLY115
  • MEMBER
  • 2001 CHEVROLET SILVERADO
  • 4.8L
  • V8
  • 4WD
  • AUTOMATIC
  • 360,000 MILES
I had a no start on my truck the other day. I heard the relay click so I replaced it. Upon inspection I noticed pin 87 on the old relay was burnt cobalt blue. Cleaned the pin on the fuse box with some copper wire, installed a new relay and had perfect operation for days.

The issue has returned and is remedied when I remove and re-install the newly replaced relay. This works for about 4-5 successive starts, then it’s a coin toss again. I energized the starter via this pin manually and had the starter turn over 100% of the time.

All interior accessories are working, so I’m leaning away from the ignition switch. No blown fuses along the path. Do I need a new fuse box or is there a ground/connection I can check?
Thursday, April 20th, 2023 AT 5:31 PM

3 Replies

Tiny
CARADIODOC
  • MECHANIC
  • 34,482 POSTS
You did a dandy job of identifying the cause of the problem. It's the solution that is incomplete. First of all, this is a common problem on all brands and models for switches and relays that have to pass a lot of current. This mostly includes one section of an ignition switch, heater fan on / off and speed switches, and headlight switches. It can happen to relays too, but GM relays have another problem. The terminals are very small, and the mating terminals in the fuse box stretch, or "spread" very easily. They are very prone to making intermittent connections after someone poked the probe of a voltmeter or test light into them. I had a '98 GMC I used in my Electrical classes that I built in "bugs" for my students to diagnose. Every few weeks we had to replace terminals in the fuse box. They are just too weak to hold up.

There are a couple of ways to address your terminals. The preferred and proper way is to replace them. If you visit any GM dealer's parts department, they all have multiple huge kits with every type of terminal used on their vehicles. You can buy just one or two, or a whole package. You'll have to remove the fuse box, then get to the terminals from underneath.

This gets more involved when you find an overheated terminal, as you did on the relay. When this happens to ignition switches, it always involves two terminals, and those are almost always for the accessory circuit, meaning the heater fan, power windows, and wipers. The starter and ignition system circuits are rarely affected. A less-than-perfect connect develops between a pair of mating connector terminals, or between the pair of contacts inside the switch or relay. That bad connection results in electrical resistance, and that causes heat to be developed when current tries to flow through it. That heat further degrades the connection, and that creates more resistance and more heat, until you see that burned terminal. The critically important point here is the part with the bad contacts, the relay in your case, and the overheated connector terminals must be replaced at the same time. You replaced just the relay. There's still the badly degraded connections between the terminals. Those will continue to develop resistance and heat until it migrates into the new relay and causes the same damage to its contacts.

In the case of ignition switches, that heat also migrates down the those two wires and causes them to become hardened for about four inches. You can feel that in that they don't flex very easily. Solder will not adhere to that so that four inches must be cut off, then new pieces of the same diameter must be spliced in. Most of the time the plastic connector body around those terminals will be badly melted. You could replace the entire connector, but it's much easier and faster to just cut out those two terminals and the plastic around them, then plug in what remains into the new switch. Use a pair of generic crimp-style spade terminals, but solder them too for best connection.

When you splice on the new pieces of wire, seal them with heat-shrink tubing. Electrical tape will unravel into a gooey mess on a hot day and should never be used in cars and trucks. Crimp on the new terminals, solder them, then plug them onto the switch individually.

You can do the same thing for your relay, but there's a few extra steps needed. With the ignition switch, it is mounted in place, then you attach the connector to it. With your relay, it's the connector that's held in place, then you slide the relay into it. If you need to cut the melted plastic away in the fuse box, it's usually too difficult to install the relay, then go from underneath to plug in the two terminals individually. That would also cause problems if you tried to remove the relay in the future. To address that, I would cut away any hardened part of the wires, then add sections considerably longer so they can be pulled up from the top of the box. That way you can plug each one onto the relay individually, then push them down into the box as you install the relay into its socket. Next time you remove that relay, the wires will come up with it until you can pull them off in the open, above the fuse box. Hopefully they won't snag on something and pull off too soon.

Of course, if the plastic around the terminals is still okay, all you have to do is replace those terminals.

There's two other things you can do to get you back on the road, but neither of these methods would be approved of in my classes. One is to give the relay's terminals a slight twist with a pair of pliers. That makes them appear to be fatter so they fit tighter in their mating terminals. The other is to stick something else into the female terminal in the fuse box to force a tighter fit. You'll do the least further damage with a small piece of stranded copper wire. Stick that in the female terminal first, then plug the relay in alongside that wire. That will make for a tighter contact now, but it will spread those terminals even more. If that solves the intermittent problem, remember, those female terminals were previously overheated and discolored, so a repeat failure could still occur. What you have going for you is the starter relay rarely has current flowing through it for more than a few seconds at a time. A radiator fan relay that runs for long periods of time is much more susceptible to overheated relay terminals. With starter relays, it's more likely they're just weak and spread from normal vibration over time, or, as I mentioned, from being poked with test instrument probes.

The coils in relays develop huge voltage spikes when current through them is turned off, just as an ignition coil does. Those spikes can reach 300 volts and do damage to computers that run them, so you'll usually find a "diode" in each one. Those are one-way valves for electrical current flow. During normal operation, those diodes are across the relay's coil, but backward, so it's like they aren't even there. It's when they're turned off and the spikes are developed that the diode becomes "forward biased" and shorts out that voltage spike. Almost all relays used in cars and trucks have those diodes, so when using one for custom projects, they have to be connected with the correct polarity.

GM does it differently. They use a resistor across the relay's coil to just dampen the voltage spikes. This is much less efficient, but it has one major advantage. Resistors don't have a polarity, so the 12-volt and ground wires can be connected to either terminal. To say that a different way, a GM relay of this style can be plugged into the fuse box either way. The terminals are slightly offset, so sometimes they might not fit due to bumping into a neighboring relay, but if it can be plugged in, it will work. The coil's two terminals are in opposing corners, and the two contact terminals are in the other two opposing corners. Regardless which way it's plugged in, the two contact terminals will always mate with the correct two terminals in the fuse box.

Let me know if this helps or if we need to go further.
Was this
answer
helpful?
Yes
No
Thursday, April 20th, 2023 AT 6:30 PM
Tiny
DALLY115
  • MEMBER
  • 2 POSTS
Pins were re-cleaned thoroughly and have good contact, not yet replaced. Replaced the ignition cylinder and coded the key. The truck has run perfectly for days now, and the issue is re-emerging. Reset security on the computer, with no different results. Discovered the 3-pin connection from the ignition switch was loose and wobbly in its connection to the new ignition cylinder. Added a thin plastic shim along its side and secured with electrical tape. Had perfect consecutive starts for another few days, now it’s returning to intermittent. The vehicle will start fairly consistently if I push on that 3-pin connection gently while turning the key. Should I focus on the pins when I’m able to replace them or look into a new ignition switch harness given the new find?
Was this
answer
helpful?
Yes
No
Friday, April 28th, 2023 AT 11:02 AM
Tiny
CARADIODOC
  • MECHANIC
  • 34,482 POSTS
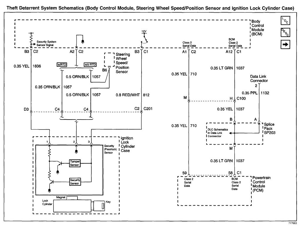
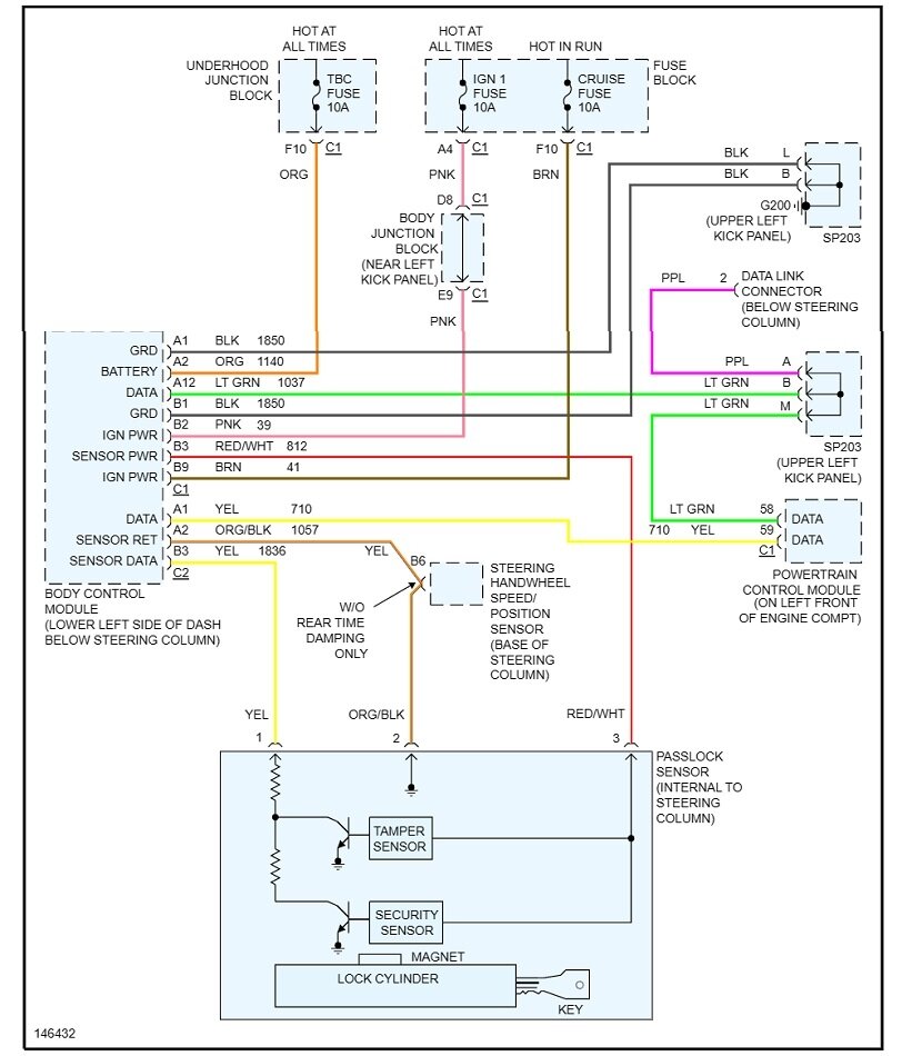
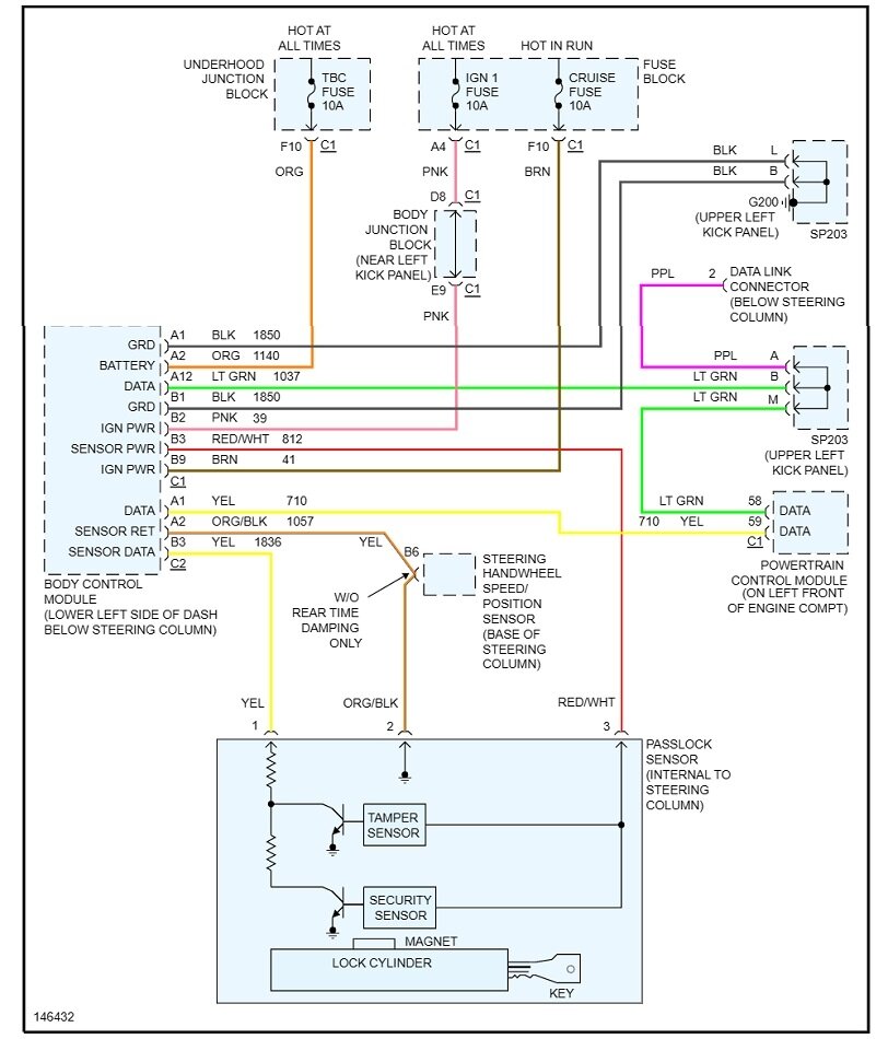
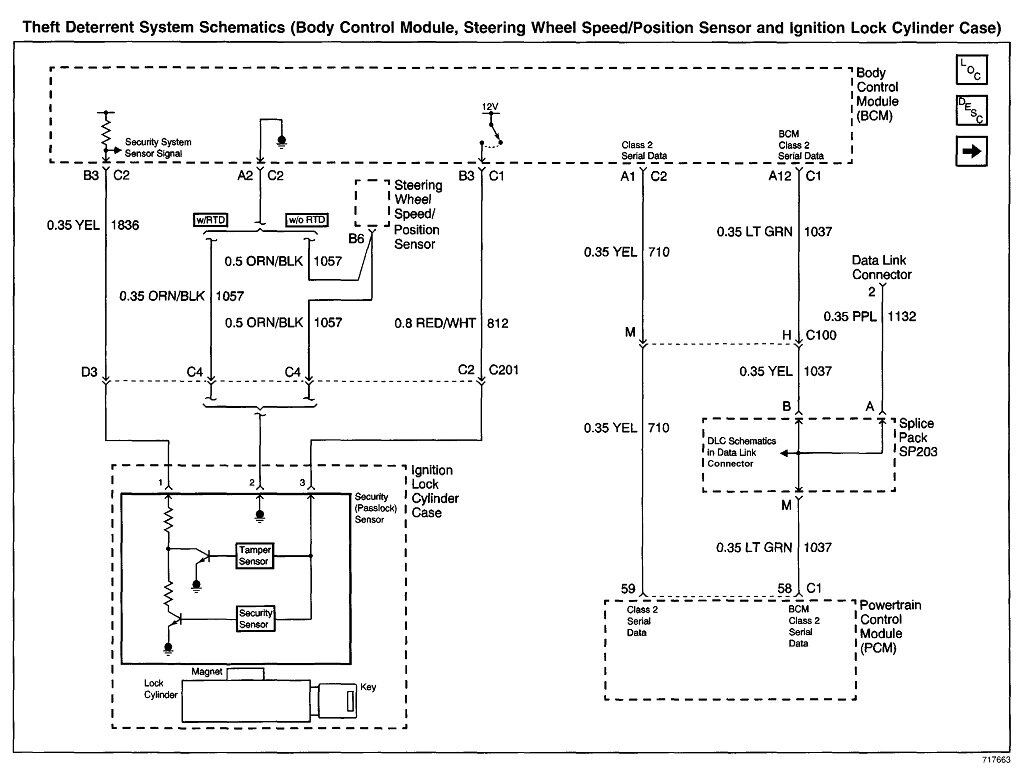
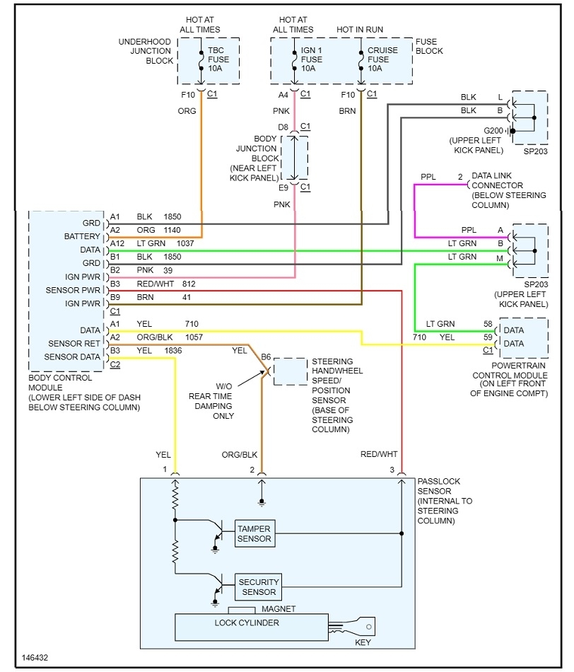
Here's two diagrams for that system. The first one is the manufacturer's and the second is the aftermarket version. Both show the PassLock sensor at the bottom.
I'd have to see what the pins look like to figure out how to make them make a better contact. All GM dealer's part departments have multiple huge kits with all the connector terminals available separately, but I don't know if that includes individual pins for that connector. Something needs to be done to make them fit tighter.

If that sensor has a bad wire connection, it is supposed to disable the injectors. The starter should still crank normally, unless something has changed in the design of the system. From what I remember, that sensor shouldn't affect the starter operation.
Was this
answer
helpful?
Yes
No
Friday, April 28th, 2023 AT 7:18 PM

Please login or register to post a reply.

Related Engine Not Running Content