Does not start dashboard lights do not turn on

Tiny
MASE HOL
  • MEMBER
  • 2002 ISUZU RODEO
  • 2WD
  • AUTOMATIC
  • 149,000 MILES
My car tries to start when I switch from neutral to drive. When I turn the key nothing happens but radio works fine windows are fine but dashboard lights don't come on
Thursday, March 25th, 2021 AT 7:40 PM

3 Replies

Tiny
KASEKENNY
  • MECHANIC
  • 18,907 POSTS
Sounds like we have an ignition switch issue but the way to test this is to check voltage at the starter.

https://youtu.be/dCjmRL3p4Cs

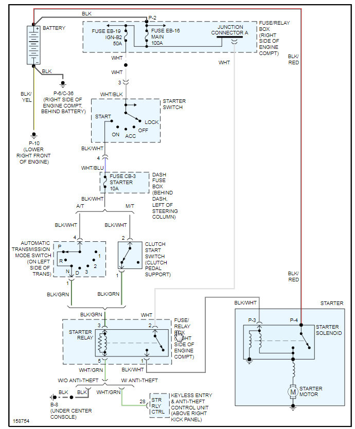
I attached the wiring diagram below for us to check voltage at the starter. Here is a guide that will help with doing this:

https://www.2carpros.com/articles/how-to-check-wiring

We need to have 12 volts on both wires when the key is in the on position. If you have 0 on the black white wire then we need to go back in the system until we find where we have voltage. Let me know if you have questions with this.
Was this
answer
helpful?
Yes
No
Saturday, March 27th, 2021 AT 7:50 AM
Tiny
MASE HOL
  • MEMBER
  • 2 POSTS
We have replaced the ignition switch all together. We also replaced the ECM. The way this all started at first was I hit a pothole and the car just bogged out. Ever since then nothing works right.
Was this
answer
helpful?
Yes
No
Saturday, March 27th, 2021 AT 8:08 AM
Tiny
KASEKENNY
  • MECHANIC
  • 18,907 POSTS
How big was the pot hole? Can you get a video of what this is doing when you try to start it?

Do you hear a click from the starter?
Was this
answer
helpful?
Yes
No
Saturday, March 27th, 2021 AT 6:42 PM

Please login or register to post a reply.