Park light circuit is not working?

Tiny
GAPWELDER22
  • MEMBER
  • 1998 DODGE RAM
  • 5.2L
  • V8
  • 2WD
  • AUTOMATIC
  • 140 MILES
Park light circuit is not working?
Thursday, February 9th, 2023 AT 8:17 PM

1 Reply

Tiny
KEN L
  • MASTER CERTIFIED MECHANIC
  • 55,030 POSTS
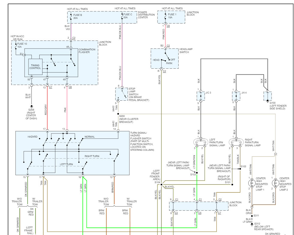
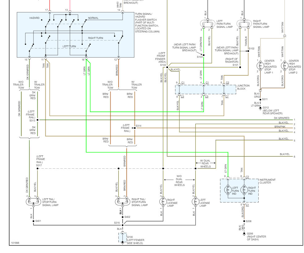
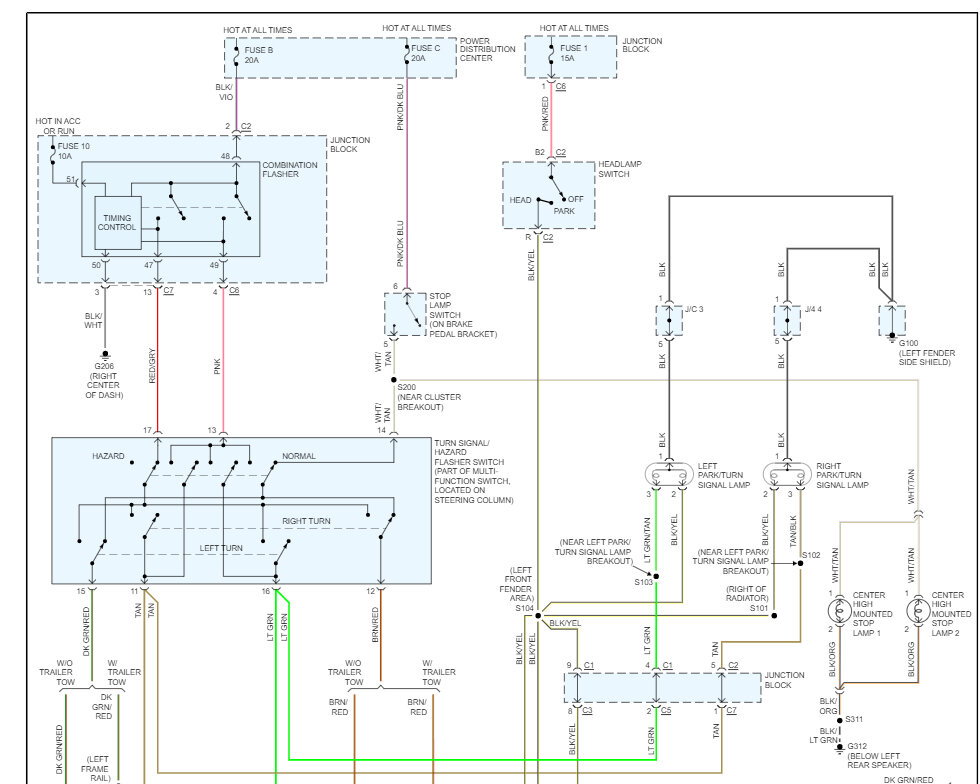
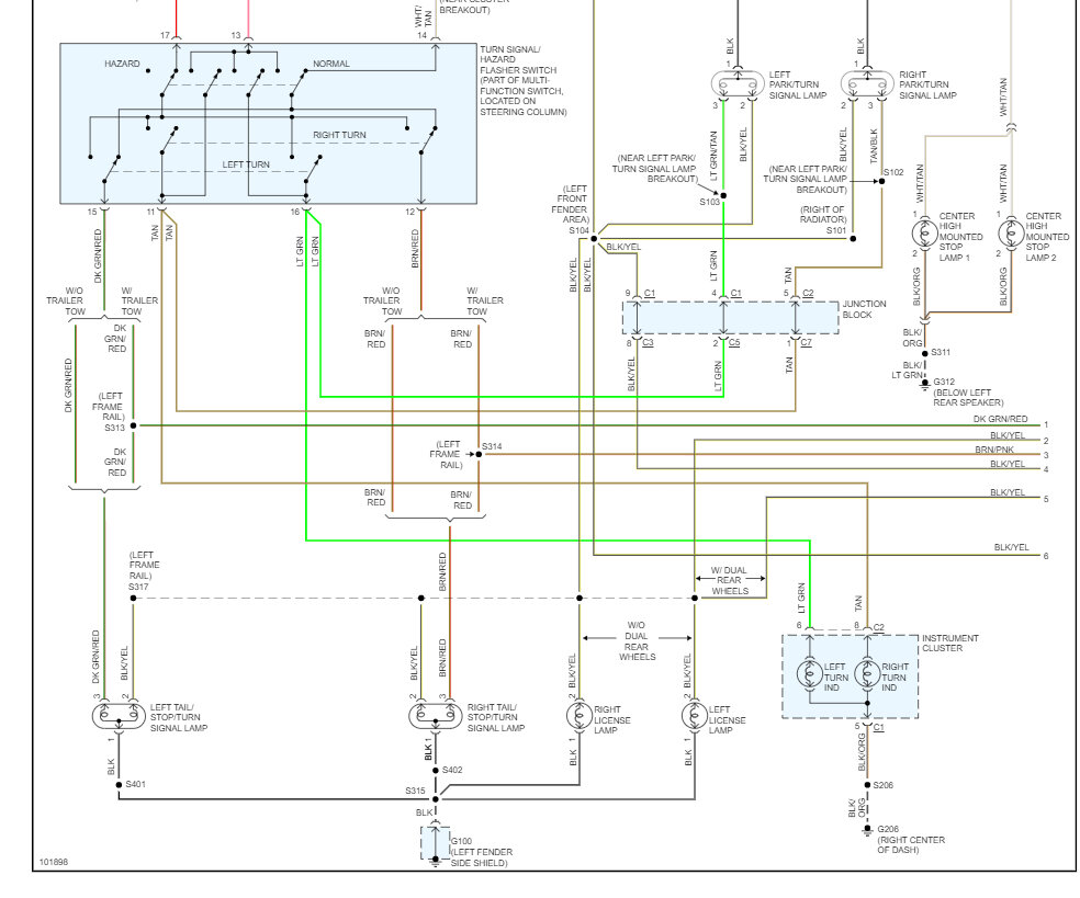
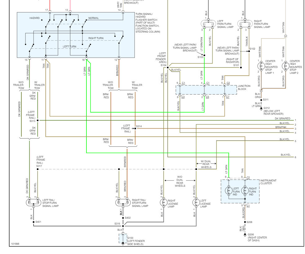
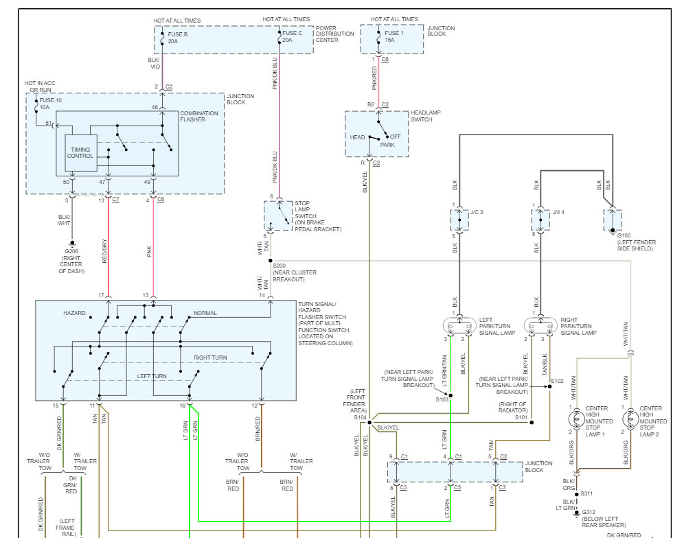
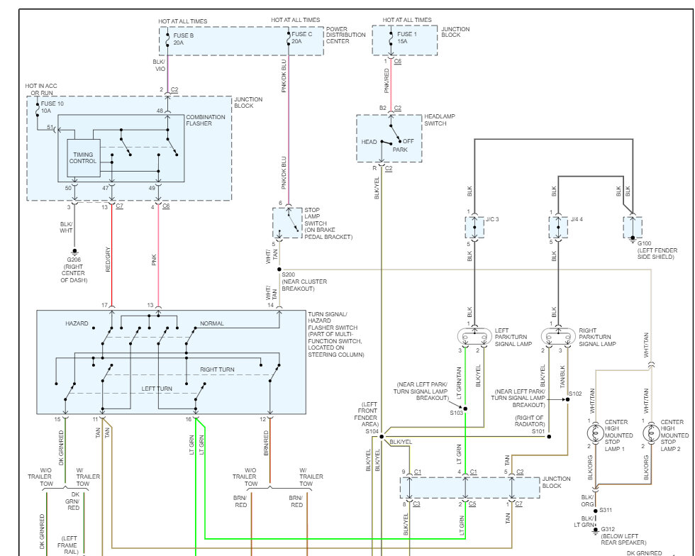
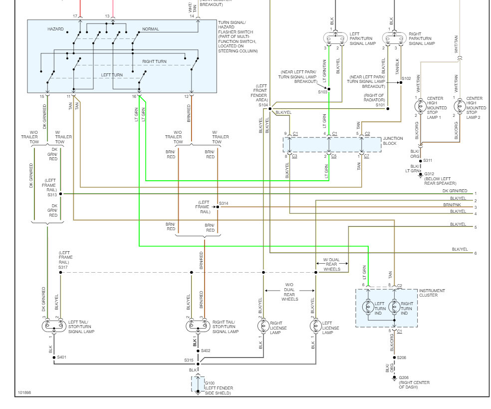
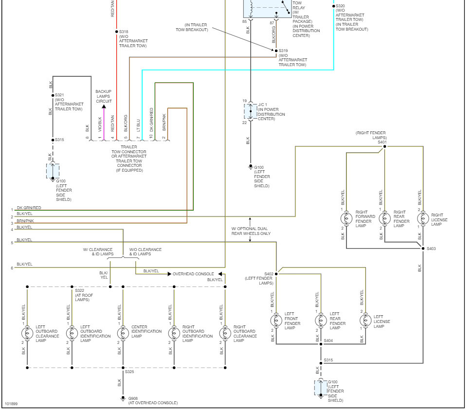
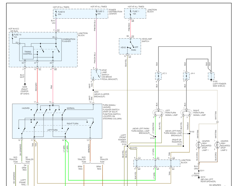
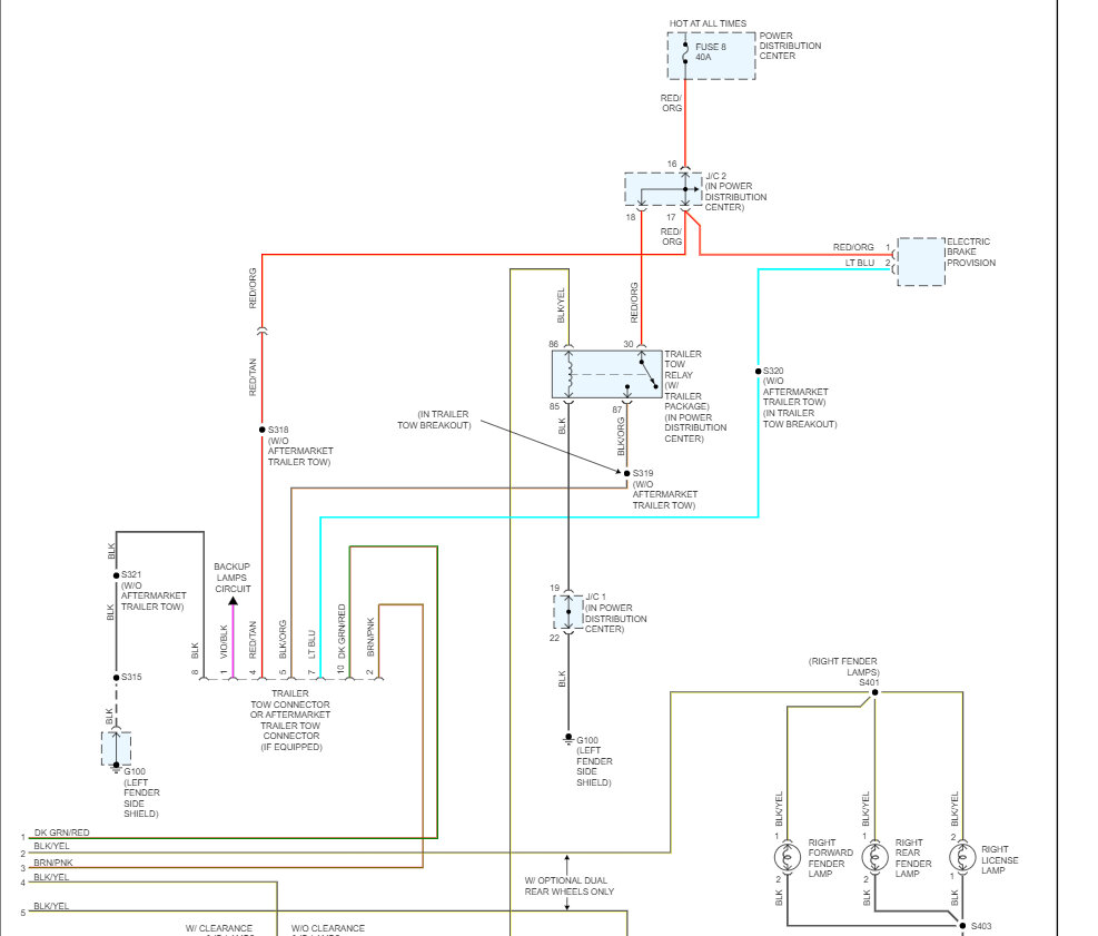
Please check the fuse #1 in the interior fuse panel could be bad. here is a guide to help and the fuse locations as well in the images below. also, I have included the parking light wiring diagrams so you can see how the system works.

https://www.2carpros.com/articles/how-to-check-a-car-fuse

Check out the images (below). Please let us know what you find. We are interested to see what it is.
Was this
answer
helpful?
Yes
No
Friday, February 10th, 2023 AT 10:27 AM

Please login or register to post a reply.