Will not start after replacing the battery

Tiny
ANDREW STAGE
  • MEMBER
  • 1988 NISSAN 300ZX
  • 3.0L
  • V6
  • TURBO
  • 2WD
  • MANUAL
  • 170,000 MILES
The car was working and running fine, I took the battery out, put it back in now it won't start. The dash lights wont come on when I turn the key. The headlights still work but the radio doesn't come on and no crank no start.
Sunday, March 14th, 2021 AT 10:02 AM

8 Replies

Tiny
JACOBANDNICKOLAS
  • MECHANIC
  • 110,192 POSTS
Hi,

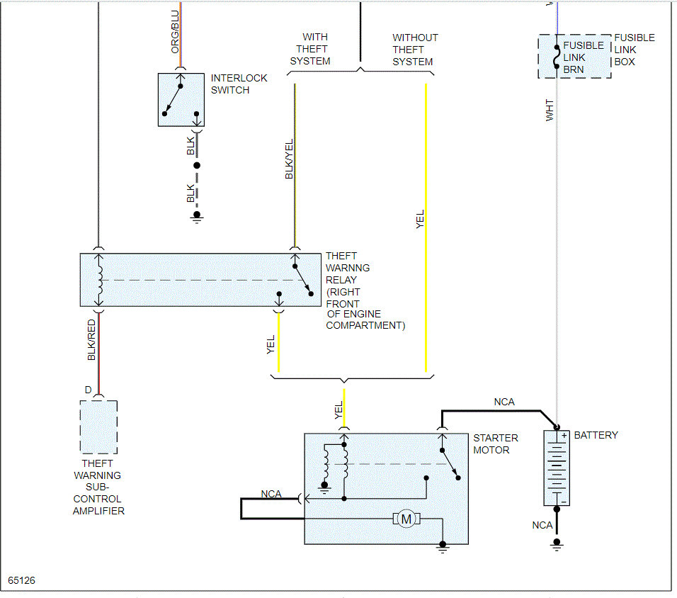
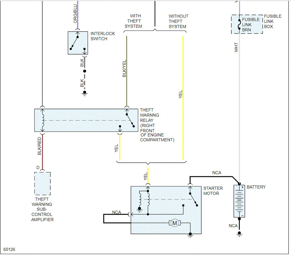
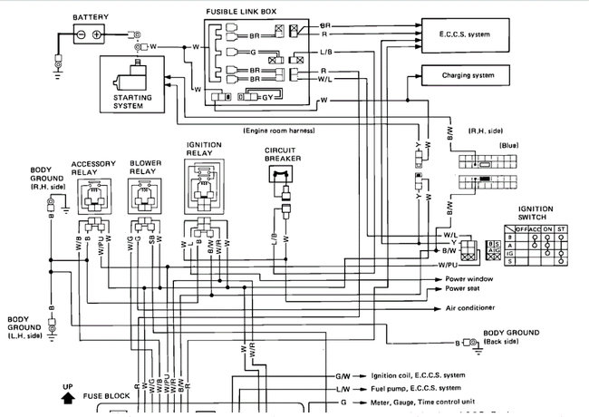
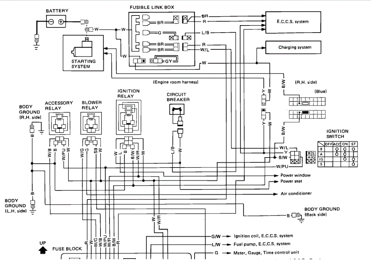
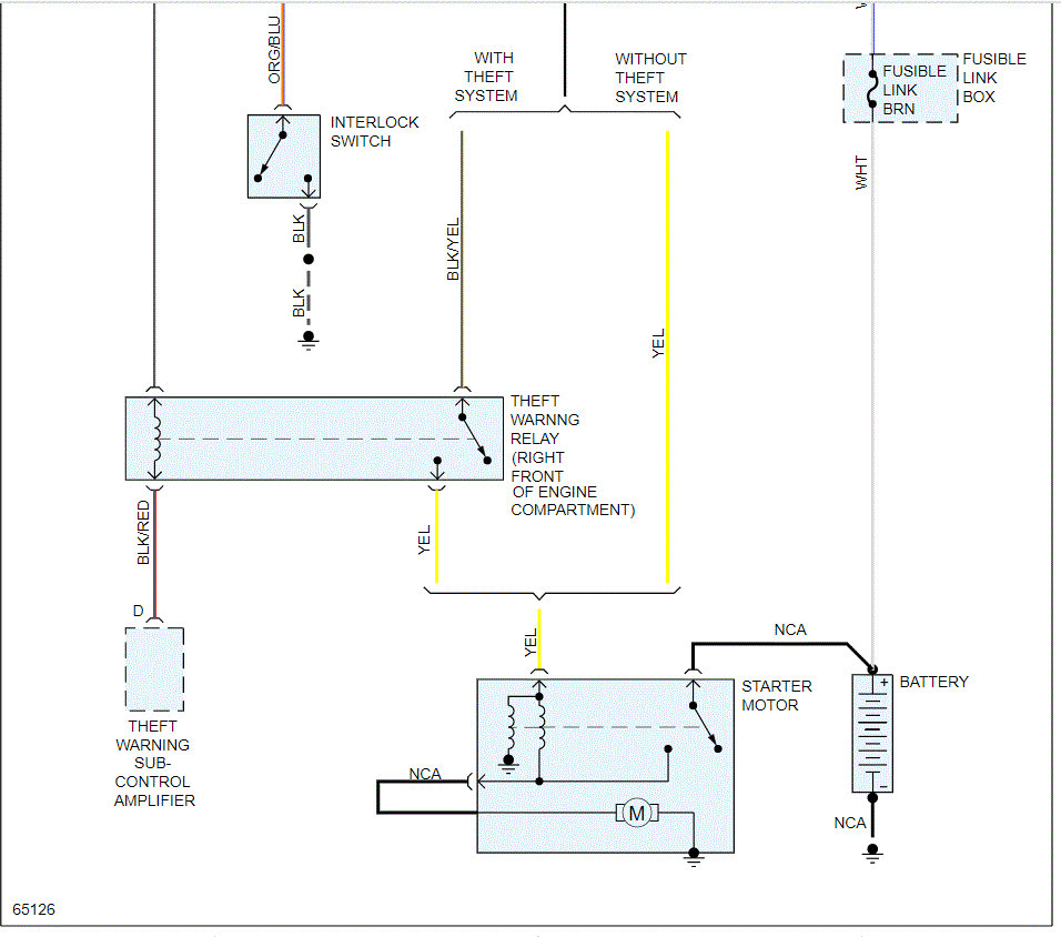
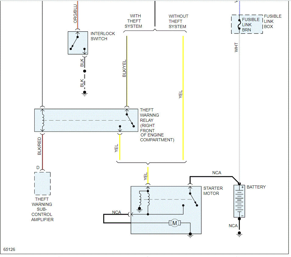
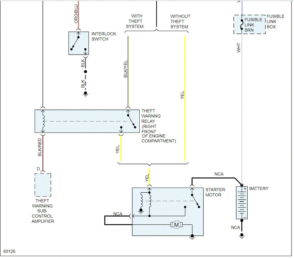
I have a feeling a fusible link is bad. If you look at pics 1and 2 below, I circled a fusible link between the battery and the ignition switch. We need to check if there is power to and from the fusible link. The two pics show the entire wiring schematic for the starting system. I had to cut one pic in half to make it readable. I did overlap them so you could follow them easier.

The fusible link holder is under the hood on the passenger side inner fender. See pic 3. Check for power flow through the link.

Here is a link you may find helpful:

https://www.2carpros.com/articles/how-to-check-a-car-fuse

Let me know what you find or if you have other questions.

Take care and God Bless,

Joe

Was this
answer
helpful?
Yes
No
Monday, March 15th, 2021 AT 7:57 PM
Tiny
ANDREW STAGE
  • MEMBER
  • 5 POSTS
Joe,

I checked the white/blue wire and the big white wire but it shows battery voltage in both wires.
Was this
answer
helpful?
Yes
No
Friday, March 19th, 2021 AT 3:44 PM
Tiny
ANDREW STAGE
  • MEMBER
  • 5 POSTS
Is there any way to bypass the safety stuff to get it to start?
Was this
answer
helpful?
Yes
No
Friday, March 19th, 2021 AT 4:09 PM
Tiny
JACOBANDNICKOLAS
  • MECHANIC
  • 110,192 POSTS
Hi,

It can't be bypassed. Did you check both sides of the fusible link for power?

Joe
Was this
answer
helpful?
Yes
No
Friday, March 19th, 2021 AT 7:09 PM
Tiny
ANDREW STAGE
  • MEMBER
  • 5 POSTS
Yes, or at least I think I did. Are you talking about the two actual fuse wires or the white and blue on the bottom/the main white power wire going to the fuse wires? Those are the ones I checked. I didn't actually probe the two fuse wires on top but I did check the white/blue one and the main power wire going to those two top fuse wires.
Was this
answer
helpful?
Yes
No
Friday, March 19th, 2021 AT 7:34 PM
Tiny
JACOBANDNICKOLAS
  • MECHANIC
  • 110,192 POSTS
Hi,

The white one comes from the battery. It should have power. Then, it goes through a fusible link and into a white wire with a blue tracer. That is the one I am most interested in. If the fusible link is bad, it won't have power.

Let me know.

Joe
Was this
answer
helpful?
Yes
No
Friday, March 19th, 2021 AT 9:27 PM
Tiny
ANDREW STAGE
  • MEMBER
  • 5 POSTS
They both have power, thank you for your help btw!
Was this
answer
helpful?
Yes
No
Friday, March 19th, 2021 AT 10:13 PM
Tiny
JACOBANDNICKOLAS
  • MECHANIC
  • 110,192 POSTS
Hi,

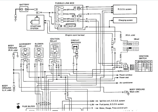
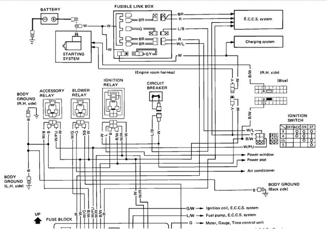
You are very welcome. This is a tough one because of the model year. I have very limited wiring schematics.

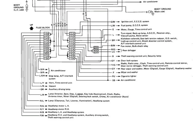
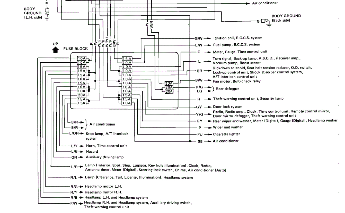
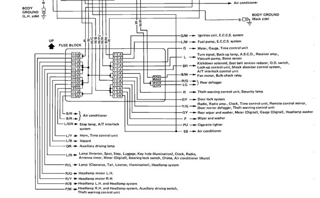
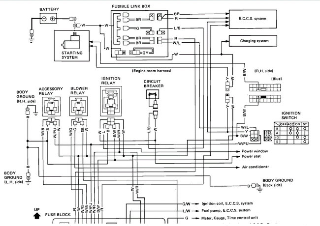
I attached the power distribution schematic below. I know the lights work, but the other things you mentioned seem to be through the ignition switch. What I need you to do is follow the wiring schematic below from the fusible links back to the ignition switch. See if you lose power at any point.

I had to cut the schematic in two so you could read it. I overlapped the pics so you can follow them easier. Also, here is a link you may find helpful:

https://www.2carpros.com/articles/how-to-check-wiring

Let me know what you find.

Joe
Was this
answer
helpful?
Yes
No
Saturday, March 20th, 2021 AT 9:16 PM

Please login or register to post a reply.