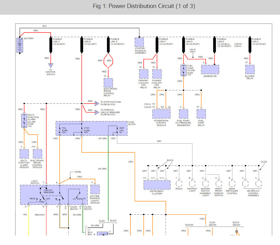
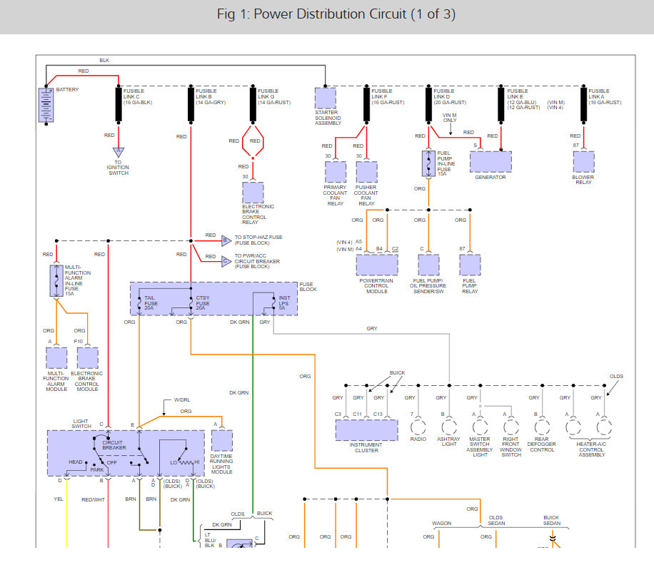
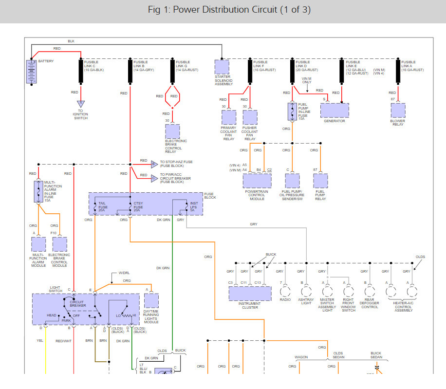
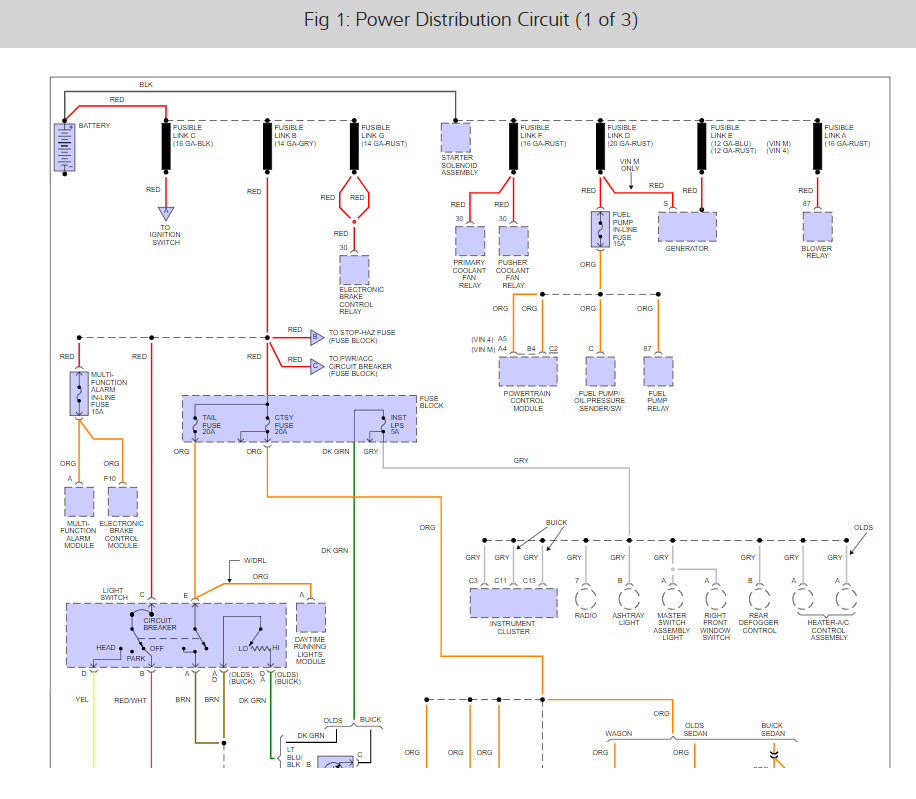
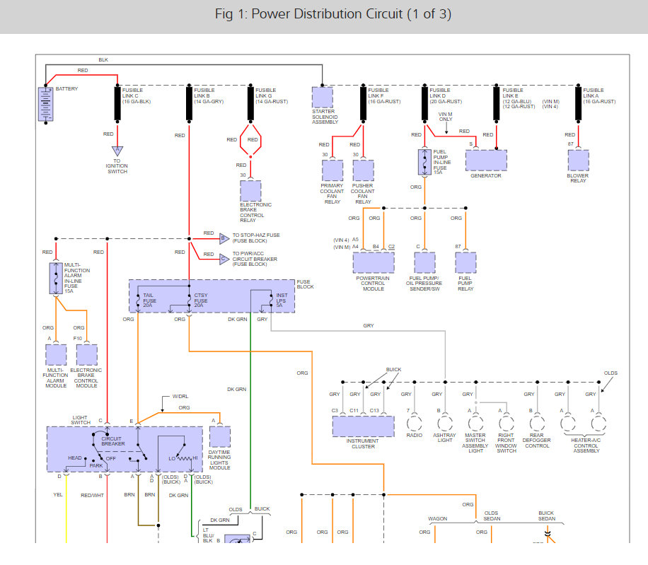
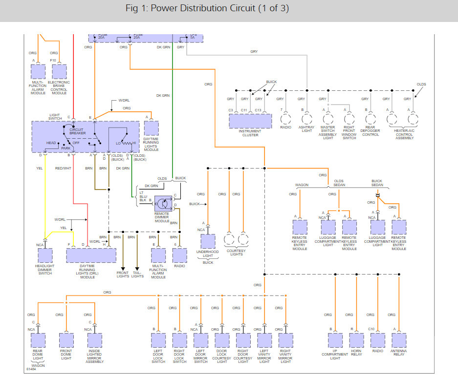
Friday, August 26th, 2022 AT 11:45 PM
Need wiring diagram for the car listed above because various systems are not completely working. Issues w headlights, park lights, cig lighter, radio, etc.







