HOME
ASK A QUESTION
REPAIR GUIDES
BECOME A MEMBER
LOG IN
Login with Facebook
OR
Remember me
NOT A MEMBER?
FORGOT PASSWORD?
CONTACT US
PRIVACY POLICY
TERMS AND CONDITIONS
☰
Home
Buick
Century
Exterior Light
Headlight
2003 Buick Century head lights
JUNIOR212
MEMBER
2003 BUICK CENTURY
111,250 MILES
How to turn them on when the automatic lights don't cut on?
Saturday, May 30th, 2015 AT 9:18 PM
1 Reply
HMAC300
MECHANIC
48,601 POSTS
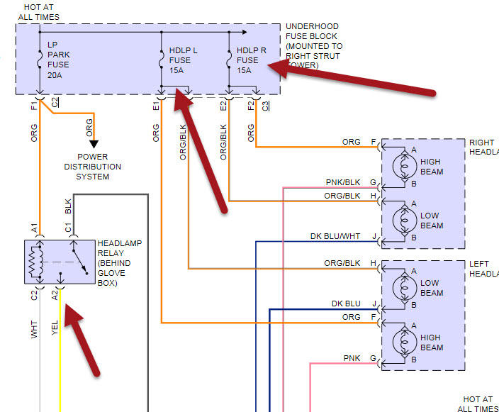
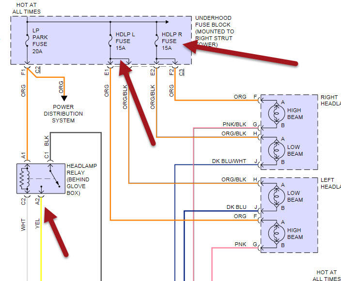
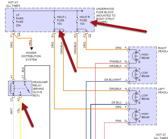
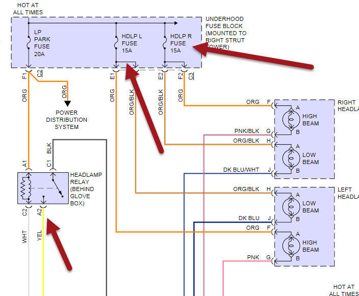
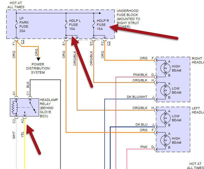
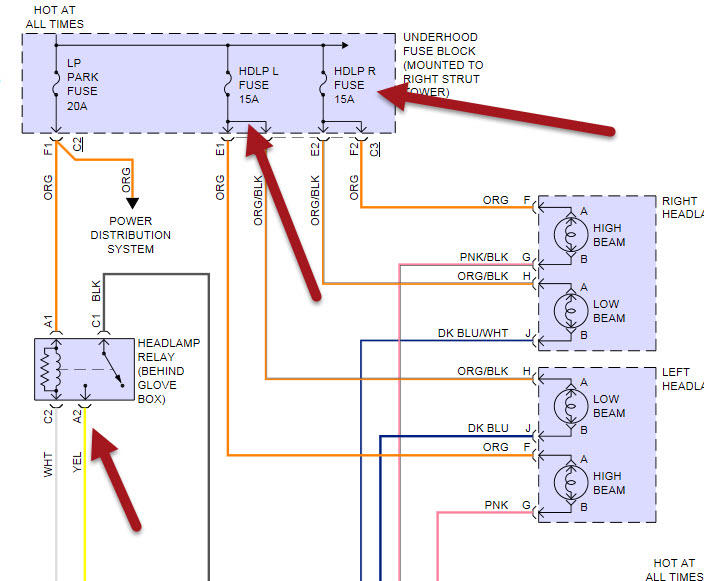
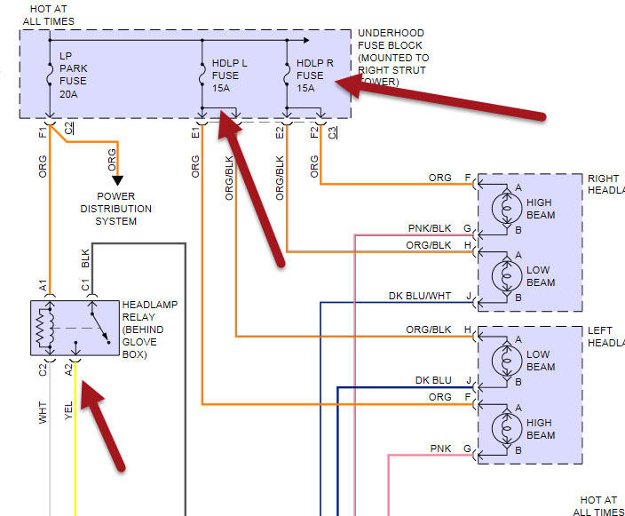
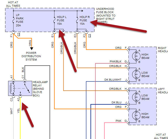
Check items in pic under hood then have it scanned to see if it's a body module problem.
Image (Click to make bigger)
Was this
answer
helpful?
Yes
No
-1
Sunday, May 31st, 2015 AT 8:36 AM
Please
login
or
register
to post a reply.
Related Headlight Content
Buick Century Headlights Quit
Last Week While Driving At Night, Suddely All Of The Lights. Headlights, Panel Lights, Courtesy Lights. Everything Went Off. Lights All...
Asked by
joenjoyce
·
1 ANSWER
BUICK CENTURY
VIDEO
Headlight Lens Replacement
Instructional repair video
GUIDE
Headlight Bulb Replacement
The headlight bulb is located inside a water tight headlight lens connected to the wiring harness using a weather tight electrical plug to help repel damage causing moisture...
1998 Buick Century Turn Indicator
How Do I Change The Bulb? Left Side, Rear. I Don't Know How To Get In To The Cluster.
Asked by
allanrm
·
6 ANSWERS
1998
BUICK CENTURY
2001 Buick Century Turn Signals
Electrical Problem 2001 Buick Century 6 Cyl Wheel Drive Type Unknown Automatic 94000 Miles My Left Turn Signal Is Flashing Very Fast...
Asked by
pandres
·
4 ANSWERS
2001
BUICK CENTURY
1997 Buick Century Anti Lock Break Light
Hello, So My Antilock Break Light Came On. I Took It To A Shop And They Told Me Thing Is Wrong With It But My Light Is Still On. Is...
Asked by
kmetzger0712
·
2 ANSWERS
1997
BUICK CENTURY
Ask a Car Question. It's Free!
Replace Headlight and Blinker Bulbs BMW 328i
Headlight and Bulb Replacement Ford F-150
Headlight Bulb Replacement Dodge Caravan