Right front turn signal light not flashing?

Tiny
NAELCAMRETEP
  • MEMBER
  • 2011 GMC SIERRA
  • 4.8L
  • V8
  • 4WD
  • AUTOMATIC
  • 200,000 MILES
Right front signal lights will not flash, bulbs are good.
Tuesday, April 25th, 2023 AT 3:10 PM

7 Replies

Tiny
BRENDON S
  • MECHANIC
  • 653 POSTS
Good morning, NaelcaMreteP,

Does the right front blink when Hazard lights are turned on? Any other lights out?

Does everything work in the rear? Hazards and Turn Signals?

Thank you,
Brendon
Was this
answer
helpful?
Yes
No
+1
Thursday, April 27th, 2023 AT 5:41 AM
Tiny
NAELCAMRETEP
  • MEMBER
  • 7 POSTS
Rear works as it should but front right signal does not flash off of switch or hazards.
Was this
answer
helpful?
Yes
No
Thursday, April 27th, 2023 AT 3:26 PM
Tiny
BRENDON S
  • MECHANIC
  • 653 POSTS
Good morning, NaelcaMreteP,

Ok. That's good. It looks like the turn signals in the front are wire in series. So just like a Christmas tree, one bulb goes out and none of the bulbs work after it. I think that is what might be going on here.

I know you checked the bulbs but sometimes bulbs and fuses can look good but are actually bad and overlooked. It is also always a good idea to double check these things. especially because these bulbs have 2 filaments, one for the turn signal and one for the running lights. So, the running lights will work but the turn signal will not.

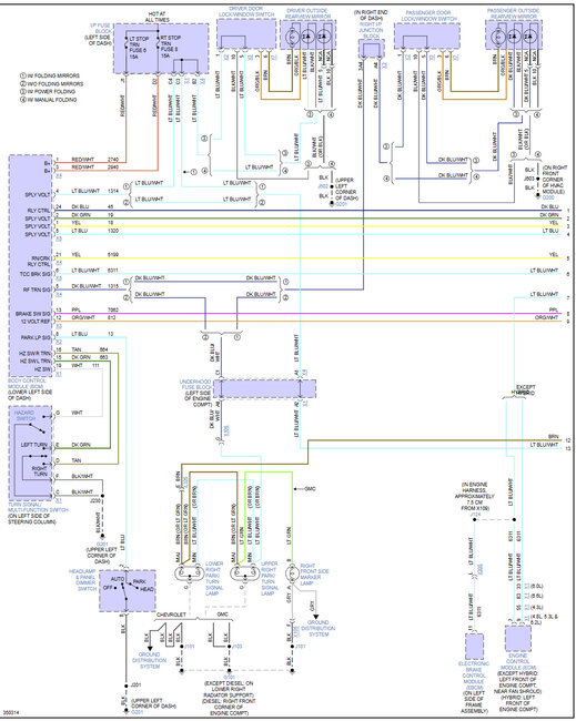
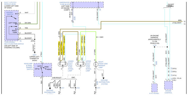
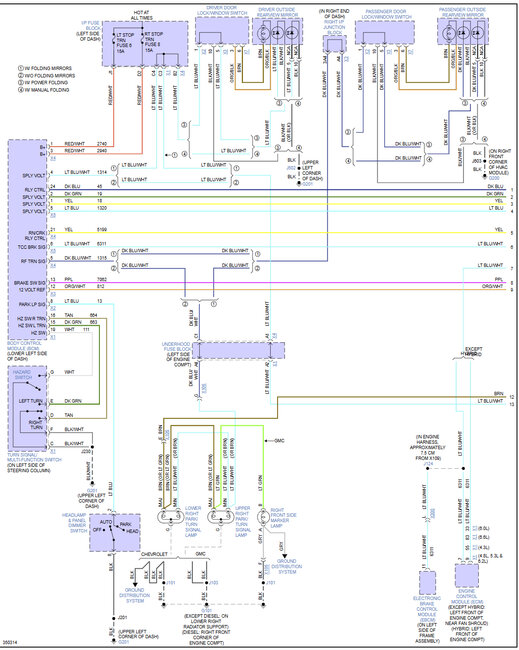
So, with that being said it looks like the signal comes in the top bulb then goes to the bottom bulb rather than them having their own separate power wire. This is the "LT BLU/WHT" or light blue with white tracer or stripe wire in the attached wiring diagram.

I would try switching the 2 bulbs, the lower with the top and top with the lower and see if one starts to blink.

I believe the bottom bulb is really hard to get to so you might want to grab 2 new ones and replace them since you will be removing them and the air box. We need to rule out the bulbs are indeed bad and not causing the issue. The last thing we want to do is overlook a $2 dollar bulb and have to go through the entire truck wiring for no reason.

We will also want to check for power at the blue wire with a test light by back probing with a pin at the connector and a known good ground. A spot on the body or negative battery terminal should be sufficient.

I have added the pins I use for testing. You can find them at Walmart in the crafts section and the test light can be found at your local parts store.

You will need to remove the air box to do this. I am adding instructions on how to do that for you along with a wiring diagram of the right-side turn signal circuit.

It looks like the turn signal comes from the under-hood fuse box and then from there goes to the Body Control Module or BCM.

So, another thing I would check is my fuses in the under-hood fuse box. Unfortunately, I don't have a diagram for you to tell you which fuses it is and I apologize for that.

These articles will help with the use of a test light and checking fuses:
https://www.2carpros.com/articles/how-to-use-a-test-light-circuit-tester

https://www.2carpros.com/articles/how-to-check-a-car-fuse

It's possible the issue is around the bulb area itself because all the other lights work. The parking light circuit and turn signal circuit both share the same ground so since the park lamps work, we know the ground should be good.

So, check your fuses first with them installed using the test light because this is the easiest to get to. If you find that all fuses are good, remove the air box, and remove both bulbs and switch them around. While the bulb is out, check for any corrosion or damage to the sockets. If after switching the bulbs around or replacing them completely(recommended) and still nothing is working proceed to start testing the light blue wire with the white tracer by using a pin to back probe the connector. Then hook one end of the test light to ground (clean surface on the body or a bolt is best) and see if it blinks. Make sure to test both connectors this way.

One thing I would like to note is to be very careful with the test light as it does not have any protection like a fuse in it and if you touch the wrong thing, you could cause an even bigger issue.

Also, back-probing is best because if the test light is inserted into the plug, it will damage it.

Let me know if you need any help through these tests or if I can give you any other information.

90% of the time the simplest answer is the correct one, so make sure to check everything and not skip anything.

The part number for the bulbs should be 4157na.

Thank you,
Brendon
Was this
answer
helpful?
Yes
No
-1
Friday, April 28th, 2023 AT 5:19 AM
Tiny
NAELCAMRETEP
  • MEMBER
  • 7 POSTS
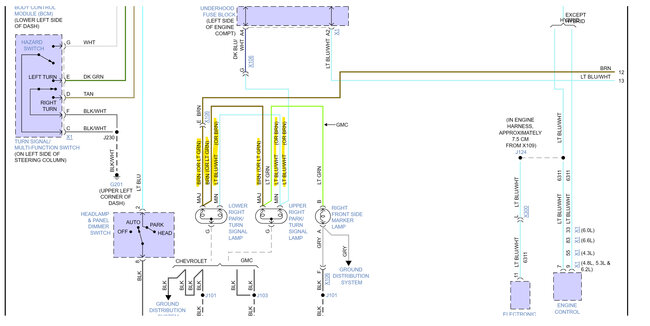
This 2011 Silverado does not have a light blue wire with white tracer. It has two green, two tan wires and black going to top bulb and continuing to bottom bulb. When signal switch is activated the signal filament in both bulbs go steady burn. But I can hear a flasher sound under the hood but the bulbs do not flash.
Was this
answer
helpful?
Yes
No
Tuesday, May 23rd, 2023 AT 3:05 PM
Tiny
BRENDON S
  • MECHANIC
  • 653 POSTS
Hello NAELCAMRETEP,

When you first asked the question, you said the vehicle was a 2011 GMC Sierra with a 4.8L. Could you please confirm what the vehicle is? Year, Make, Model, Sub-model, engine size, auto or manual and 4WD or not. If you would like you may provide your VIN instead.

Thank you,
Brendon
Was this
answer
helpful?
Yes
No
Tuesday, May 23rd, 2023 AT 5:07 PM
Tiny
NAELCAMRETEP
  • MEMBER
  • 7 POSTS
2011 gmc sierra, 4.8 ltr, 4wd, auto.
Was this
answer
helpful?
Yes
No
Thursday, May 25th, 2023 AT 5:31 PM
Tiny
BRENDON S
  • MECHANIC
  • 653 POSTS
Hello NAELCAMRETEP,

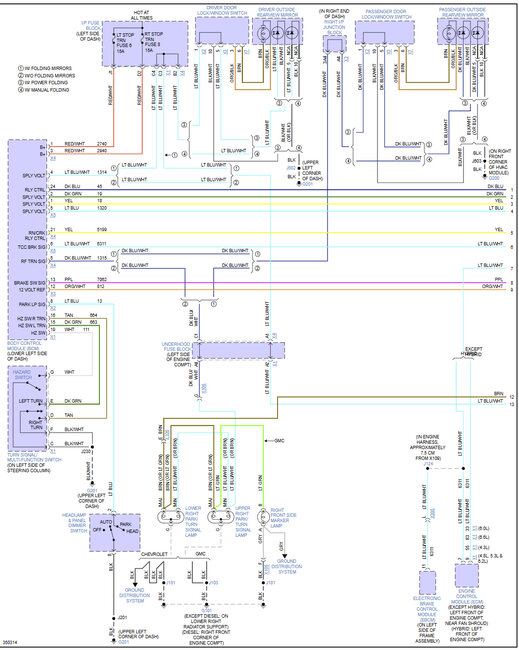
Okay, on the wiring diagram it says the brown wire can be light green and light blue/white can be brown. So that's probably why you're seeing different colors than I originally suggested. I didn't notice them, my apologies. I will re-add this diagram for you.

Since it has been a month since we talked, I just want to make sure I have everything right on my end.

One of your last messages you said the filament in both bulbs lights up when the turn signal is on but does not flash. But you can hear a flasher going off. You also stated the rear works fine. Is this all correct?

If you remove both bulb sockets from the housing leaving the bulb installed in the sockets and turn on the parking lamps and the right turn signal, does each bulb have 2 filaments on?

I want to confirm you have power to all four filaments.

Your turn signal power wire is going to be the 2 tan wires, which were probably once brown. The power for both bulbs is coming into the top bulb for the turn signal circuit only, then extends power to the lower bulb. So, if there is something wrong with the top bulb or the socket for the top bulb the lower bulb will not work either.

Do you have a turn signal on your mirrors and if so, does that work? Also do they fold in and if so power or manual fold?

Let me know what you find so we can go from there.

Thank you,
Brendon
Was this
answer
helpful?
Yes
No
Friday, May 26th, 2023 AT 6:25 AM

Please login or register to post a reply.