Sunday, July 29th, 2012 AT 6:50 PM
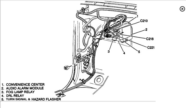
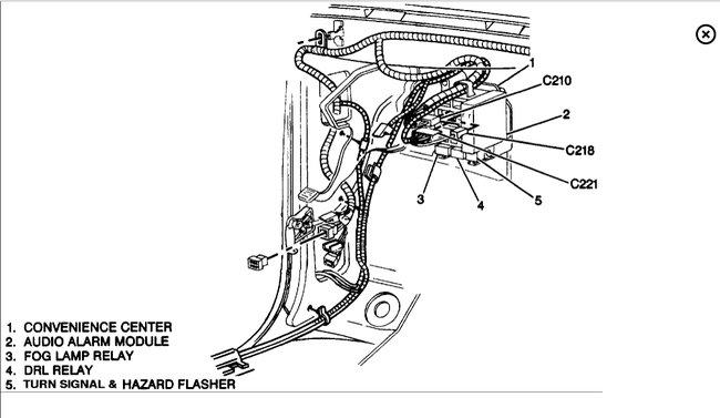
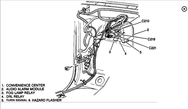
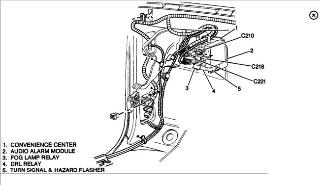
I have located the hazard flasher under the dash behind the brake pedal on the firewall and was wondering if the flasher right next to it is the turn signal flasher because while I was driving I turned on my turn signal and it made a strange buzz noise under my dash and then I had no signal lights and was wondering if this might have burnt out.

