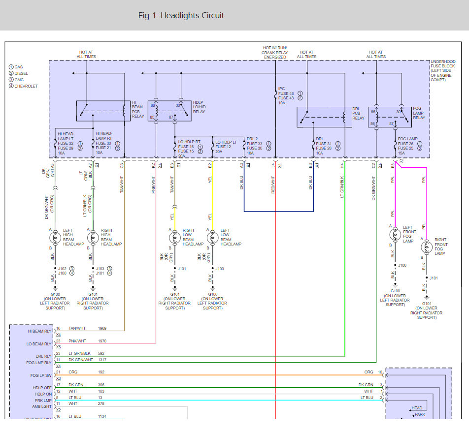
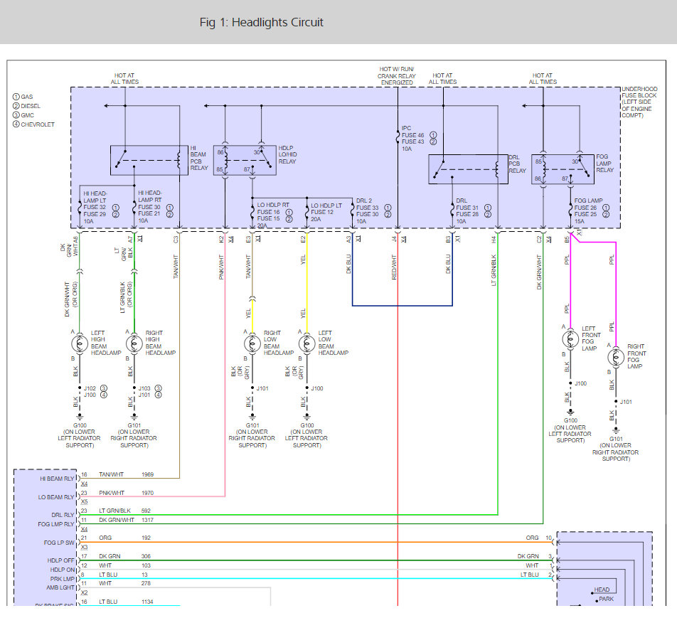
Monday, August 7th, 2017 AT 7:17 PM
My high beams are not working. I checked the fuses. They did not light up, therefore I assumed they were burnt out. After removing them and inspecting them, they seemed fine. I then placed brand new fuses in just as a precautionary measure. Still no high beams. I am stuck I have no idea where to go from here. I have already checked the bulbs and they are fine. Can you please help me out?




