Thursday, April 30th, 2020 AT 7:58 PM
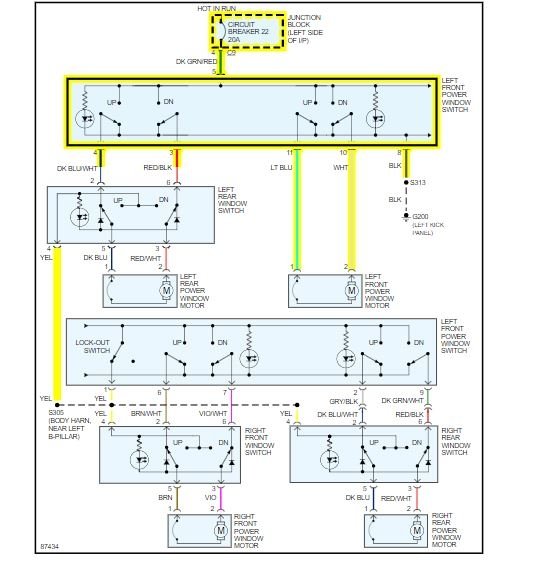
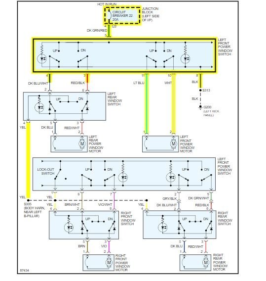
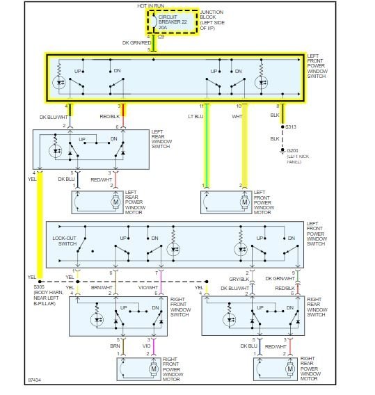
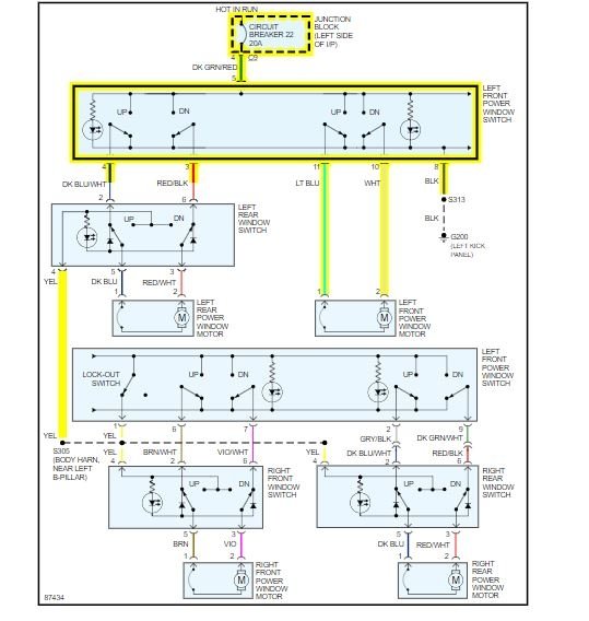
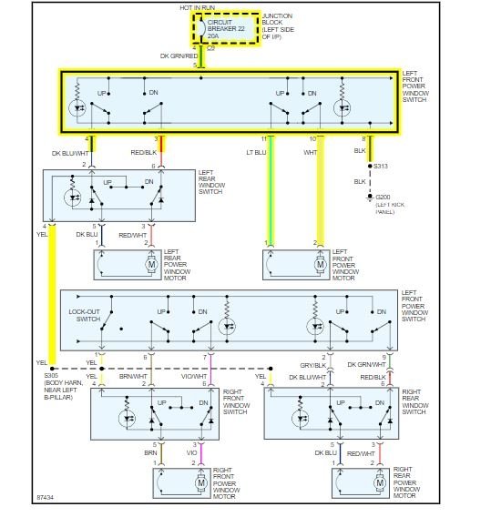
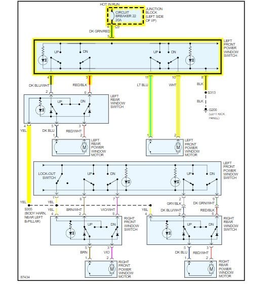
I have the car listed above and the power windows won’t go up or down. I checked the switch seems fine. I am getting power to the switch because the lights turn on on the switches but when I work the switches the lights on the switches dim. Could this be a short in the master switch?

