Wednesday, February 15th, 2023 AT 11:49 PM
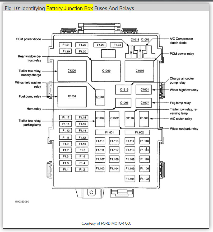
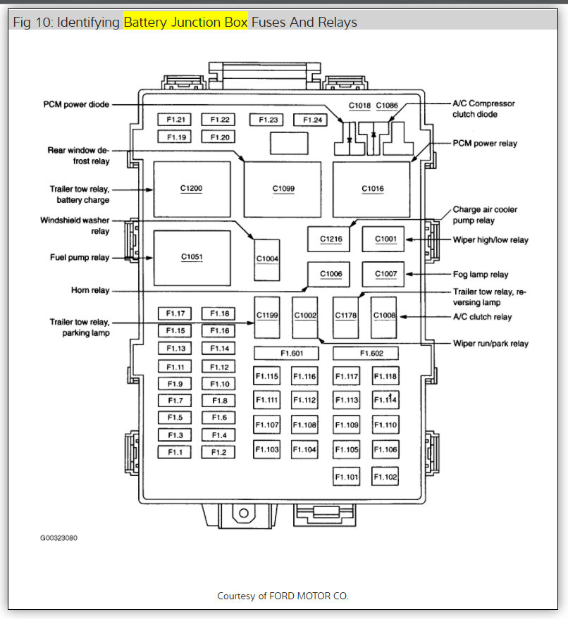
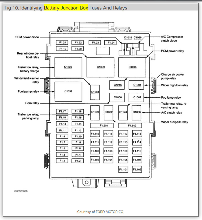
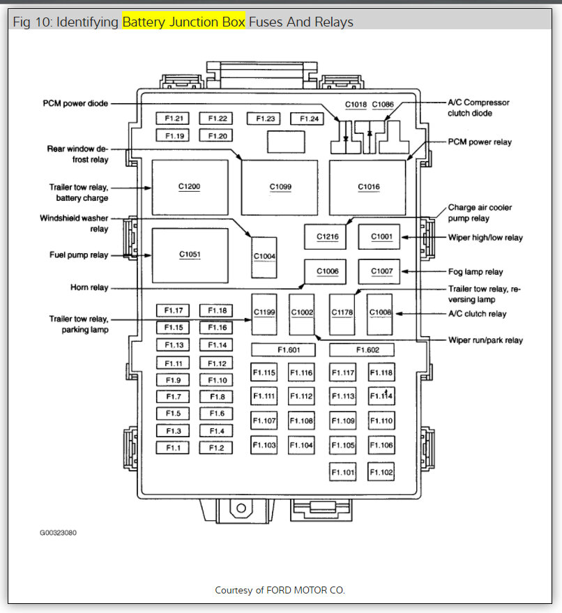
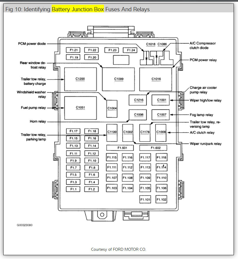
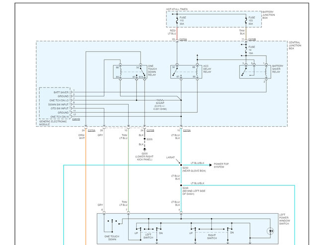
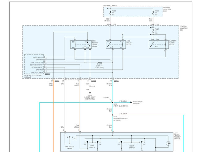
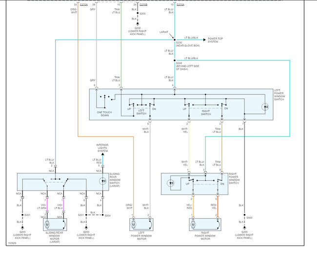
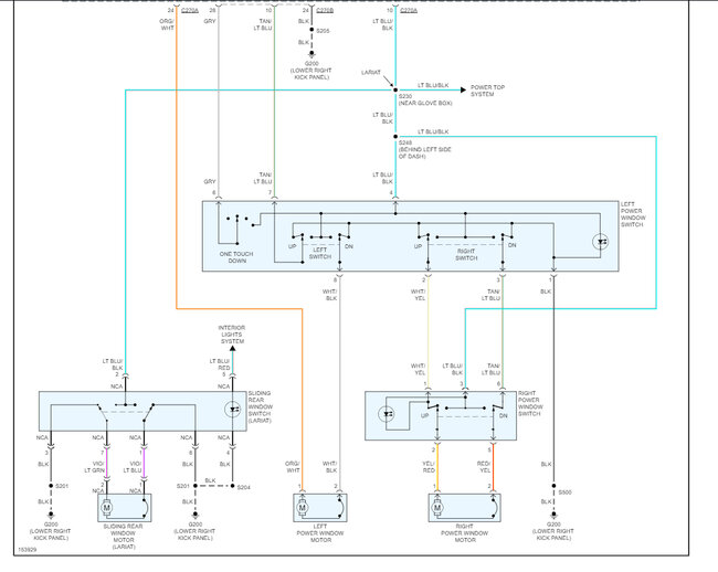
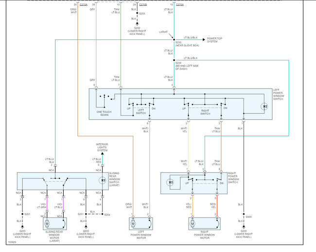
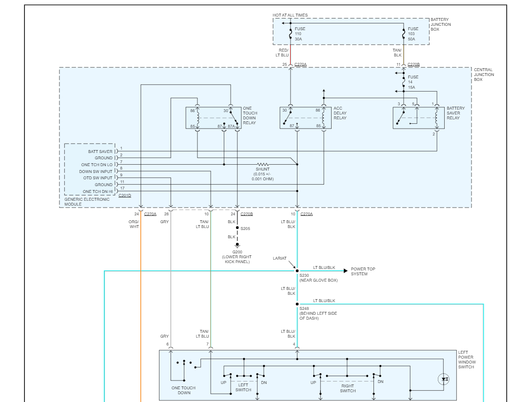
My truck has an electrical issue. I was going to repair the overhead console when I rolled down the driver's front window. When I went to roll it back up it wouldn't go up. I tried the passenger side window from the switch on the driver side. It wouldn't go down. So, I went to the passenger side switch and tried it. It still didn't go down. I pulled the panel off to check the switch and wiring. The guy I bought the truck from cut the wires. I didn't see any that came loose or anything. I checked the fuses and relay. Everything else works. I think it's awfully odd for two switches or two window motors to go out at the same time. I checked the wires for power and ground. It's not getting neither power nor ground. Unless I'm not doing something right. I've watched YouTube videos and I did exactly what they said to do. There is no video dealing with this specific problem. What do you think is the problem? The signal lights work, the wipers work, interior lights work, dash lights work, everything else is fine. The previous owner cut the wires to change the plug I'm guessing. The wires are twisted together instead of done right. Thanks ahead of time. Fuses and relays are good. But no power is getting to the switch. I haven't had any problems with this truck since I purchased it about 3 months ago until now.








