Roy
P0406-EGR POSITION SENSOR CIRCUIT HIGH
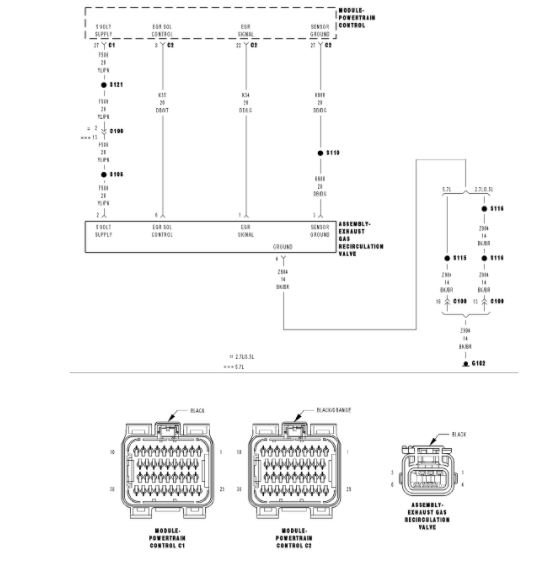
imageOpen In New TabZoom/Print
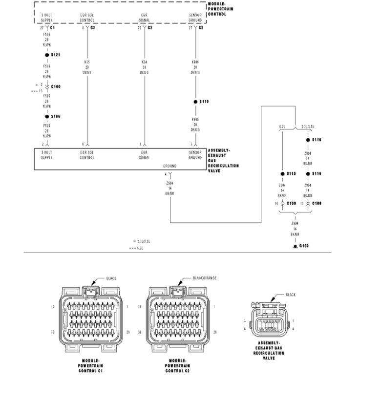
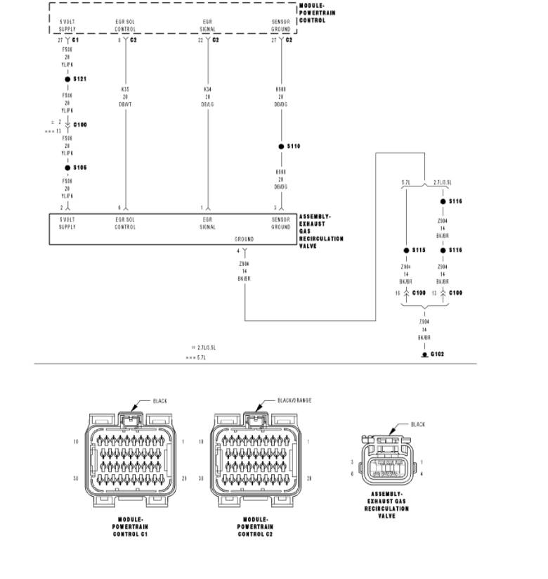
For a complete wiring diagram refer to: Electrical Diagrams
When Monitored
With the ignition on. Battery voltage greater than 10 volts.
Set Condition
EGR position sensor signal is greater than 4.89. One trip Fault.
Possible Causes
- (K34) EGR POSITION SENSOR SIGNAL CIRCUIT SHORTED TO (F856) 5-VOLT SUPPLY CIRCUIT
- (K34) EGR POSITION SENSOR SIGNAL CIRCUIT SHORTED TO BATTERY VOLTAGE
- (K34) EGR POSITION SENSOR SIGNAL CIRCUIT OPEN
- (K900) SENSOR GROUND CIRCUIT OPEN
- EGR SOLENOID ASSEMBLY
- PCM
Always perform the Pre-Diagnostic Troubleshooting procedure before proceeding.
Diagnostic Test
1. EGR POSITION SENSOR VOLTAGE ABOVE 4.5 VOLTS
imageOpen In New TabZoom/Print
Start the engine.
With the scan tool, read the EGR Position Sensor voltage.
Is the voltage above 4.5 volts?
Yes >> Go To 2
No >> Go To 8
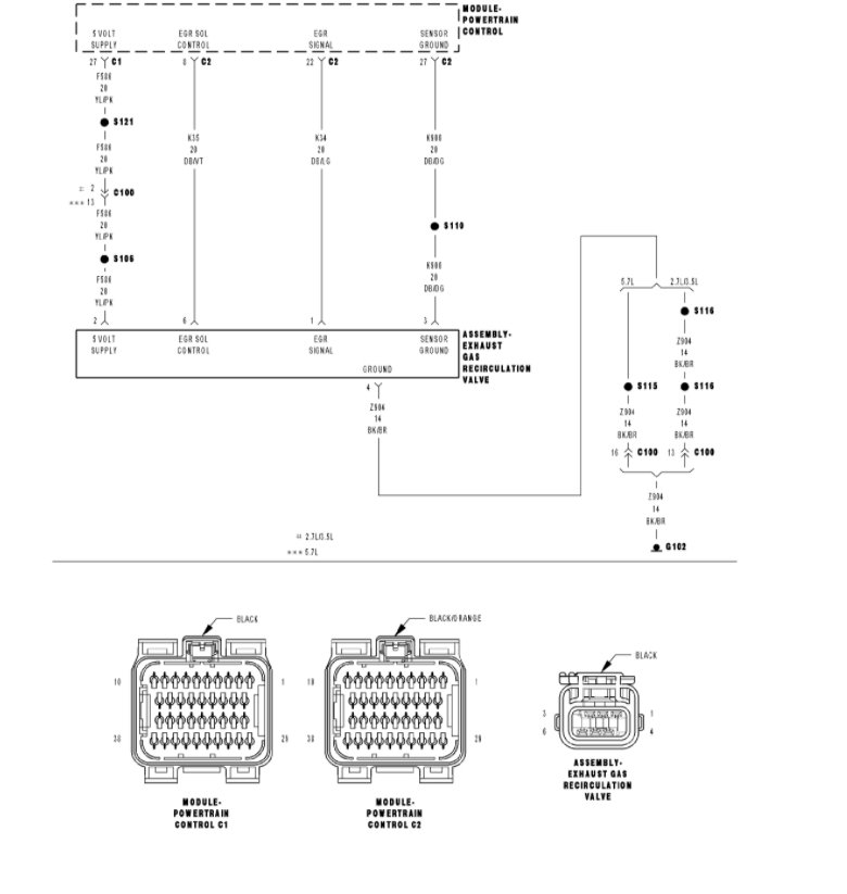
2. (K34) EGR POSITION SENSOR SIGNAL CIRCUIT SHORTED TO THE (F856) 5-VOLT SUPPLY CIRCUIT
imageOpen In New TabZoom/Print
Turn the ignition off.
Disconnect the EGR Solenoid harness connector. Disconnect the PCM harness connectors.
Measure the resistance between the (K34) EGR Position Sensor Signal circuit and the (F856) 5-volt Supply circuit in the EGR Solenoid harness connector.
Is the resistance below 100 ohms?
Yes >> Repair the short between the (K34) EGR Position Sensor Signal circuit and the (F856) 5-volt Supply circuit.
Perform POWERTRAIN VERIFICATION TEST. See: A L L Diagnostic Trouble Codes ( DTC ) > Verification Tests > Powertrain Verification Test
No >> Go To 3
3. (K34) EGR POSITION SENSOR SIGNAL CIRCUIT SHORTED TO BATTERY VOLTAGE
imageOpen In New TabZoom/Print
Ignition on, engine not running.
Measure the voltage on the (K34) EGR Sensor Signal circuit in the EGR Solenoid harness connector.
Is the voltage above 0 volts?
Yes >> Repair the short to battery voltage in the (K34) EGR Position Sensor Signal circuit.
Perform POWERTRAIN VERIFICATION TEST. See: A L L Diagnostic Trouble Codes ( DTC ) > Verification Tests > Powertrain Verification Test
No >> Go To 4
4. EGR SOLENOID ASSEMBLY
imageOpen In New TabZoom/Print
Turn the ignition off.
Connect the PCM harness connectors.
Connect a jumper wire between the (K34) EGR Position Sensor Signal circuit and the (K900) Sensor ground circuit.
With the scan tool, monitor the EGR Position Sensor voltage. Ignition on, engine not running.
Is the voltage below 0.5 of a volt?
Yes >> Replace the EGR Solenoid Assembly.
Perform POWERTRAIN VERIFICATION TEST. See: A L L Diagnostic Trouble Codes ( DTC ) > Verification Tests > Powertrain Verification Test
No >> Go To 5
NOTE: Remove the jumper wire before continuing.
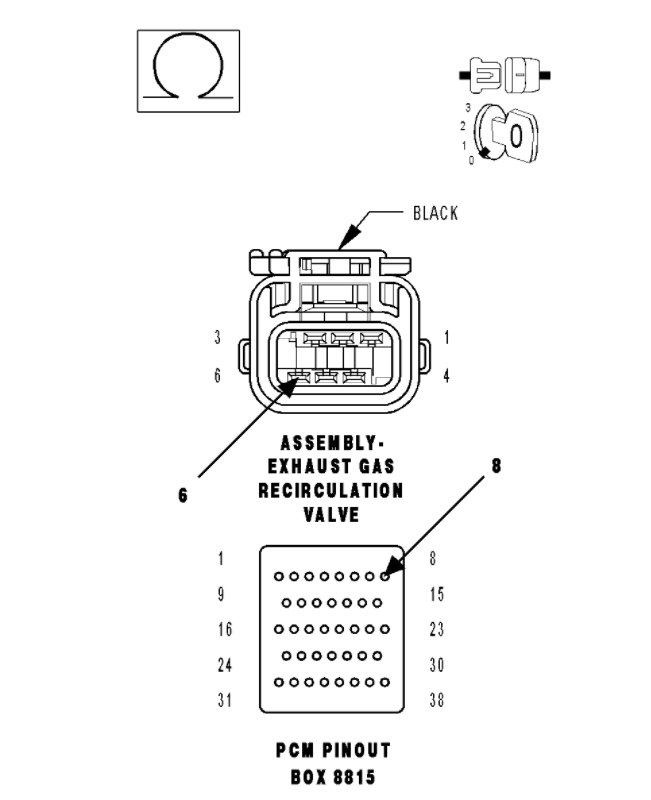
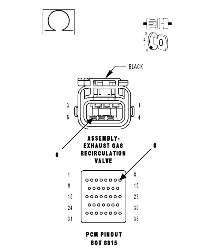
5. (K34) EGR POSITION SENSOR SIGNAL CIRCUIT OPEN
imageOpen In New TabZoom/Print
Turn the ignition off.
Disconnect the PCM harness connectors.
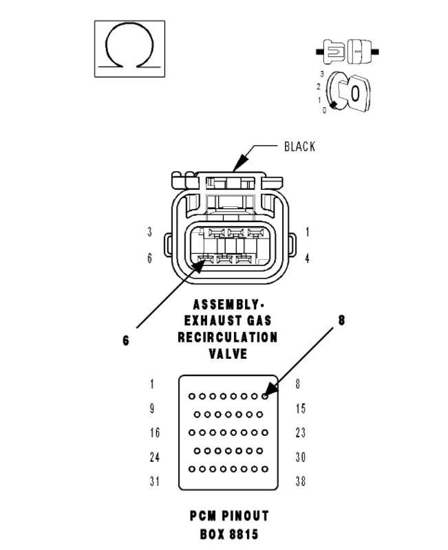
CAUTION: Do not probe the PCM harness connectors. Probing the PCM harness connectors will damage the PCM terminals resulting in poor terminal to pin connection. Install Miller Special Tool #8815 to perform diagnosis.
Measure the resistance of the (K34) EGR Position Sensor Signal circuit from the EGR Solenoid harness connector to the appropriate terminal of special tool #8815.
Is the resistance below 5.0 ohms?
Yes >> Go To 6
No >> Repair the open in the (K34) EGR Position Sensor Signal circuit.
Perform POWERTRAIN VERIFICATION TEST. See: A L L Diagnostic Trouble Codes ( DTC ) > Verification Tests > Powertrain Verification Test
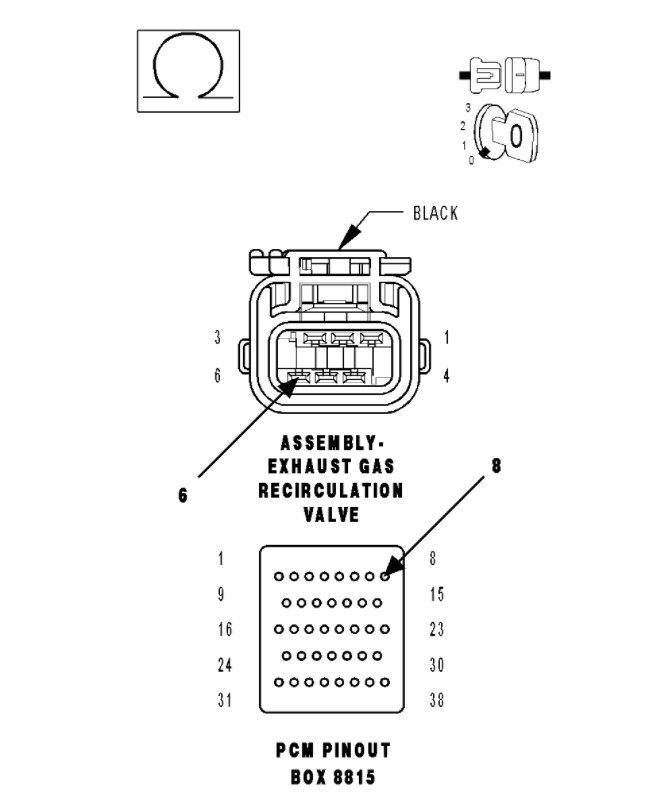
6. (K900) SENSOR GROUND CIRCUIT OPEN
imageOpen In New TabZoom/Print
Measure the resistance of the (K900) Sensor ground circuit from the EGR Solenoid harness connector to the appropriate terminal of special tool #8815.
Is the resistance below 30 ohms?
Yes >> Go To 7
No >> Repair the open in the (K900) Sensor ground circuit.
Perform POWERTRAIN VERIFICATION TEST. See: A L L Diagnostic Trouble Codes ( DTC ) > Verification Tests > Powertrain Verification Test
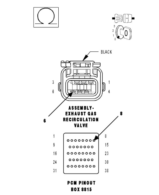
7. PCM
NOTE: Before continuing, check the PCM harness connector terminals for corrosion, damage, or terminal push out. Repair as necessary.
Using the schematics as a guide, inspect the wire harness and connectors. Pay particular attention to all Power and Ground circuits.
Were there any problems found?
Yes >> Repair as necessary
Perform POWERTRAIN VERIFICATION TEST. See: A L L Diagnostic Trouble Codes ( DTC ) > Verification Tests > Powertrain Verification Test
No >> Replace and program the Powertrain Control Module per Service Information.
Perform POWERTRAIN VERIFICATION TEST. See: A L L Diagnostic Trouble Codes ( DTC ) > Verification Tests > Powertrain Verification Test
8. EGR POSITION SENSOR SWEEP
NOTE: The engine will run rough and possibly stall in the following test. Feather the accelerator pedal to keep the engine from stalling.
Start the engine.
With the scan tool, enter System Test and then EGR System Test. Push the 4=VARIABLE function.
Monitor the EGR voltage while slowly pushing the up arrow.
Is the voltage change smooth?
Yes >> Refer to the INTERMITTENT CONDITION Diagnostic Procedure.
Perform POWERTRAIN VERIFICATION TEST. See: A L L Diagnostic Trouble Codes ( DTC ) > Verification Tests > Powertrain Verification Test
No >> Replace the EGR Solenoid Assembly.
Perform POWERTRAIN VERIFICATION TEST. See: A L L Diagnostic Trouble Codes ( DTC ) > Verification Tests > Powertrain Verification Test
Was this helpful?
Yes
No
Friday, February 12th, 2021 AT 10:39 AM
(Merged)

















