Where does the EEC FUSE get its power from?

Tiny
KELLON BRISPORT
  • MEMBER
  • 2004 FORD ESCAPE
  • 4 CYL
  • AUTOMATIC
  • 119,999 MILES
My EEC 5 amp fuse (engine compartment fuse box) fuse doesn’t have any electricity when ignition is turned on. Due to this car will not even crank. If I bridge the fuse it starts good.

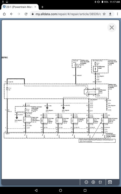
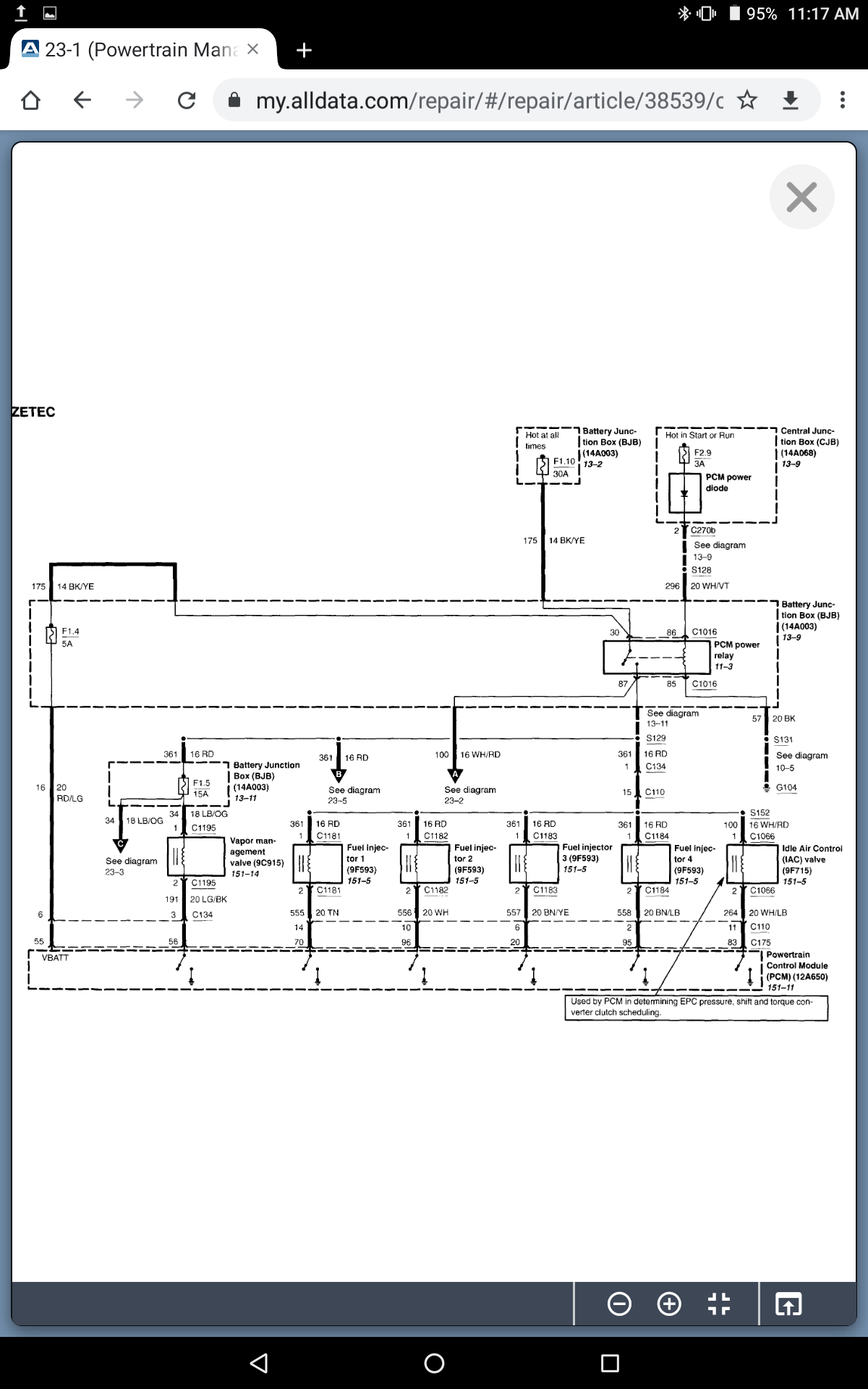
one of the wire from the fuse is a red with green stripe and it goes directly to the ECU.

My question would be where does the EEC FUSE get its power from?
Saturday, February 6th, 2021 AT 7:00 AM

4 Replies

Tiny
AL514
  • MECHANIC
  • 5,584 POSTS
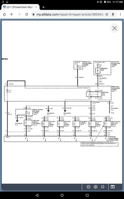
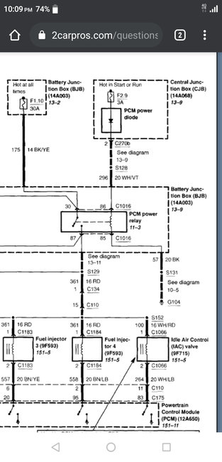
Hello, that red/light green wire goes to the PCM power relay. Since it's only a 5 amp fuse it looks like it just signals the PCM that the relay is working correctly and sending power to everything it feeds. You can see it on the far left of the diagram. Now the concern is why did the fuse blow. Fuses don't fail for no reason. As you can see the PCM power relay feeds the fuel injectors, idle air control, the battery junction box, vapor management, plus whatever else the battery junction box feeds. A good place to start is checking where the harness has contact points with the frame and engine block. Since those are the areas exposed to the most vibrations from the engine and driving. I wouldn't just replace the fuse without finding out what made it fail in the first place. Try not to move the harness around too much because you may move it away from a contact point and you'll never find the short. If you have extra 5 amp fuses you can put a new one in and start checking until the fuse blows again. But definitely don't put anything in there except a 5 amp fuse. You could damage the PCM.

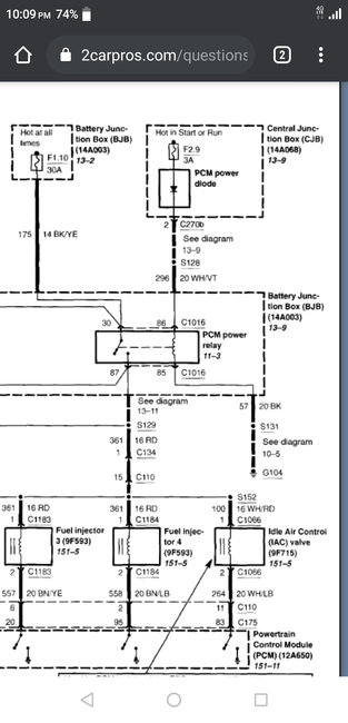
Did any other fuses fail? If not, then the issue is most likely going to on that red/lt green wire. Inspect it very carefully, look for places where it might have rubbed through the harness. I added another diagram if you can't see the stock Ford one to well.

https://www.2carpros.com/articles/how-to-check-a-car-fuse

https://www.2carpros.com/articles/how-to-check-wiring

Here is a link to our YouTube page for blown PCM fuses:
https://www.youtube.com/watch?v=ztk6zpNoVjw&t=3s
Was this
answer
helpful?
Yes
No
Saturday, February 6th, 2021 AT 8:30 AM
Tiny
KELLON BRISPORT
  • MEMBER
  • 23 POSTS
The fuse did not blow. There is no power going to that fuse when I switch the ignition on.
Was this
answer
helpful?
Yes
No
Monday, February 8th, 2021 AT 8:27 AM
Tiny
KELLON BRISPORT
  • MEMBER
  • 23 POSTS
I bridged it from the battery jus to to see if the à ar will start and it did start.
Was this
answer
helpful?
Yes
No
Monday, February 8th, 2021 AT 8:28 AM
Tiny
AL514
  • MECHANIC
  • 5,584 POSTS
Okay, and it ran okay? The power for that 5 amp fuse comes from the PCM power relay which is in the battery junction box. So it sounds like there is a corroded pin or broken wire on the underside of where the relay goes in. It's very common, you're definitely on the right track. I would take a look under the battery junction box. I think you're going to find the problem in there. Pin #30 in the diagram is where that power is coming from or supposed to be coming from. If you can get to back of the junction box, check for other corroded wires while you're in there. But you've figured out the issue. You can even just pull the relay out and look inside the terminals with a flashlight and see if there's any green corrosion. That wire may have shorted out if it broke and is hanging there. That would explain the blown fuse. Let us know what you find under the junction box. It's the black/yellow wire from that fuse to the junction box.
Was this
answer
helpful?
Yes
No
Monday, February 8th, 2021 AT 7:19 PM

Please login or register to post a reply.