Dual radio no sound

Tiny
PRETTYBOI
  • MEMBER
  • 2003 NISSAN 350Z
  • 6 CYL
  • 2WD
  • MANUAL
  • 160,000 MILES
Hooked a dual flip-out in my car all on but no sound at all. What could it be?
Wednesday, March 6th, 2019 AT 11:39 PM

1 Reply

Tiny
KENW1
  • MECHANIC
  • 213 POSTS
Thanks for visiting 2CarPros.

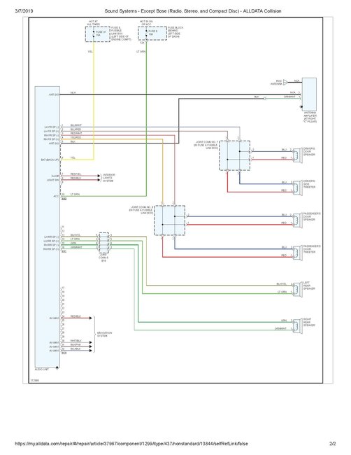
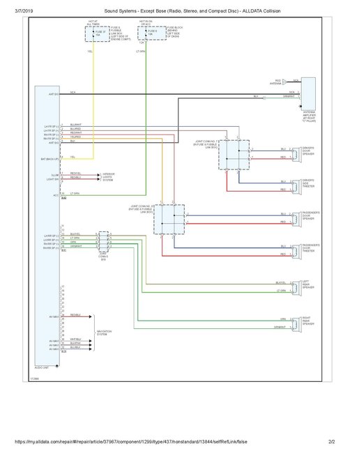
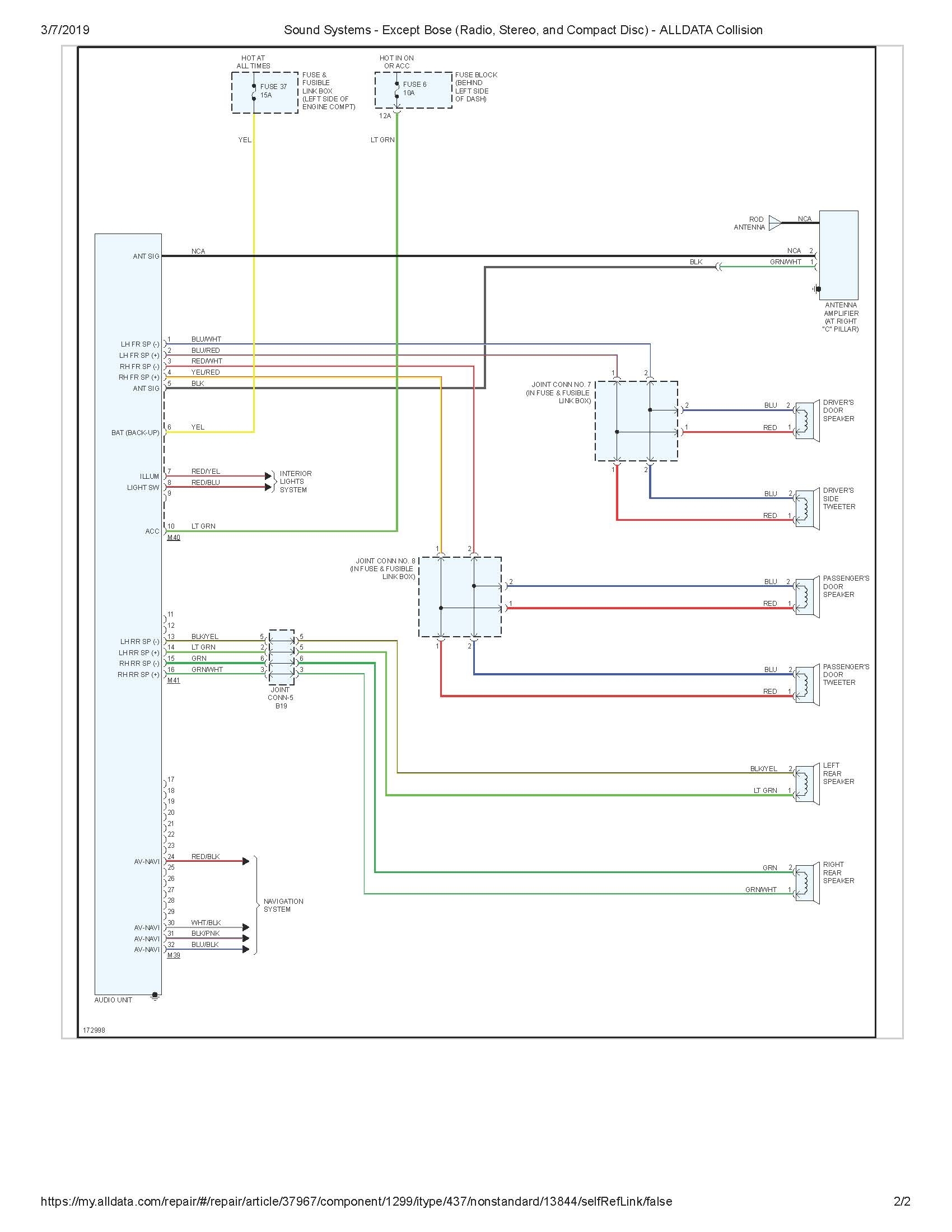
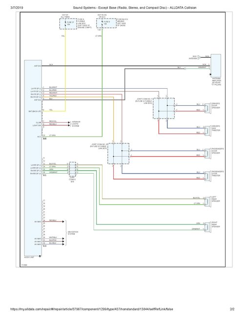
If it has the Bose system you need to make sure you have the blue wire connected to power on the amplifier and that the amp is getting power.

If it's non Bose check that you have voltage on the red and yellow and the radio and a good ground on the black.

I'll post the wiring diagrams below. If I can help further just reply back.
Was this
answer
helpful?
Yes
No
Thursday, March 7th, 2019 AT 8:09 PM

Please login or register to post a reply.