HOME
ASK A QUESTION
REPAIR GUIDES
BECOME A MEMBER
LOG IN
Login with Facebook
OR
Remember me
NOT A MEMBER?
FORGOT PASSWORD?
CONTACT US
PRIVACY POLICY
TERMS AND CONDITIONS
☰
Home
Volkswagen
Passat
Exterior Light
Running Light
Fuse
Driving lights, no power
PMACBRIAN
MEMBER
2005 VOLKSWAGEN PASSAT
2.0L
4 CYL
TURBO
2WD
AUTOMATIC
240,000 MILES
Looking for a fuse or circuit to test as my driving lights (not headlights) won't turn on when the light switch is pulled.
Friday, March 27th, 2020 AT 11:40 AM
1 Reply
DANNY L
MECHANIC
5,648 POSTS
Hello, I'm Danny.
Here is a tutorial showing how to check wiring:
https://www.2carpros.com/articles/how-to-check-wiring
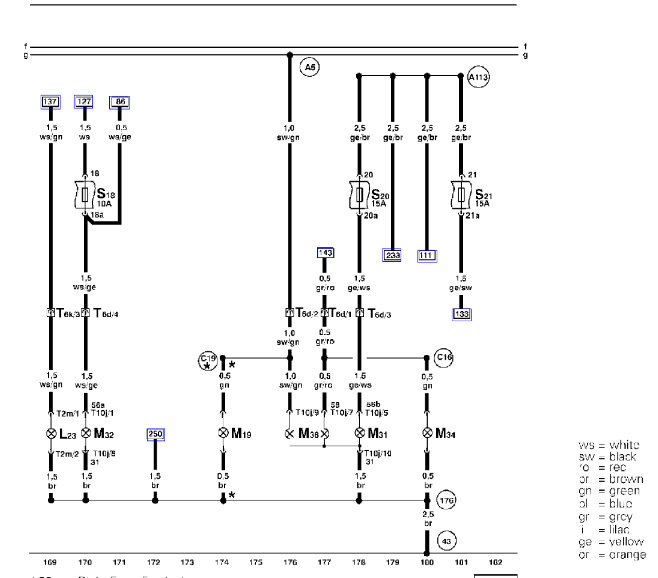
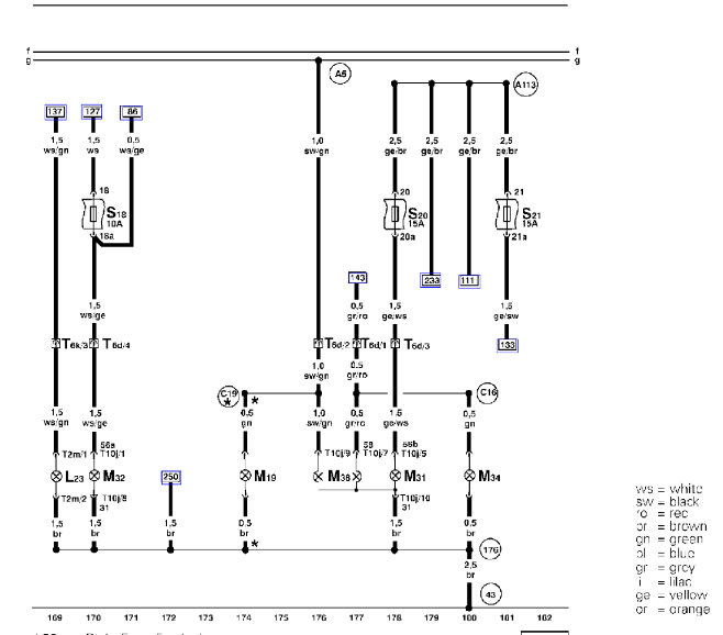
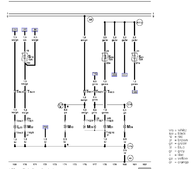
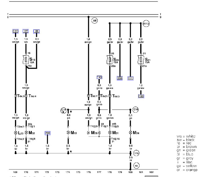
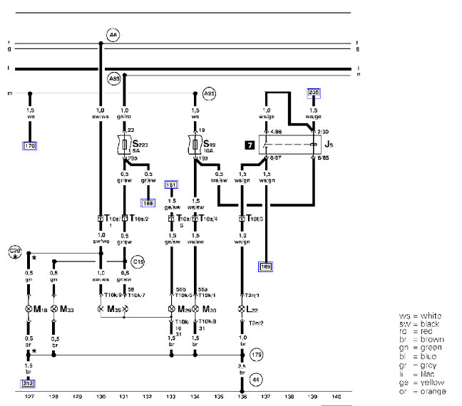
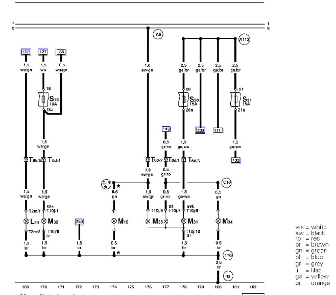
I've attached 4 pictures of the front lighting circuit diagrams you've requested. I've cut the pictures (left and right side) into 2 pieces to be viewed larger in size.Hope this helps and thanks for using 2CarPros.
Images (Click to make bigger)
Was this
answer
helpful?
Yes
No
Friday, March 27th, 2020 AT 2:24 PM
Please
login
or
register
to post a reply.
Related Running Light Fuse Content
Tail Lights Not Working?
Every Other Light On The Vehicle Works Properly With The Exception Of The Tail Lights. Please Help Before My Teen Gets A Ticket! Checked...
Asked by
LtBoss200
·
5 ANSWERS
1 IMAGE
2002
VOLKSWAGEN PASSAT
Headlights
I Want To Put In Hid's Im Thinking 5900k, But Im Not Sure If My Car Can Even Take These Headlights, If Not Would I Need A Conversion Kit...
Asked by
bamcar
·
1 ANSWER
2005
VOLKSWAGEN PASSAT
I'm Thinking Of Buying A 2000 Vw Passat And The Brake...
I'm Thinking Of Buying A 2000 Vw Passat And The Brake Light Is Always On And It Wont Pass Smog. The Person I'm Trying To Get It From Is...
Asked by
tiffanyann1
·
1 ANSWER
2000
VOLKSWAGEN PASSAT
2000 Volkswagen Passat Oil Loss
I Would Have A Full Thing Of Oil In The Car, I Can Drive The Car A Few Weeks Or A Month Or Two, With No Oil Light That Normally Would Come...
Asked by
chris6911
·
4 ANSWERS
2000
VOLKSWAGEN PASSAT
Middle Brake Light Is Working But Not Taillight...
Middle Brake Light Is Working But Not Taillight Brakelights. What Could Be The Problem?
Asked by
lmatter
·
2 ANSWERS
2002
VOLKSWAGEN PASSAT
VIEW MORE
Ask a Car Question. It's Free!
How to Use a Test Light
Turn Signals Blink Fast
Have a Dim Headlight? - Try Replacing This!