Driver window and lock problem

Tiny
JAVIERP
  • MEMBER
  • 2007 CHEVROLET TAHOE
  • 0.5L
  • V8
  • 2WD
  • AUTOMATIC
  • 152,923 MILES
My driver side window will not go down or up. The lock will not work either. To lock the driver door I have to lock it with my hand.
Saturday, October 6th, 2018 AT 10:29 PM

3 Replies

Tiny
DANNY L
  • MECHANIC
  • 5,648 POSTS
Hello, I am Danny.

First let me ask you this. Have you checked the fuses? If the fuses are okay you might have a problem in the driver side master switch or a wiring problem. Does your truck also have a remote unlock (fob)? I am attaching a few tutorials for you to view as well. Get back to us and we'll be glad to help. Thanks for using 2CarPros.
Danny-

https://www.2carpros.com/articles/how-to-check-a-car-fuse

https://www.2carpros.com/articles/how-to-check-wiring
Was this
answer
helpful?
Yes
No
Monday, October 8th, 2018 AT 4:00 AM
Tiny
JAVIERP
  • MEMBER
  • 2 POSTS
Yes I checked the fuses and there good. Also, my truck does have a remote unlock (fob)? Why is the question of the fob?
Was this
answer
helpful?
Yes
No
Tuesday, October 9th, 2018 AT 5:34 PM
Tiny
KEN L
  • MASTER CERTIFIED MECHANIC
  • 55,522 POSTS
Hello,

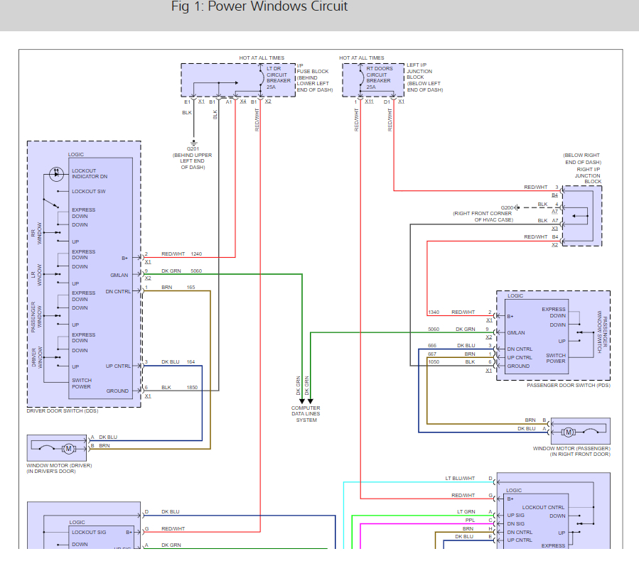
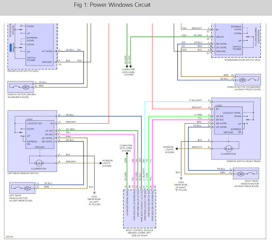
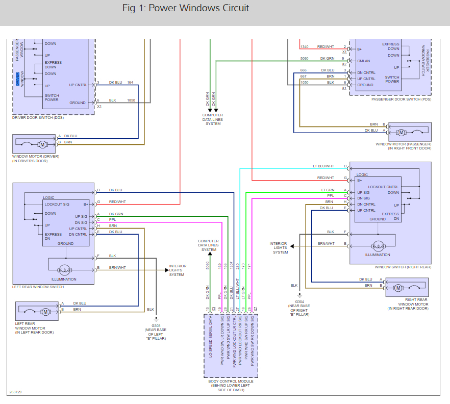
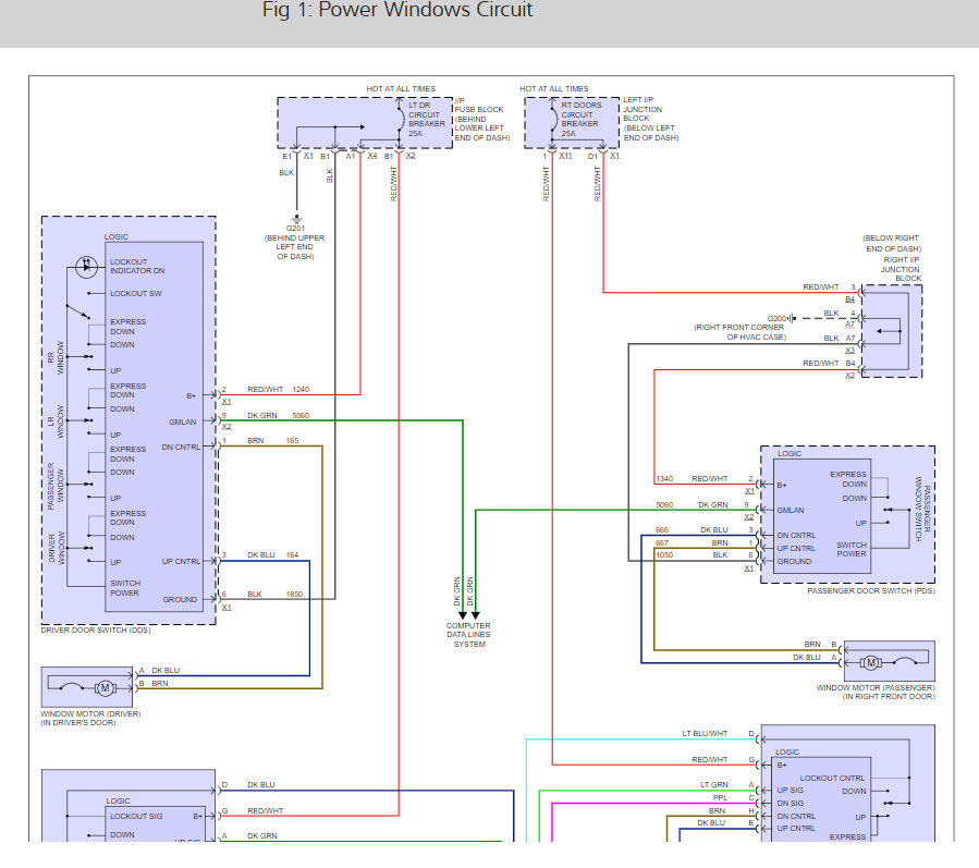
This sounds like a BCM problem, Make sure all the fuses are good and have power. Here is the door lock and window wiring diagrams so you can see how the system works and the location of the BCM. I would try a used one first because you will need to program a new one at a shop which will run about $130.00. Check out the diagrams to see how the system are tied together through the BCM (below). Please let us know what you find. We are interested to see what it is.

Cheers, Ken
Was this
answer
helpful?
Yes
No
Friday, October 12th, 2018 AT 11:15 AM

Please login or register to post a reply.