Tuesday, August 18th, 2020 AT 3:48 PM
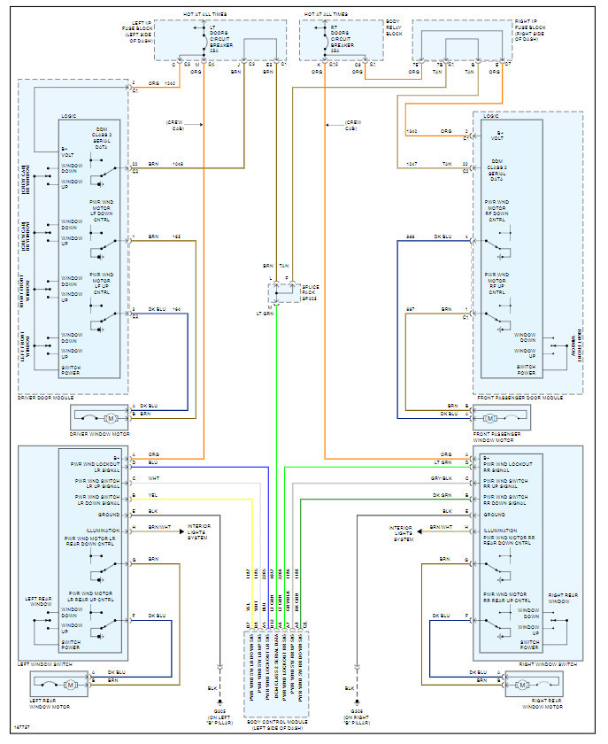
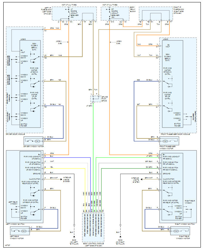
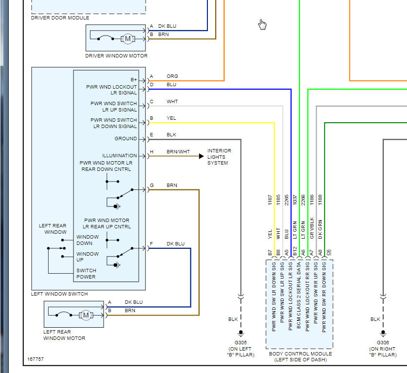
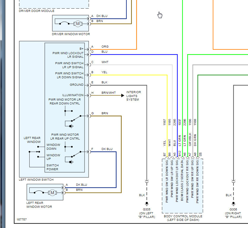
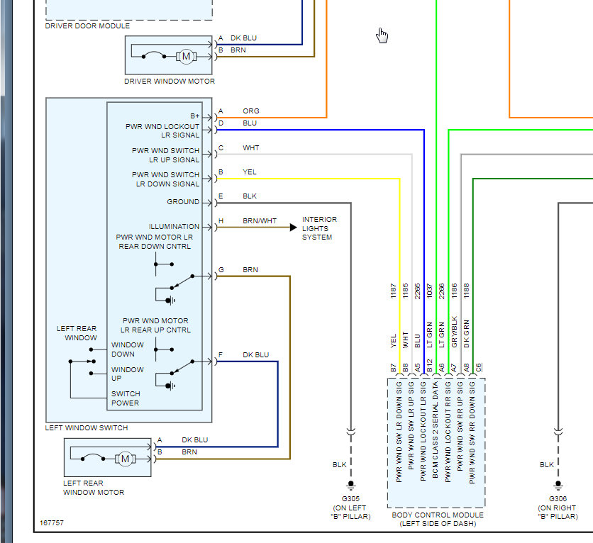
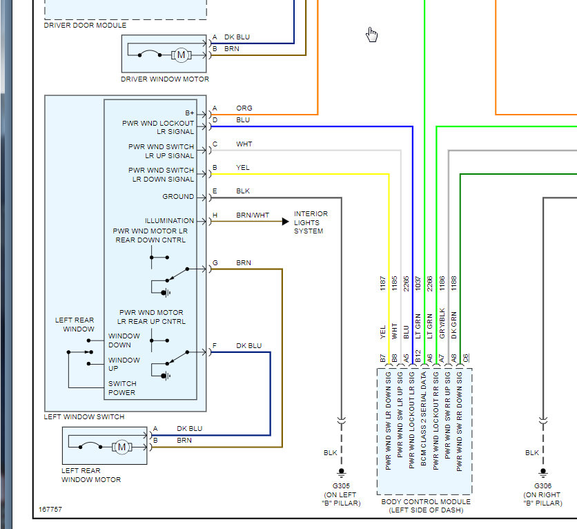
Driver side window doesn’t go down. New regulator and master window switch. I noticed on replacing window switch there is no green wiring clip in the wires there is a few black ones and a blue one there is a spot on the switch that says green. I have looked and no cut wires or anything every other button works just not driver window? TIA


