Driver side rear taillight/brake light and turn signal not working

Tiny
BRIAN BENNETT
  • MEMBER
  • 2012 CHEVROLET MALIBU
  • 2.4L
  • 4 CYL
  • 2WD
  • AUTOMATIC
  • 161,162 MILES
When my cars headlights are off my rear driver side taillight is dim but works. As soon as I turn on my lights it shuts off. No brake light no taillight no turning signal. I haven’t replaced the socket yet because it doesn’t look corroded or anything. Everything I’ve read makes it sound like a bad ground connection.
Thursday, March 10th, 2022 AT 2:19 PM

1 Reply

Tiny
JACOBANDNICKOLAS
  • MECHANIC
  • 110,194 POSTS
Hi Brian,

Certainly, it could be a ground, but we need to know where the power is coming from. If you turn the lights off and then it lights (dim) power is back feeding from a supply. And yes, it could be through the ground circuit. However, I would think it would affect other lights in the circuit which share the same ground.

Here is what I need you to do: With the lights off, test each wire in the connector to determine which one has power. Note the wire color and let me know which it is.

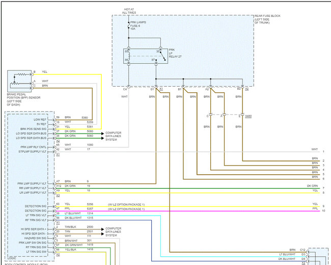
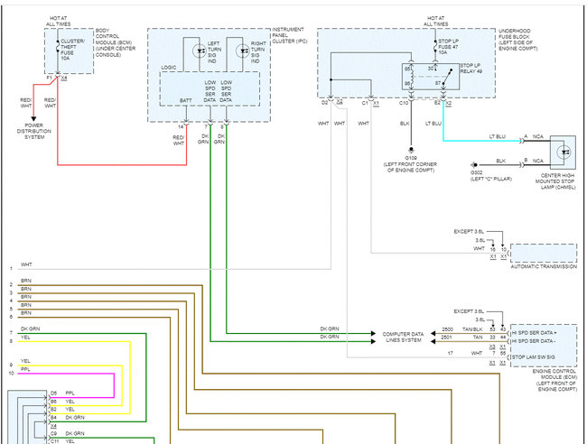
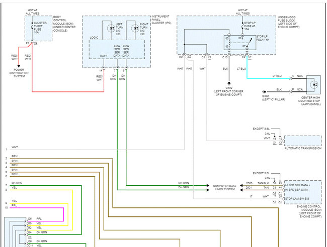
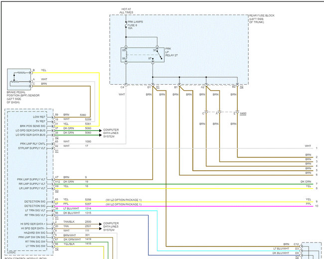
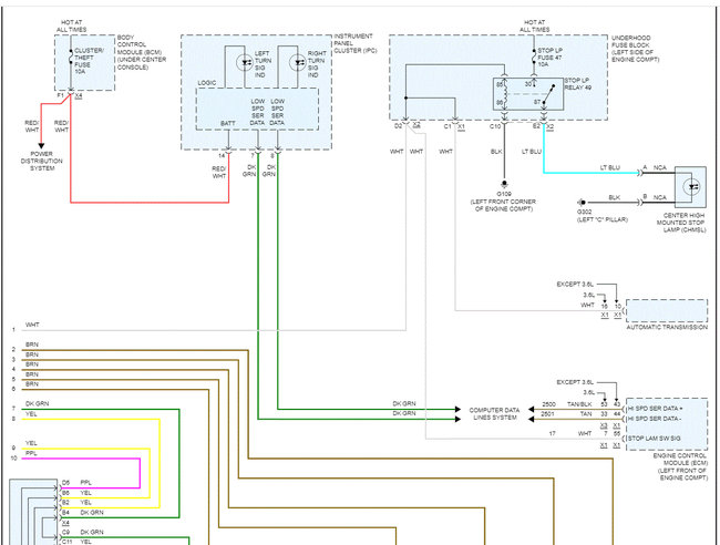
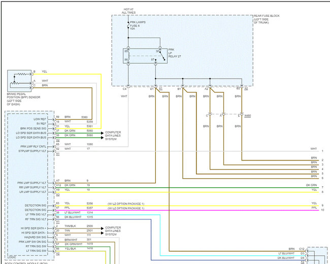
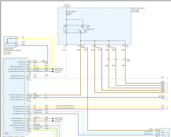
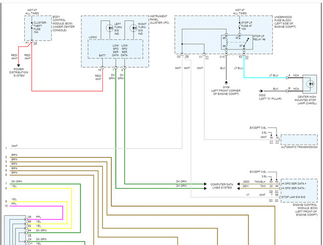
I attached the wiring schematic below for you as a reference. In the last pic is the left rear light info. I highlighted a couple of things for you. Note: that if this is an LZ, it is different than a vehicle without that package.

Here is a link you may find helpful:

https://www.2carpros.com/articles/how-to-check-wiring

Let me know what you find.

Take care,

Joe

See pics below.
Was this
answer
helpful?
Yes
No
Friday, March 11th, 2022 AT 1:43 PM

Please login or register to post a reply.