Driver side HID not working?

Tiny
ZAY HIM
  • MEMBER
  • 2009 BUICK ENCLAVE
  • 128,178 MILES
I replaced the ballast, and the light bulb still isn’t working. Should I change the igniter also being that I changed the ballast?
Wednesday, August 24th, 2022 AT 7:47 AM

1 Reply

Tiny
BORIS K
  • MECHANIC
  • 836 POSTS
Hello,

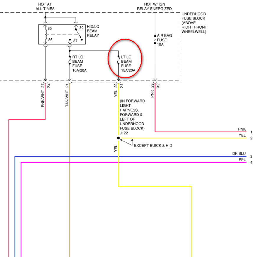
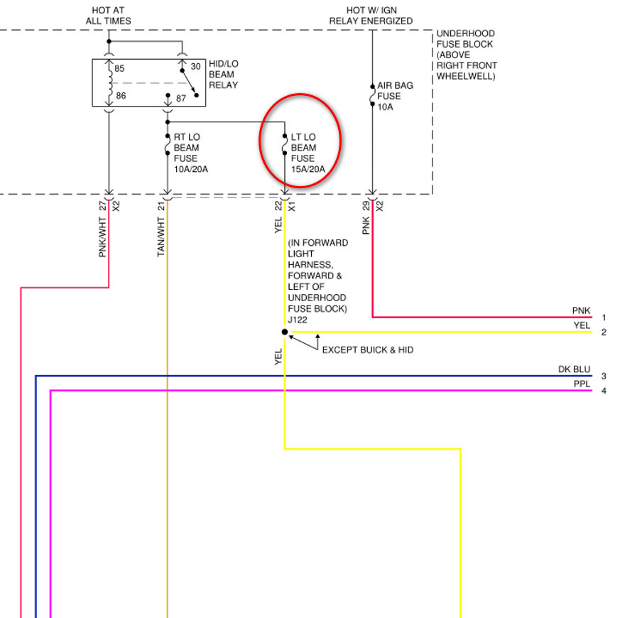
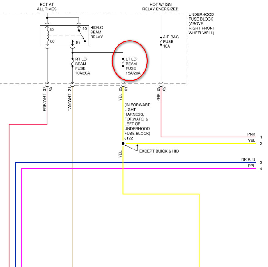
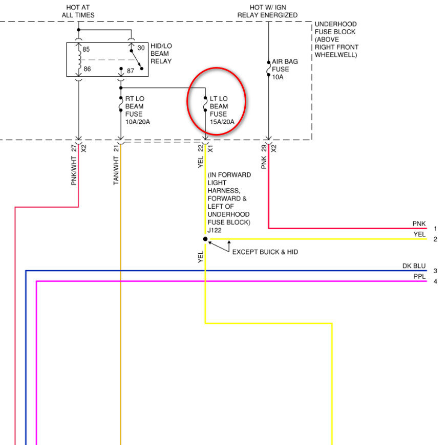
I would suggest first checking that the left headlight fuse is intact, see image 1.

https://www.2carpros.com/articles/how-to-check-a-car-fuse

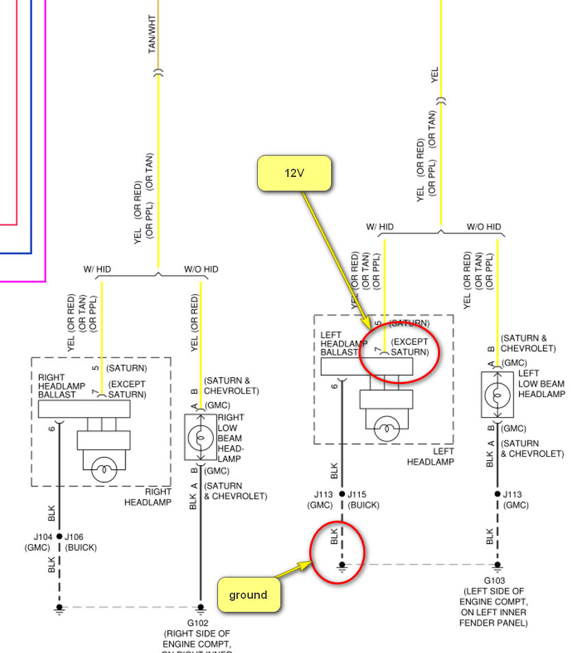
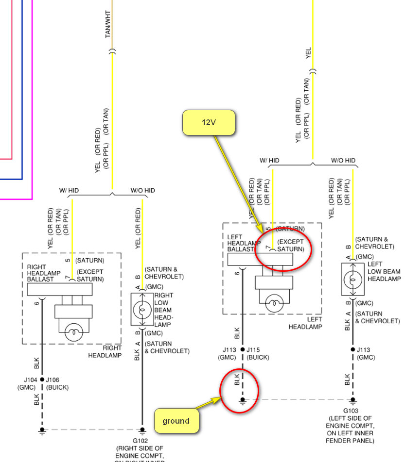
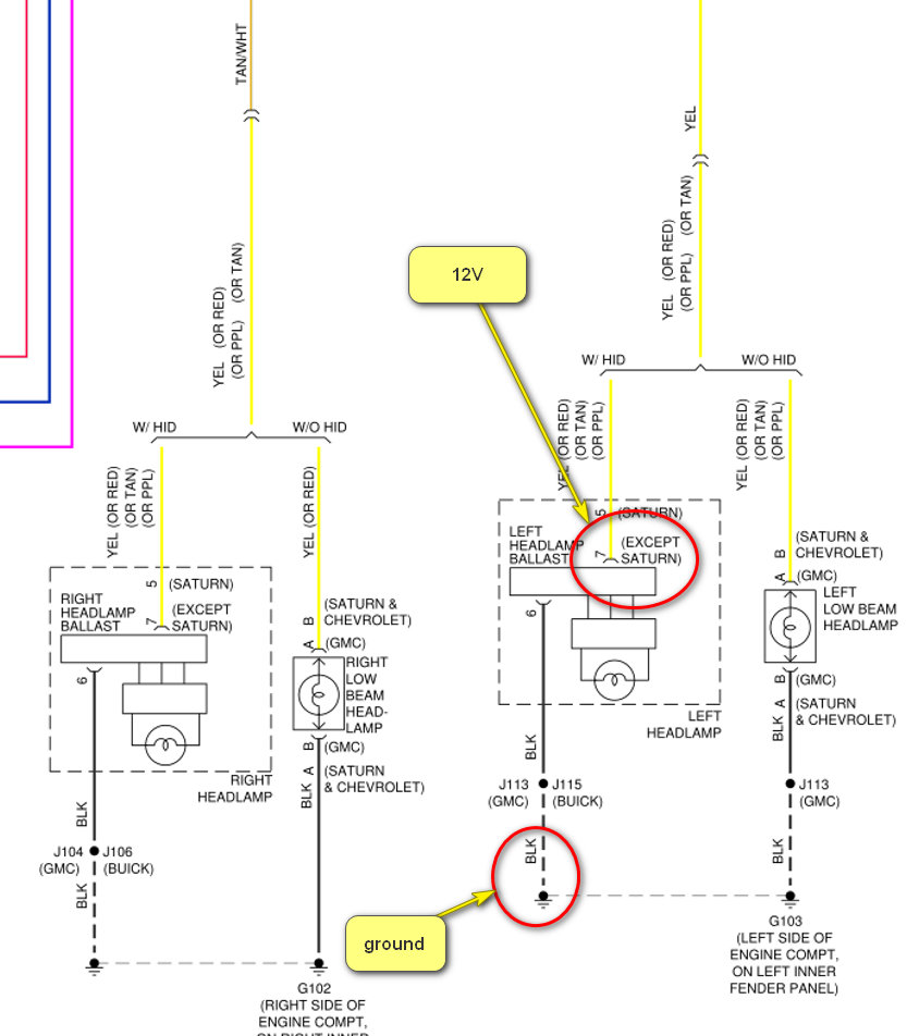
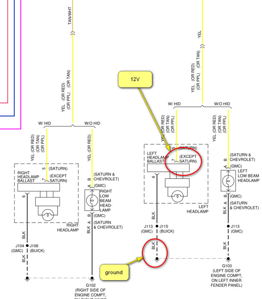
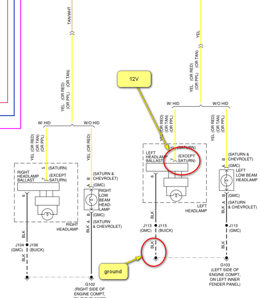
If in order, next check that you have 12V at pin 7 of the headlight connector, see image 2.
This can be done using a test light or voltmeter.
Also, check that the black ground cable at pin 6 has a good ground connection. Use the test light or voltmeter and check that you have the same result as using a good chassis ground.

How to:
https://www.2carpros.com/articles/how-to-use-a-test-light-circuit-tester
and
https://www.2carpros.com/articles/how-to-use-a-voltmeter
and
https://www.2carpros.com/articles/how-to-check-wiring

Does the HID light up if you supply your own 12V at pin 7?

Hope this helps.

Cheers, Boris
Was this
answer
helpful?
Yes
No
Wednesday, August 24th, 2022 AT 8:14 AM

Please login or register to post a reply.