Replace window motor and regulator and the window still not working?

Tiny
ZOG1974
  • MEMBER
  • 1998 JEEP CHEROKEE
  • 4.0L
  • 6 CYL
  • 4WD
  • AUTOMATIC
  • 162,000 MILES
I put in a new window motor with regulator and it still doesn’t work, all other windows open from driver side buttons, front drivers side button not operating the window.
Saturday, March 27th, 2021 AT 4:07 PM

1 Reply

Tiny
CARADIODOC
  • MECHANIC
  • 34,489 POSTS
The better suspect would be the switch itself, but it would be unusual for it to fail in both directions at the same time. One test is to get a good used switch assembly from a salvage yard and plug it in to try it.

Would you prefer to do some testing first? Depending on your skill level we can do that with a test light or a voltmeter. Here's articles that describe how to use them, if you need them:

https://www.2carpros.com/articles/how-to-use-a-test-light-circuit-tester
https://www.2carpros.com/articles/how-to-use-a-voltmeter

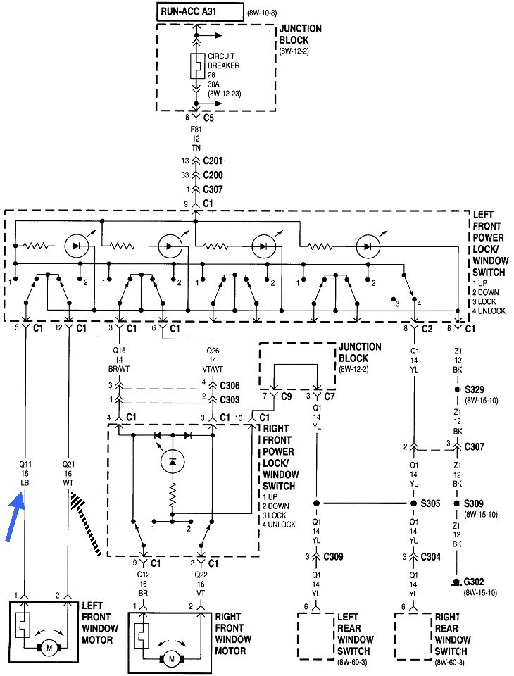
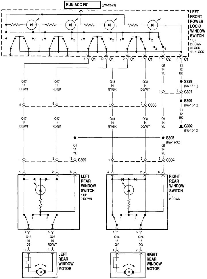
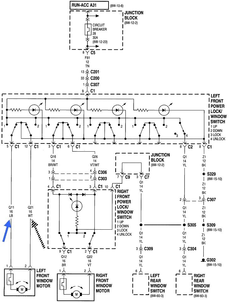
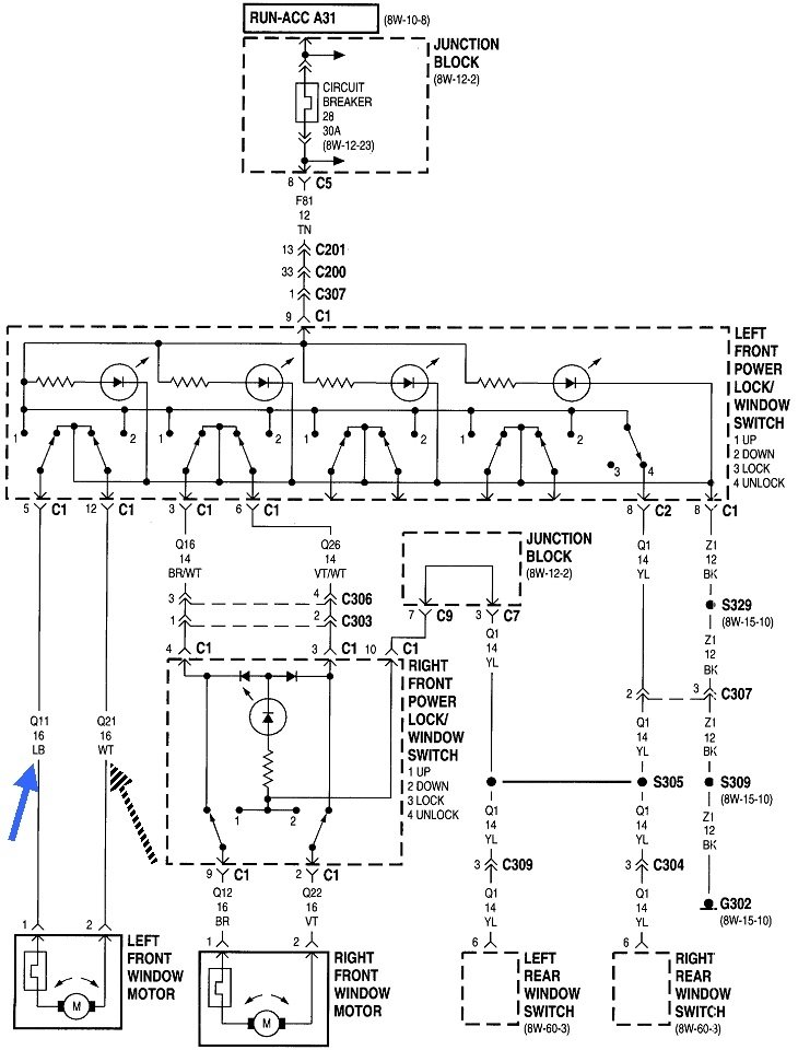
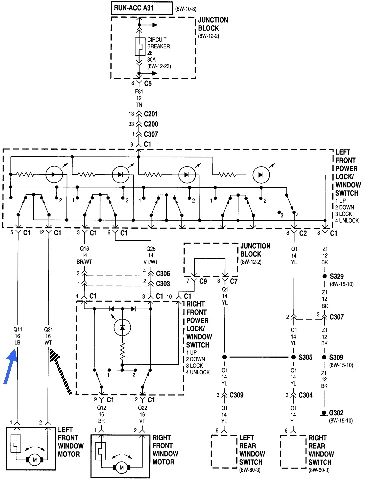
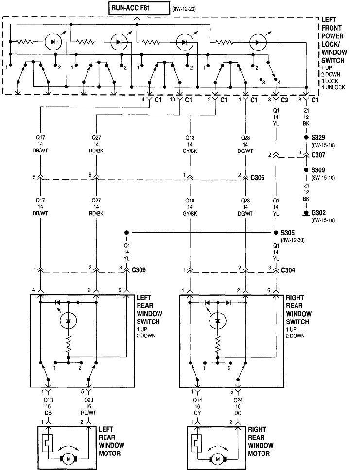
Since you've already been in there by the motor, start by unplugging it, then use the voltmeter in the "Ohms" position to measure continuity between those two wires. Those are the light blue and white wires in the first diagram. You should find real low resistance, as in probably 5 ohms or less. That should change to an "open circuit", or infinite reading, when you press the switch either way. If that test passes, that only checks part of the switch.

The next part of testing will be more accurate with the test light. Find a good place to connect the clip lead to on the body, not on the door itself. Probe one of the motor's wires and you'll find 0 volts, The test light will be off. It should turn on full brightness when you press the driver's switch one way. Now move the test light to the other wire. The test light should be bright when you press the switch the other way. The light should light up only when the switch is pressed one way, never both ways on each wire.
Was this
answer
helpful?
Yes
No
Saturday, March 27th, 2021 AT 5:23 PM

Please login or register to post a reply.