Friday, June 23rd, 2023 AT 10:33 AM
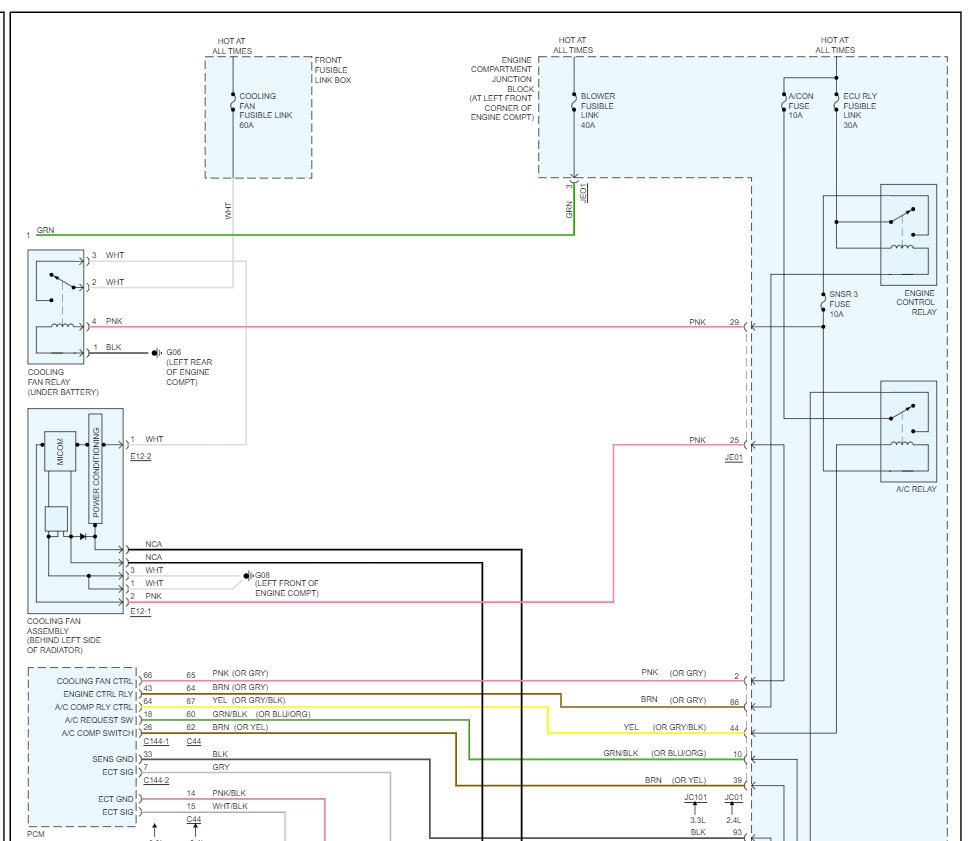
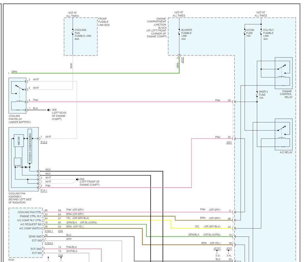
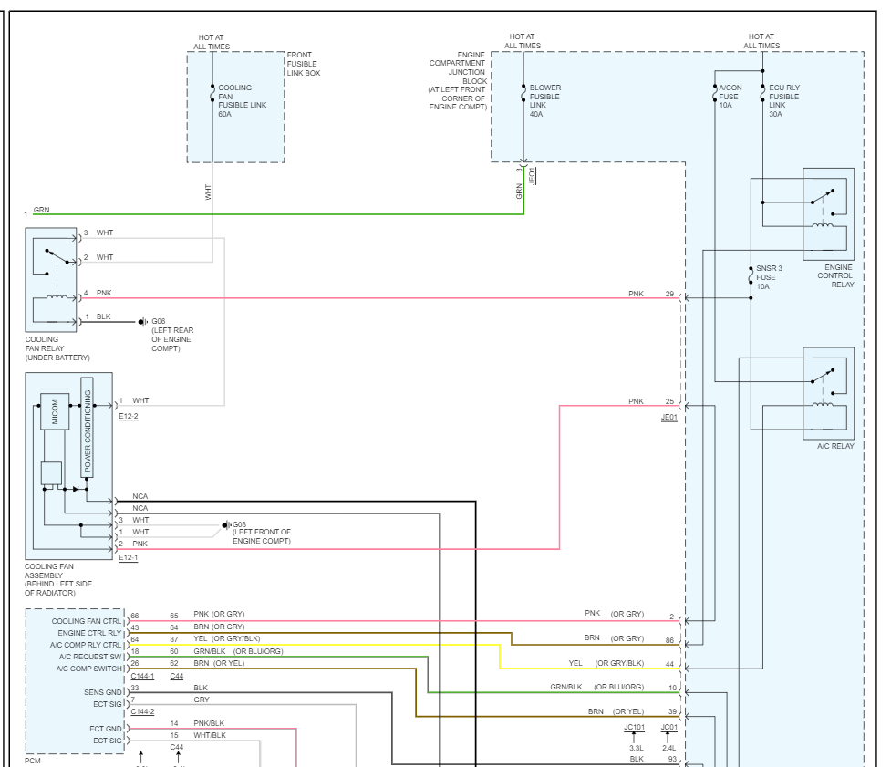
I have been troubleshooting my driver side A/C. So far, I have replaced the blend door, however it still won’t move. I’m not sure if there is a fuse or if there is a calibration. I tried hooking up my multi meter to the plug while the key was on and I didn’t seem to get anything though it was tough to get full connection with the meters probes into the tiny plug and I couldn’t find a diagram online. Thank you for your help!













