Sunday, July 8th, 2018 AT 11:57 AM
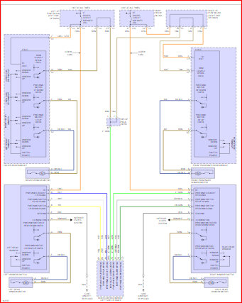
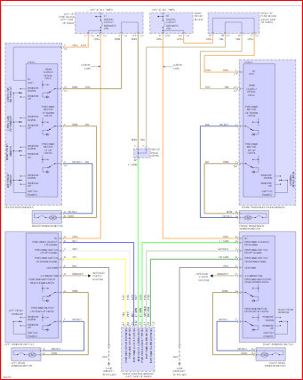
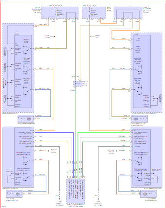
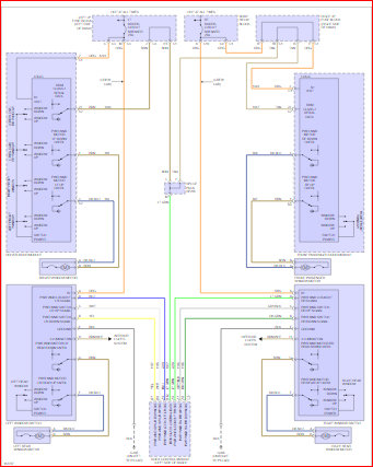
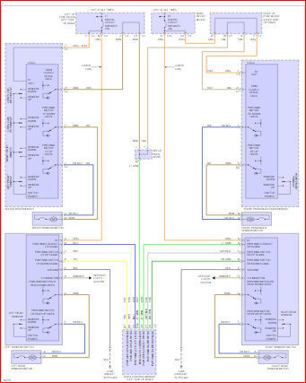
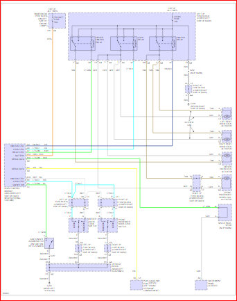
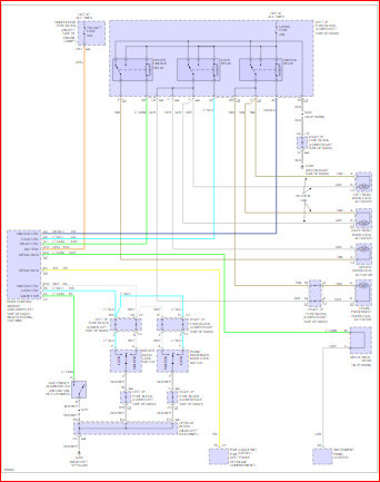
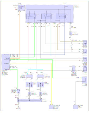
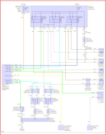
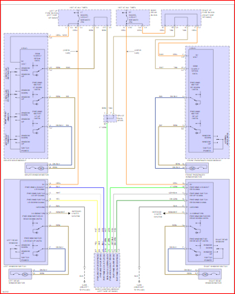
So I got this truck, it was in a accident. So I bought a new door and tried to hook it up. I cannot seem to find out where this white rectangle plug goes. The other one is plugged in the side of the dash but there is not a wire anywhere for this. Am I missing a wire and do es anyone know what it is? I cannot find anything on the internet.







