Driver and passenger door locks work manually but not automatically

Tiny
TURKSAUTOCHANNEL
  • MEMBER
  • 2004 JEEP GRAND CHEROKEE
  • 4.0L
  • 6 CYL
  • 4WD
  • AUTOMATIC
  • 160,000 MILES
I can manually lock and unlock the driver and passenger side doors. When I press the lock button or use the remote it doesn’t lock the driver and passenger doors though. It does lock and unlock the back doors though. Windows all work fine. I’ve read through a million of these posts but haven’t read this specific issue. Hopefully you can help me! Thanks!
Monday, February 15th, 2021 AT 10:16 AM

3 Replies

Tiny
KASEKENNY
  • MECHANIC
  • 18,907 POSTS
When you press the button on the passenger side does it lock the passenger door? Is it only the driver side button and key fob that doesn't unlock the front doors?

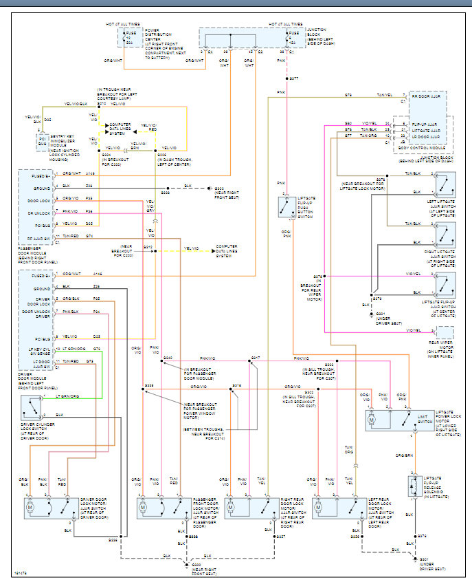
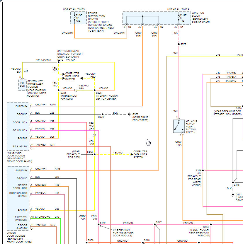
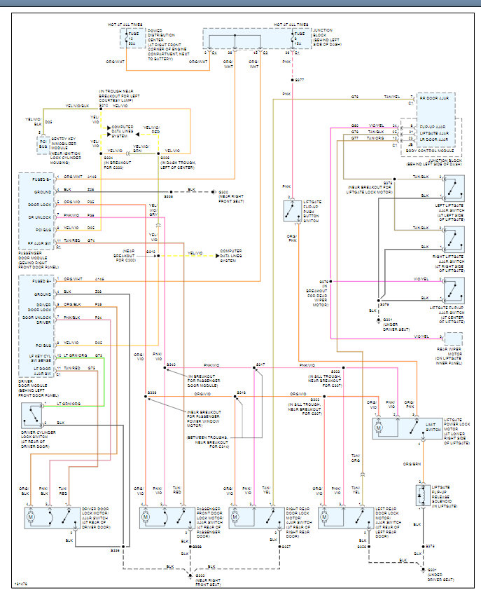
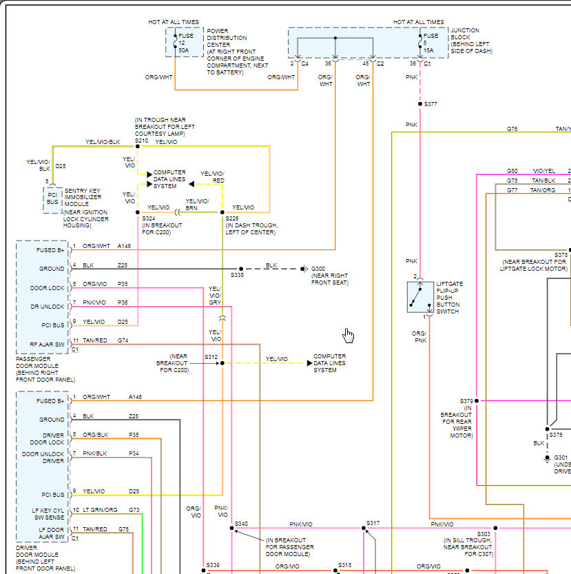
I suspect we have an issue with what is called the PCI bus. basically this is the network that allows the different modules to send commands to each other.

So when you press the driver side button to lock the doors, that sends a message to the passenger switch/module to unlock/lock that door.

this could be a wiring issue or a door module issue. Let's start with checking voltage coming out of the driver door switch on the wire for unlock and lock.

There should be 12 volts there. Here is a guide that will help with this:

https://www.2carpros.com/articles/how-to-check-wiring

If this checks out then we can go from there which is most likely a door module issue but let's take it one step at a time.

Let me know if you have questions Thanks
Was this
answer
helpful?
Yes
No
Monday, February 15th, 2021 AT 5:15 PM
Tiny
TURKSAUTOCHANNEL
  • MEMBER
  • 2 POSTS
Thank you! So when I press the door lock on the passenger side it doesn’t lock the passenger or driver side. I'm not 100% sure how to check the voltage. I’ll try to research and view the information and get back to you.
Was this
answer
helpful?
Yes
No
Monday, February 15th, 2021 AT 10:30 PM
Tiny
KASEKENNY
  • MECHANIC
  • 18,907 POSTS
No problem. I understand. It is not the easiest thing to figure out but if you want to give it a shot we can work through it.

Here are a couple guides that will help along with the other info:

https://www.2carpros.com/articles/how-to-check-wiring

Here is a guide on using a voltmeter:

https://www.2carpros.com/articles/how-to-use-a-voltmeter

Or if you want to use a test light. This will help with that:

https://www.2carpros.com/articles/how-to-use-a-test-light-circuit-tester

Thanks
Was this
answer
helpful?
Yes
No
Tuesday, February 16th, 2021 AT 5:37 PM

Please login or register to post a reply.