Sunday, May 30th, 2021 AT 9:44 PM
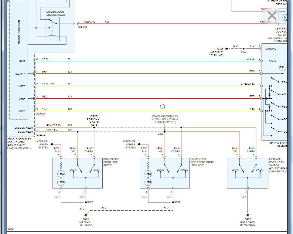
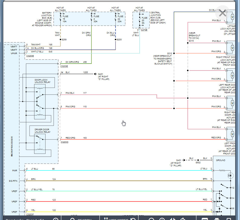
Usually I can fix stuff myself but these door locks will get to me when I press the button on the door. I had clicking in the back on the right hand side but all my doors I have to manly lock. Will you please help me out?



