Wednesday, April 7th, 2021 AT 1:40 PM
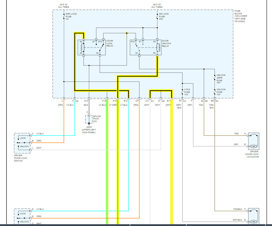
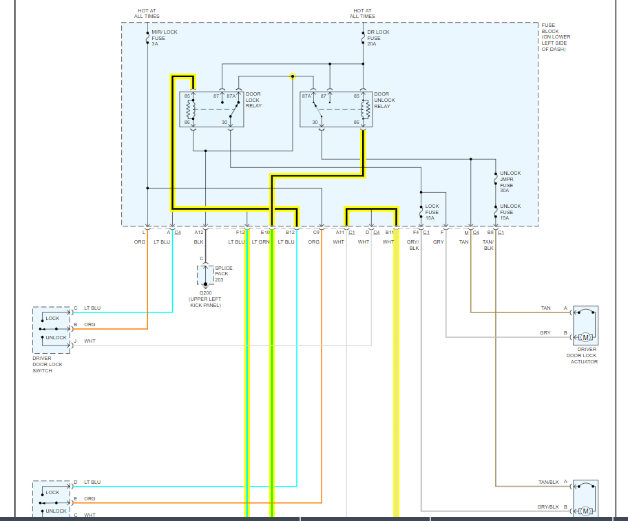
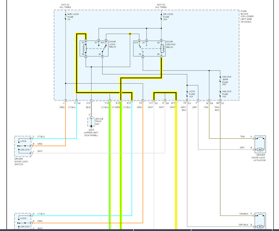
When I put my truck in drive the door will not lock it self for a minute or two when we are driving it. When we stop and put in park it will not open the lock have to unlock have to use electronic lock button. I also cannot get it program to reprogram my new remote lock key.






