Tuesday, April 26th, 2022 AT 2:35 PM
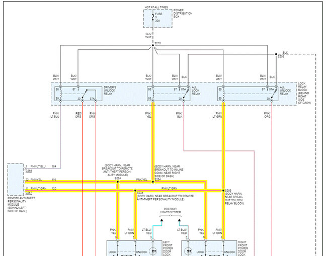
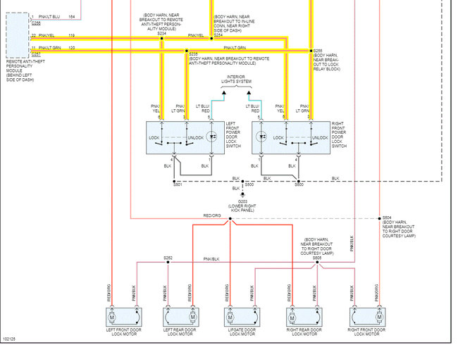
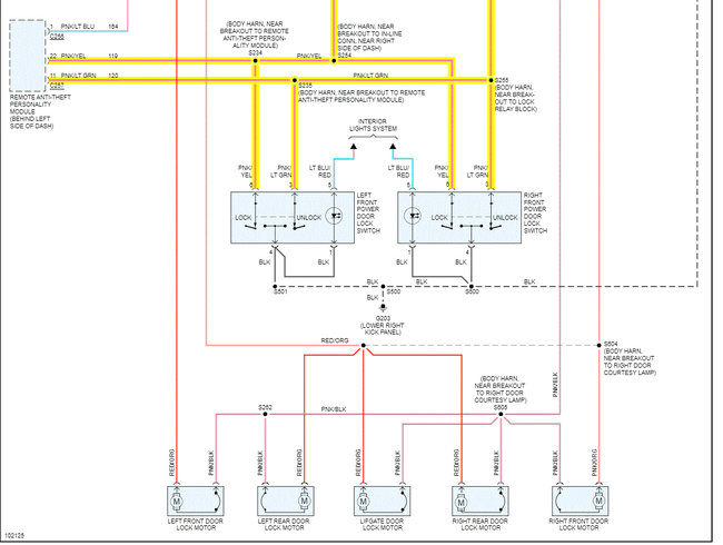
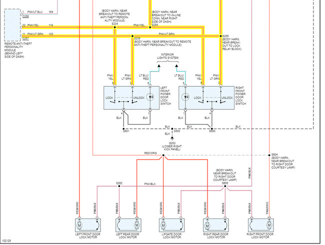
The power locks quit working; the driver side door lock/unlock button does not work neither does the passenger. I checked the fuse the fuse was not blown, but whoever had the car before me put in a fuse larger than what it's supposed to have so I assume they kept blowing fuses. Any help would be greatly appreciated! Also Is there anyways to bypass the original circuit? Where maybe I could run power to a toggle switch (or original lock/unlock button) then to the actuator. Thank you in advance.


