Thursday, July 22nd, 2021 AT 10:53 AM
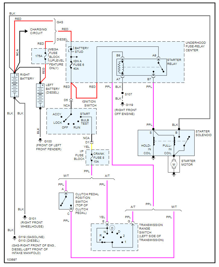
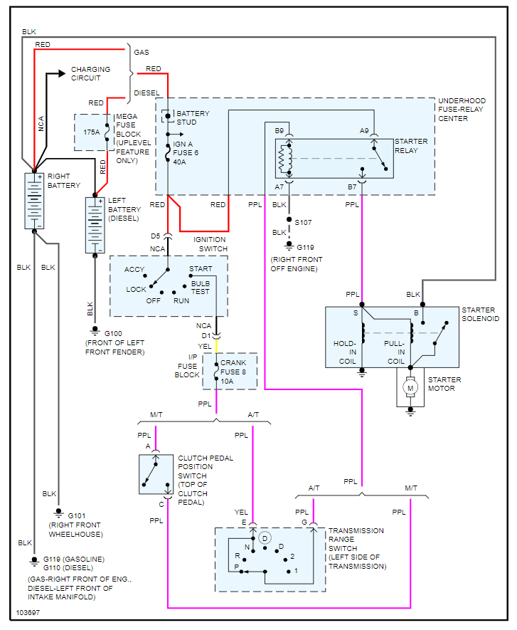
I have replaced the starter, it was definitely bad. When I turn the key all lights buzzing etc, come on but nothing from the starter. Truck won't turn over. If I put a jumper wire in the fuse box, and put power straight to the starter it will turn over (still won't start (but it is up on blocks and I can't get in give it gas etc, ) seems like it would be the ignition starter switch, but all the lights buzzing etc. So I am uncertain. Just looking for some direction to move in.



