Windows do not work?

Tiny
SIERRA817
  • MEMBER
  • 2011 DODGE RAM
  • 4.7L
  • V8
  • 4WD
  • AUTOMATIC
  • 200,000 MILES
My windows will not work, the fuses are all good but the windows will not go up or down.
Saturday, September 30th, 2023 AT 1:45 PM

3 Replies

Tiny
JACOBANDNICKOLAS
  • MECHANIC
  • 110,192 POSTS
Hi,

If none of them work and this happened at the same time, it has to be a power issue. There are two fuses that need to be checked. First, the condition of the fuse is important. If the fuse is good, confirm there is power to and from them.

Here is a link that explains how it's done:

https://www.2carpros.com/articles/how-to-check-a-car-fuse

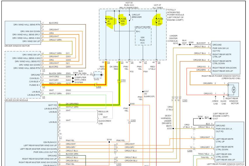
If those are good, I need you to locate the driver's door module and see if there is power to it.

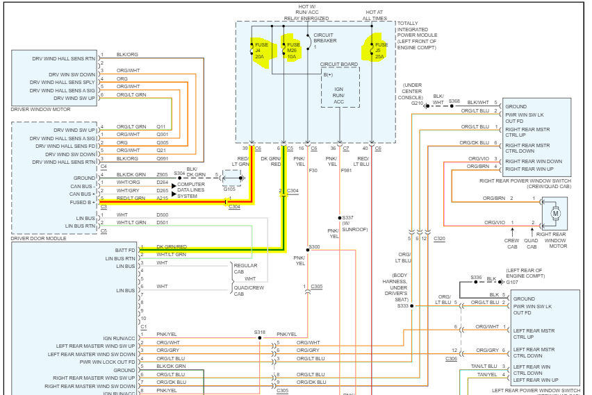
I attached the wiring schematic so that you would have a reference.

Let me know,

Joe

See pics.
Was this
answer
helpful?
Yes
No
Saturday, September 30th, 2023 AT 11:00 PM
Tiny
SIERRA817
  • MEMBER
  • 1 POST
Hey Joe, there is power going to the fuses and power going to the door module as well he just checked. He plugged the module into the master switch after checking for power and the wipers started, but he tried the windows and doors and still nothing.
Was this
answer
helpful?
Yes
No
+1
Monday, October 2nd, 2023 AT 8:42 AM
Tiny
JACOBANDNICKOLAS
  • MECHANIC
  • 110,192 POSTS
The wipers turned on when the door module was connected? Good Lord. Did the wipers turn on by just making the connection or did he need to press one of the door buttons? I reviewed the schematic for the wipers, and they have nothing to do with the door module. If I had to guess, I suspect the totally integrated power module (TIPM) is failing.

The TIPM is under the hood/fuse box. They are known to have connector issues simply because there are so many connector pins in each connector. As a result, the pins are known to corrode, break, and either lose connection or short.

By any chance, is it possible for you to have the can-bus scanned to see if there are diagnostic trouble codes specific to one of the modules involved?

Here is a link that shows how it's done:

https://www.2carpros.com/articles/can-scan-controller-area-network-easy

Let me know.

joe
Was this
answer
helpful?
Yes
No
Monday, October 2nd, 2023 AT 7:23 PM

Please login or register to post a reply.