"No Bus" what is wrong and how can I fix it?

Tiny
KASEKENNY
  • MECHANIC
  • 18,907 POSTS
We need to try to stick to one issue per post because if others are having this issue, they will not find it under the heading of No BUS.

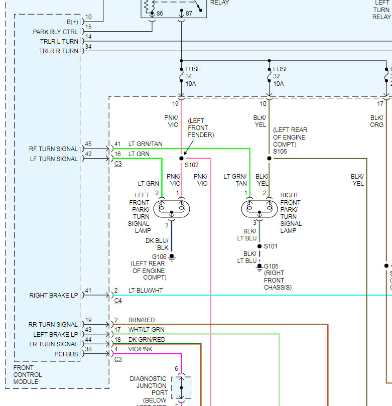
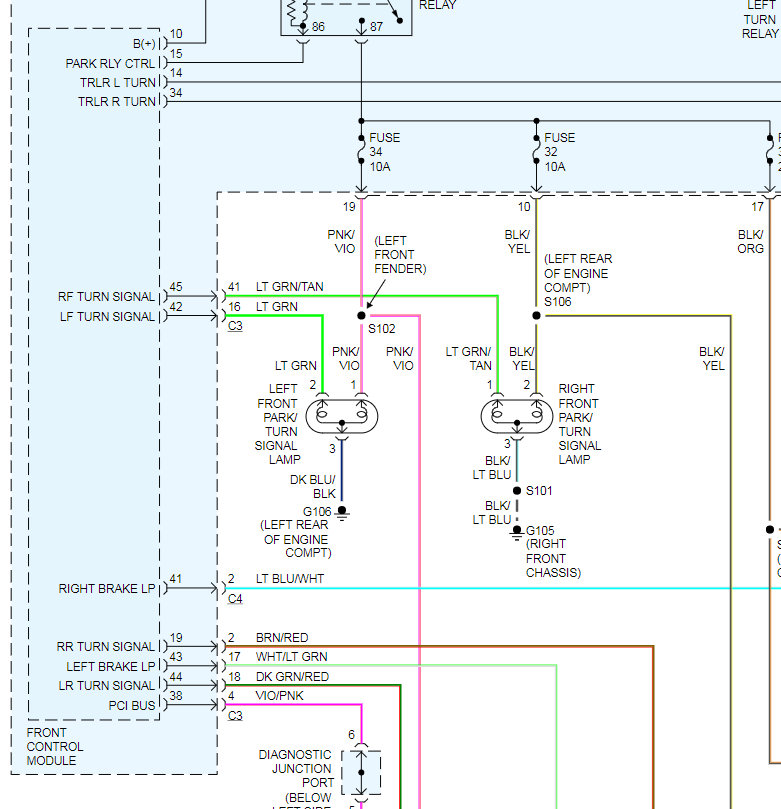
I attached a wiring diagram. If all 4 turn signals are the only thing not working but they work on the indicators, I suspect you have a Front Control Module issue. Unfortunately, there is nothing in common between all 4 lights other than this.
Was this
answer
helpful?
Yes
No
+2
Saturday, October 3rd, 2020 AT 1:37 PM (Merged)
Tiny
ALTASNOWMAN
  • MEMBER
  • 39 POSTS
Update: replaced Front Control Module and still shows No BU5. Guess I have got to now try replacing the module on the firewall (it is the one with 3 plugs) as I do not know where other modules are or where to go next. Any ideas would be helpful.
Was this
answer
helpful?
Yes
No
+1
Saturday, October 3rd, 2020 AT 1:37 PM (Merged)
Tiny
KASEKENNY
  • MECHANIC
  • 18,907 POSTS
Unfortunately, without a scan tool to see if you can communicate with these modules we are just guessing.

One of the most common causes of this issue is the cluster itself. However, there could be something causing the cluster to be offline like a ground wire or a power wire so I don't want to tell you to just replace the cluster. Not only are they a little pricey but they are not the easiest thing to put in.

If it were me, I would go after the cluster next to try and verify power and ground or replace it before you replace anything else.

Note - Do not get a used cluster because they are programmed when they are plugged in with the VIN. So you can't swap them between vehicles.
Was this
answer
helpful?
Yes
No
+1
Saturday, October 3rd, 2020 AT 1:37 PM (Merged)
Tiny
ALTASNOWMAN
  • MEMBER
  • 39 POSTS
Okay, when I plug in using a scan program (obd doctor) I can get a tachometer and speedometer, but on codes and not sure what I am looking for.
Was this
answer
helpful?
Yes
No
+1
Saturday, October 3rd, 2020 AT 1:37 PM (Merged)
Tiny
KASEKENNY
  • MECHANIC
  • 18,907 POSTS
Are you saying that when you hook your scan tool up that you get codes on the speedometer and tachometer?

What I was saying earlier was if you can hook a scan tool up and communicate with each module then more than likely it is not causing your issue of No Bus.

Sorry if I am not understanding what you are saying. If you were able to get some codes, let me know what they are and we can go from there. Thanks
Was this
answer
helpful?
Yes
No
+1
Saturday, October 3rd, 2020 AT 1:37 PM (Merged)
Tiny
ALTASNOWMAN
  • MEMBER
  • 39 POSTS
Hi KASEKENNY1, I got a code reader and it is telling me p1698, which is tranny module. Unplugged the tranny mod and after clearing code tried again and I get the code again. I am going to start tracing wiring. Will let you know what I find.
Was this
answer
helpful?
Yes
No
+1
Saturday, October 3rd, 2020 AT 1:37 PM (Merged)
Tiny
TIM WOLINE
  • MEMBER
  • 1 POST
  • 2001 DODGE RAM
  • 5.2L
  • V8
  • 2WD
  • AUTOMATIC
  • 360,000 MILES
I have the truck listed above it is a 1500. Once a week my truck stalls and I get code no BUS. I turn the key three times and it reset and starts, then I am good for four or five days and it does the same thing.
Was this
answer
helpful?
Yes
No
Saturday, October 3rd, 2020 AT 1:37 PM (Merged)
Tiny
WRENCHTECH
  • MECHANIC
  • 20,761 POSTS
No BUS means one or more of the computers has lost communication. This can be a bad module somewhere or a wiring issue. You would have to get the codes read first and they should point you to the right module.
Was this
answer
helpful?
Yes
No
Saturday, October 3rd, 2020 AT 1:37 PM (Merged)
Tiny
KASEKENNY
  • MECHANIC
  • 18,907 POSTS
Okay. Just to clarify. So when you unplug it the code goes stored or goes away and then it comes back when you plug it back in?

If this is the case and the wiring checks out then that module may be the issue of the code. When I get back to my computer I will send you the detail on that code which should help as well.

Thanks for the update.
Was this
answer
helpful?
Yes
No
+1
Saturday, October 3rd, 2020 AT 1:37 PM (Merged)
Tiny
ALTASNOWMAN
  • MEMBER
  • 39 POSTS
Update. I bit the bullet and took my truck to dealer. $686.00 Canadian later and although there are still some problems I now have brake lights, signal lights, gauges, tachometer, speedometer and almost everything is working. I was right in that it was a broken wire and was causing a short that somehow got into the canbus and caused system to stop. Now have to do rewiring of some circuits. You will not believe what/where this problem is.
Was this
answer
helpful?
Yes
No
+1
Saturday, October 3rd, 2020 AT 1:37 PM (Merged)
Tiny
KASEKENNY
  • MECHANIC
  • 18,907 POSTS
Okay. You got me intrigued. Where was the issue? Thanks for the update. I am sure this information will help others. Thanks
Was this
answer
helpful?
Yes
No
-2
Saturday, October 3rd, 2020 AT 1:37 PM (Merged)
Tiny
BKAEMPFE1989
  • MEMBER
  • 36 POSTS
  • 2001 DODGE RAM
  • V8
  • RWD
  • 200,000 MILES
So my problem is in the odometer spot it reads no bus and my check engine light is on I have had 3 different code readers read it and pulls no codes but check engine light is still on I have heard the no bus will make it do that. The truck seems to run fine gauges work it doesn't die randomly nothing out of the normal but I have no clue what to do my tags are out and I can't get inspection with the light on I would appreciate help I am a younger guy with not enough money to take it to I dealership
Was this
answer
helpful?
Yes
No
Saturday, October 3rd, 2020 AT 1:38 PM (Merged)
Tiny
HMAC300
  • MECHANIC
  • 48,601 POSTS
The code readers you are using are probably form an auto parts and won't read that you need this video. https://youtu.be/InIlnsjOVFA
Was this
answer
helpful?
Yes
No
Saturday, October 3rd, 2020 AT 1:38 PM (Merged)
Tiny
BKAEMPFE1989
  • MEMBER
  • 36 POSTS
I had auto zone read it and 2 mechanics and one of them had the really big nice snap on one said it was a high dollar code reader he didn't know why it wouldn't pull anything up but for me to have them run through my truck and have them run test it is 100 dollars just to diagnose
Was this
answer
helpful?
Yes
No
Saturday, October 3rd, 2020 AT 1:38 PM (Merged)
Tiny
HMAC300
  • MECHANIC
  • 48,601 POSTS
I really don't know what to tell you however check the grounds in the pic plus the one at center of dash and front of engine, that means making sure they are clean and not corroded. Also take the cluster out smack it a few times with your hand and then put it back in some guys have had luck with that because cluster controls bus voltage also check battery for condition including load test
Was this
answer
helpful?
Yes
No
+1
Saturday, October 3rd, 2020 AT 1:38 PM (Merged)
Tiny
BKAEMPFE1989
  • MEMBER
  • 36 POSTS
Ok thank you anyways for trying and could you send pics one more time they didn't show up on last message
Was this
answer
helpful?
Yes
No
Saturday, October 3rd, 2020 AT 1:38 PM (Merged)
Tiny
HMAC300
  • MECHANIC
  • 48,601 POSTS
I forgot to send it sorry it's only one. But try smacking the cluster first like I said only thing you'll have to remove it.
Was this
answer
helpful?
Yes
No
+2
Saturday, October 3rd, 2020 AT 1:38 PM (Merged)
Tiny
COVERT_OPPS
  • MEMBER
  • 1 POST
  • 2001 DODGE RAM
  • V8
  • 4WD
  • AUTOMATIC
  • 11,500 MILES
Hello and thanks in advance.
Brief background- Father and I removed transmission and changed torque converter. Truck started and was running fine during fluid fill up, I actually turned it off and restarted several times. When the fluid level was believed to be correct, and we could feel the transmission engage in both reverse and drive. I backed the truck up about 15 feet to turn around then I decided to shut it off to check/make sure that the transfercase was in 2-high before driving down the road. I ran the shifter on the transfercase through the four different gears and made sure that I was indeed in 2-high and when I tried to start it back up I could not. The motor would turn over but not start. I had no readings at the gauges and could not hear the fuel pump turn on at all. I then looked at the odometer and read the words "no bus". I have since looked up what that phrase means but am very curious to know how what happened in the time I shut the truck down to check the position of the transfercase shift lever and the failed restart.

I have not had a whole lot of time to spend working on this problem with my busy work schedule, but the one thing that I do want to do before continuing the work on my truck is make sure that the electrical and sensor connections at the transmission are good and at the same time replace a wire/plug that was damaged by a jack malfunction at the front axle during the torque converter change. I am not sure if this damaged wire came into play during my transfer case run through of the gears or not but is seems like a good baseline to have before proceeding any further.
Was this
answer
helpful?
Yes
No
Saturday, October 3rd, 2020 AT 1:38 PM (Merged)
Tiny
SERVICE WRITER
  • MECHANIC
  • 9,123 POSTS
The CCD bus is the communication system between all the modules on the vehicle.(Powertrain control module, transmission control module, air bag module, body control module, etc.) When either the connection between the modules or a module itself has an open or short the ENTIRE communication system goes down(No BUS on the odometer will indicate this) The PCM checks on the other modules and the system integrity all the time. The easiest way to find out whether or not you have a module not responding or a link between it is to one by one un-plug a module. With a module un-hooked, clear the codes and see if the CCD bus is back up. If it is, you found your problem. If not, plug it back in and try another. CCD bus problems are found by this method.

The pcm and cluster can not be tested in this way as they provide ground. I have run into an issue with a PCM that went down when temperature affected it. This can be confirmed by removing the pcm, putting it in the freezer and then re-installing to confirm. I have heard of cluster circuit boards with bad solder points. But since this problem is new and happening after the work you did, first recheck anything that was unplugged and possibly damaged or corroded.
Was this
answer
helpful?
Yes
No
Saturday, October 3rd, 2020 AT 1:38 PM (Merged)
Tiny
DOUG WENZEK
  • MEMBER
  • 1 POST
  • 2000 DODGE RAM
Intermittent start problem. Trucks runs good can die when driving with no notice, sometimes will start after one minute, Mileage blinks then shows (No Bus). I have no code with OBD2. Had it in a dodge repair shop, no luck finding problem. No mechanic seems to know what (No Bus) means. Can you please help.
Thank You
Doug Wenzek
Was this
answer
helpful?
Yes
No
Saturday, October 3rd, 2020 AT 1:39 PM (Merged)

Please login or register to post a reply.