Power windows and door locks

Tiny
MOPAR 440
  • MEMBER
  • 2000 DODGE DAKOTA
Door and my problem is the power windows do not work at all and the power door locks works with the keyless remote but will not work with the switch inside. When you get up to 15 mph the doors lock fine but will not manually lock or unlock from the inside. This all happened at the same time about 2 weeks ago. I would appreciate any help anyone can give me.
Thanks
Jeff
Tuesday, September 29th, 2009 AT 6:29 PM

6 Replies

Tiny
JACOBANDNICKOLAS
  • MECHANIC
  • 110,194 POSTS
Jeff:

Lets start simple. Have you checked all fuses? Also, if so and they are good, have you removed the switchs on the driver's side to check if they are getting power? I believe if the power supply to the main switch on the driver's side looses power, they all do. It could be tied into the lock switch too.

Let me know.
Was this
answer
helpful?
Yes
No
+1
Saturday, October 3rd, 2009 AT 9:53 PM
Tiny
MOPAR 440
  • MEMBER
  • 2 POSTS
I checked the fuse for the door locks and it was fine but I couldn't find a fuse for the power windows. I checked the doors again and the passenger side lock will lock and unlock the doors but the drivers side will not do anything and the windows will not work on any door. I don't know if I mentioned this before but this is a Quad cab truck.
Thanks
Jeff
Was this
answer
helpful?
Yes
No
+2
Tuesday, October 6th, 2009 AT 6:30 PM
Tiny
JACOBANDNICKOLAS
  • MECHANIC
  • 110,194 POSTS
You will need to check for power to the windows and locks not working. We need to determine first if power is getting to the switches and then is it going through them.
Was this
answer
helpful?
Yes
No
+6
Wednesday, October 7th, 2009 AT 7:50 AM
Tiny
MOPAR 440
  • MEMBER
  • 2 POSTS
Which fuse works the power locks and which fuse works power windows what number fuse is it on a 2000 Dodge Dakota... And where does the main power come from how do you check that. What fuse is for the power windows... What number is it... Where is it located..?
Was this
answer
helpful?
Yes
No
Saturday, November 23rd, 2019 AT 1:38 PM
Tiny
STEVE W.
  • MECHANIC
  • 15,691 POSTS
MOPAR 440 Could you please use this link https://www.2carpros.com/questions/new
to ask this as a new question, it is easier to get answers that way as you will be seen by more people. Please give as much information about the vehicle and the problem as possible. Thank You
Was this
answer
helpful?
Yes
No
Tuesday, November 26th, 2019 AT 1:40 PM
Tiny
KEN L
  • MASTER CERTIFIED MECHANIC
  • 55,450 POSTS
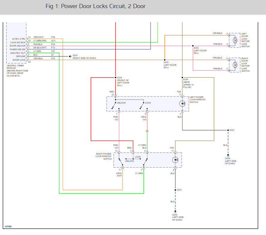
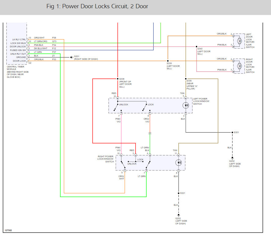
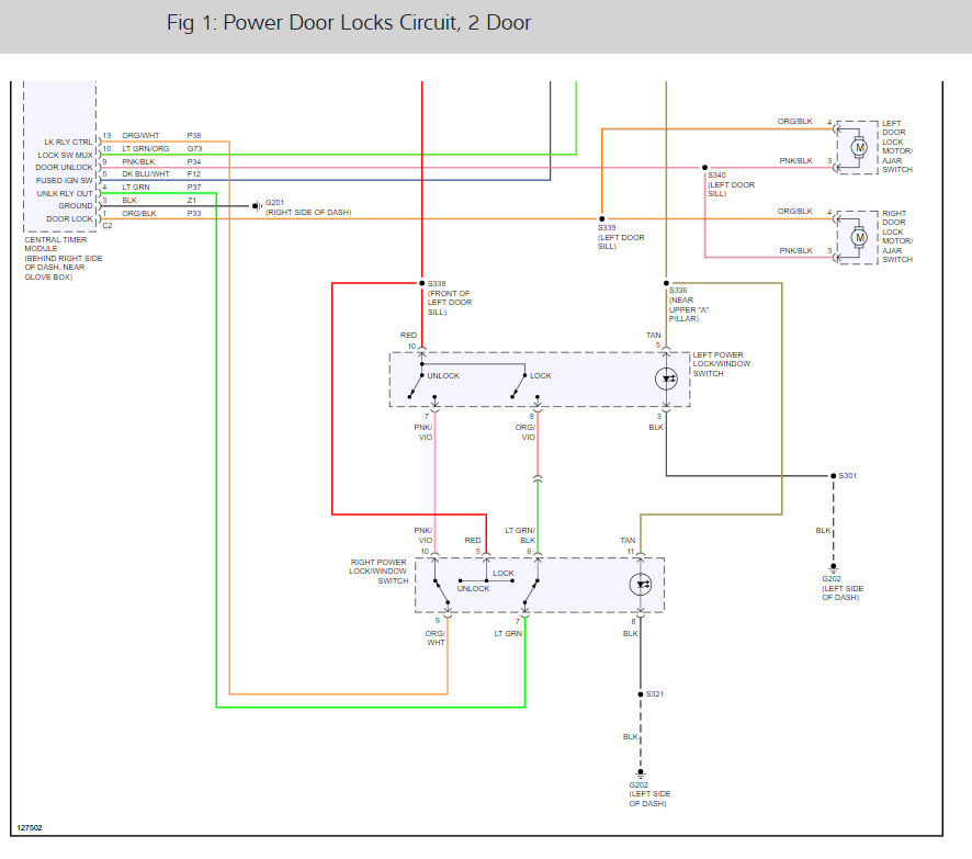
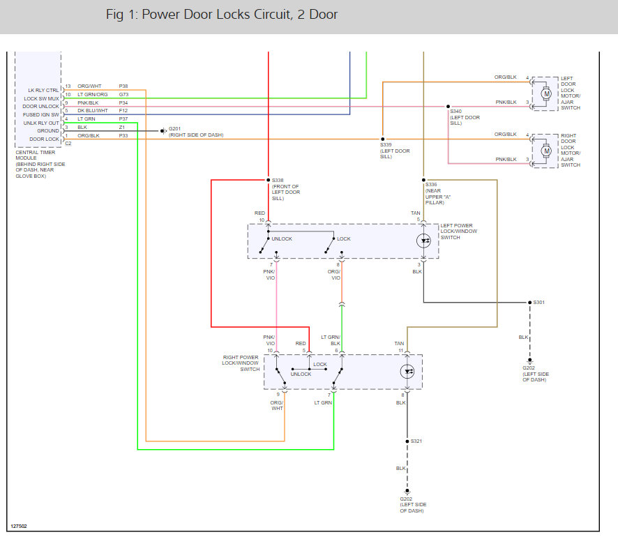
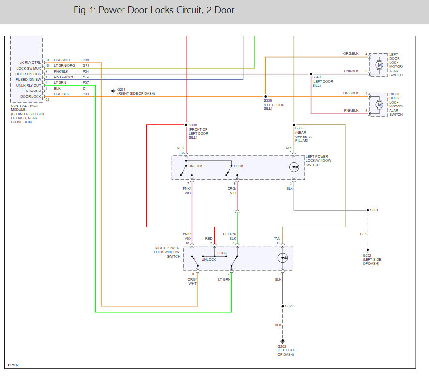
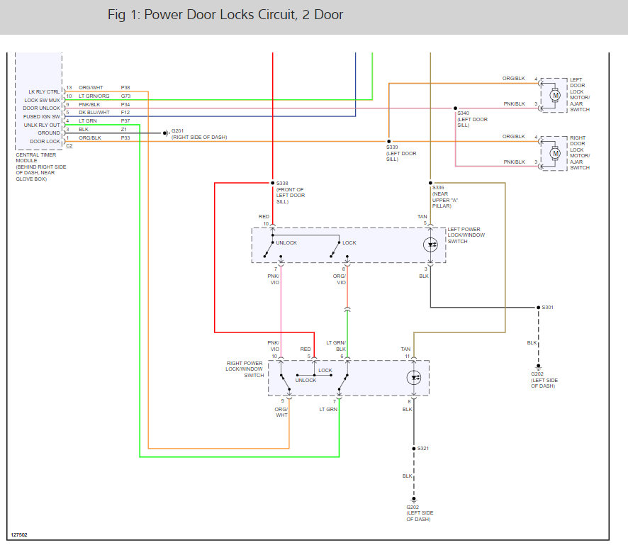
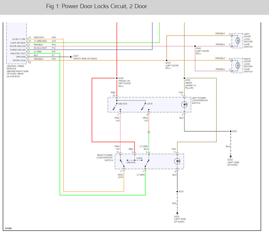
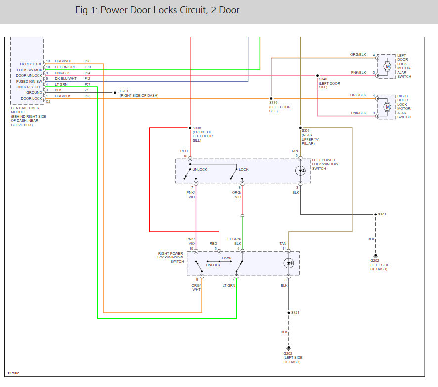
Here is the door lock and wiring diagrams for the locks and windows so you can see how the system works and which fuses to check:

https://www.2carpros.com/articles/how-to-check-a-car-fuse

Check out the diagrams (below). Please let us know what you find. We are interested to see what it is.
Was this
answer
helpful?
Yes
No
-2
Wednesday, November 27th, 2019 AT 11:58 AM

Please login or register to post a reply.