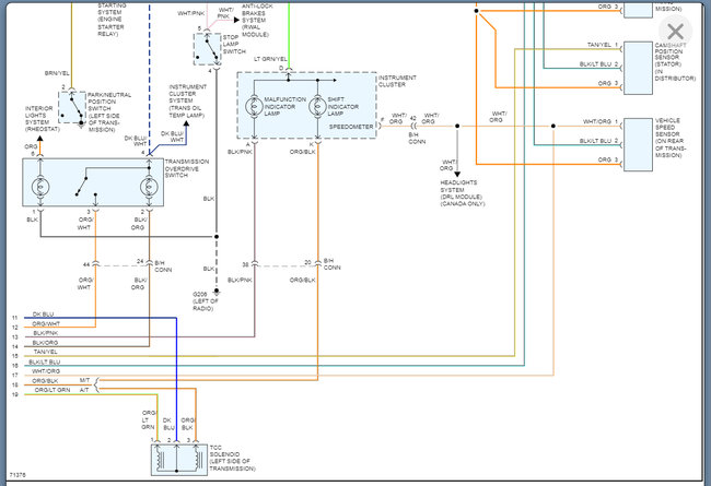
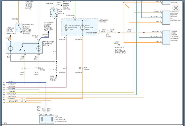
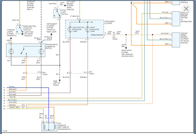
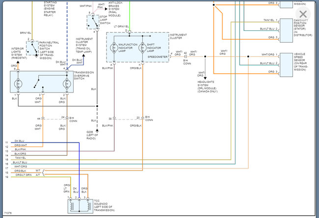
There's a catch. There is an O/D Off button on the dash, to control the overdrive. When the car is working, the light will turn on and off when I push the button. However, when the truck is acting up, the light will not turn on and off when I push the button. As soon as the O/D light starts working, the truck will start right up.
Last week it started doing something new. Instead of the switch just not working, when I turn the ignition to on the light came on for just a moment and then turned off, and when the light came on there was a "click" by the battery in the engine compartment. But it still did not start.
I've had the fuel pressure checked and it is fine. I can't figure this out, please help!
Saturday, February 9th, 2008 AT 4:53 PM







