Truck won't start because their is no spark to coil?

Tiny
WRENCHTECH
  • MECHANIC
  • 20,761 POSTS
The coil is a transformer. It needs a 12v power supply and a pulsing reference signal to work. Use a noid light to test for correct signals arriving while cranking.
Was this
answer
helpful?
Yes
No
+1
Tuesday, July 30th, 2019 AT 1:17 PM (Merged)
Tiny
FERINO68
  • MEMBER
  • 5 POSTS
How would I test that? I will be more then happy to send more donation money if this works. It is so frustrating. Thanks!
Was this
answer
helpful?
Yes
No
Tuesday, July 30th, 2019 AT 1:17 PM (Merged)
Tiny
BROKENEGGS
  • MEMBER
  • 198 POSTS
Seems That You Still Do Not Understand What I Am Asking. I Already Know That Their Is No Current Reaching The Coil. What I Really Need To Know Is What Supplies The Current To The Coil So That I Can Go To The Place That Supplies The Current To The Coil To Check Out Why It Is Not Sending Any Current To The Coil.
Was this
answer
helpful?
Yes
No
Tuesday, July 30th, 2019 AT 1:17 PM (Merged)
Tiny
RASMATAZ
  • MECHANIC
  • 75,992 POSTS
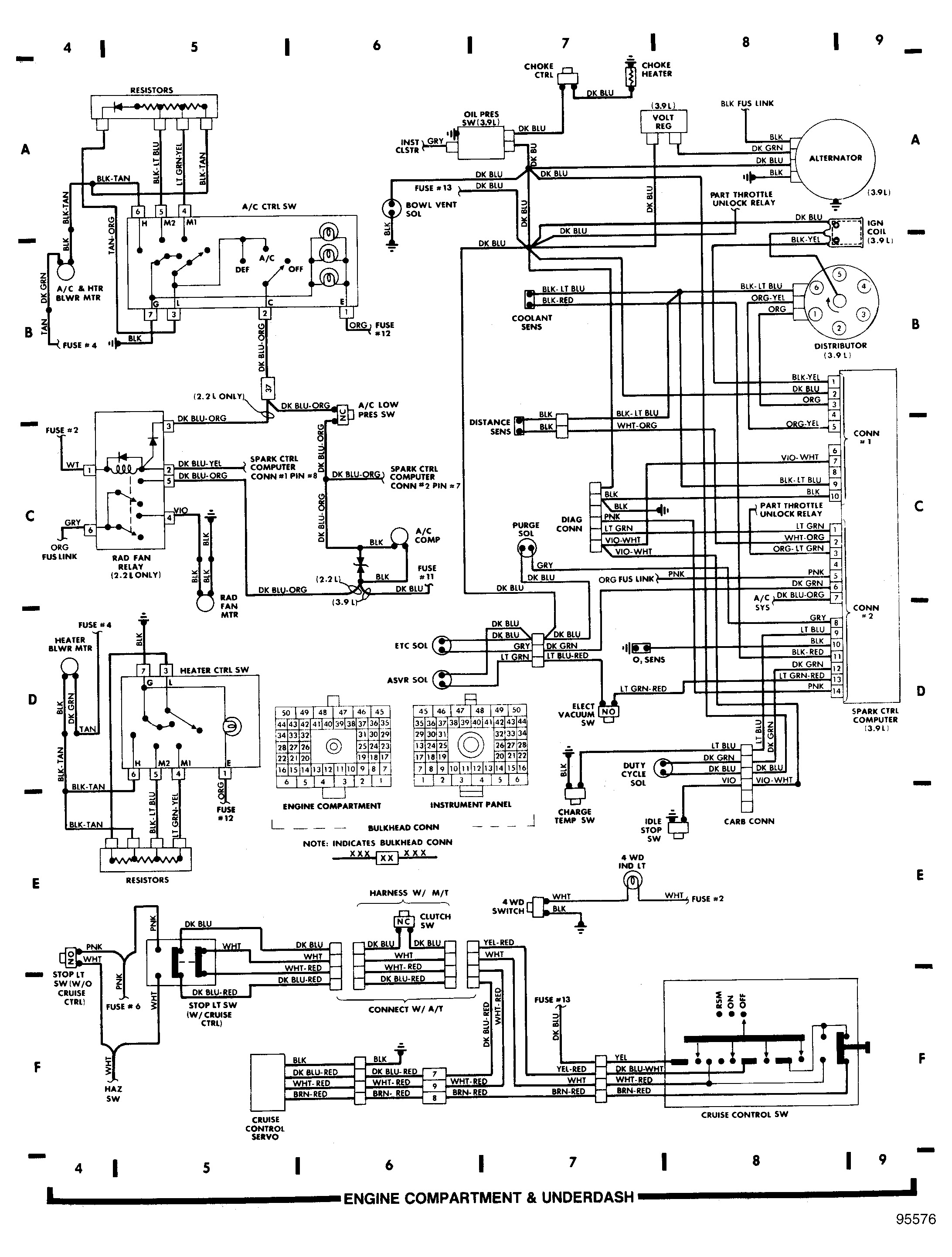
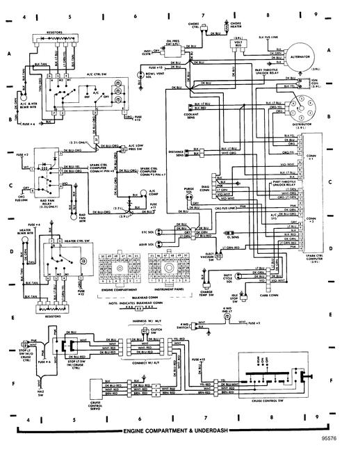
At the ASD relay socket with dark blue wire turn ignition On do you have power on it? If so check the continuity between the dark blue/yellow at the ASD relay socket wire all the way to the computer pin#58 K19 dark blue and yellow do you have continuity if so the computer controlled of the ASD relay is defective
Was this
answer
helpful?
Yes
No
-1
Tuesday, July 30th, 2019 AT 1:17 PM (Merged)
Tiny
WRENCHTECH
  • MECHANIC
  • 20,761 POSTS
It's powered off the voltage regulator on a dark blue wire. This also powers just about everything else in the engine compartment so I really doubt that supply is missing.
Was this
answer
helpful?
Yes
No
+1
Tuesday, July 30th, 2019 AT 1:17 PM (Merged)
Tiny
BROKENEGGS
  • MEMBER
  • 198 POSTS
Since the coil gets it's power from the voltage regulator, would this mean that the voltage regulator controls the power flow from the alternator (right) if this is true, then it would seem to me that the truck would have to be running before it could send current to the coil. ( Is this right ). If this is right, then this would explain why the coil has no current on it, since the truck is not running. And if this all is right then there would be no way for any fire to reach the distributor. Is all this right or not? Just checking. Would the spark computer have anything to do with anything?
Was this
answer
helpful?
Yes
No
+2
Tuesday, July 30th, 2019 AT 1:17 PM (Merged)
Tiny
WRENCHTECH
  • MECHANIC
  • 20,761 POSTS
Looking at the diagram again, that may be power going to the regulator, not from. Test both sides of fuse #13 with the key on using a test light.
Was this
answer
helpful?
Yes
No
+1
Tuesday, July 30th, 2019 AT 1:17 PM (Merged)
Tiny
BROKENEGGS
  • MEMBER
  • 198 POSTS
Thanks for that. I get paid 4/1/2014 and I will purchase a test light that day and test both sides of fuse # 13.
Was this
answer
helpful?
Yes
No
+3
Tuesday, July 30th, 2019 AT 1:17 PM (Merged)

Please login or register to post a reply.