Check engine light won't come on

Tiny
RHB52
  • MEMBER
  • 1992 DODGE DAKOTA
6 cyl Four Wheel Drive Automatic

I have a 1992 Dodge Dakota and the check engine light won't come on and won't start. Already put a new fuel filter and fuel pump on it and checked fuses and relays. Can't figure out whats wrong.
Friday, September 24th, 2010 AT 8:57 PM

5 Replies

Tiny
JACOBANDNICKOLAS
  • MECHANIC
  • 110,194 POSTS
Hello,

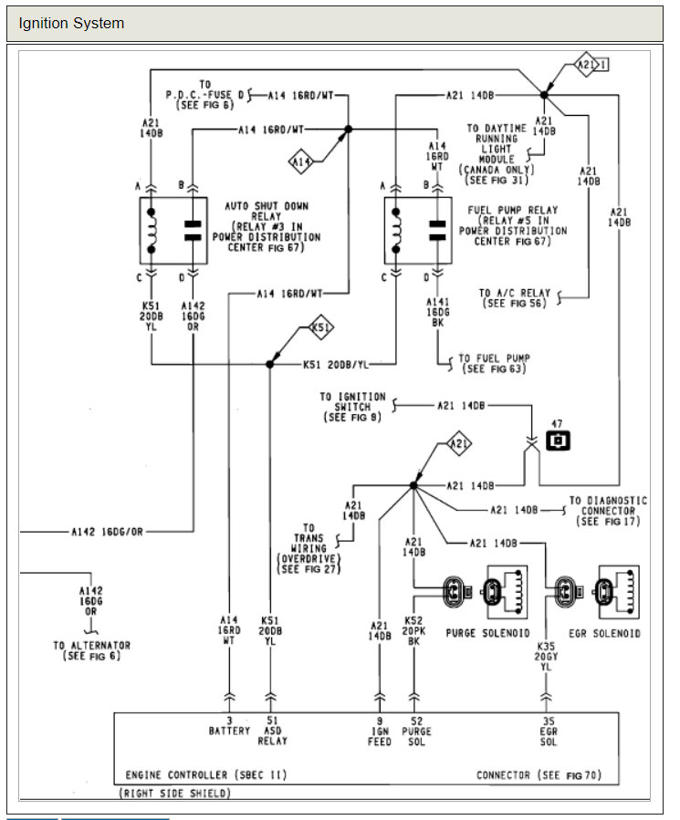
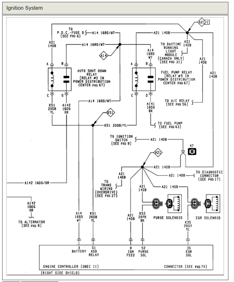
This sounds like you have an auto shut down relay that is having a problem here is a guide and a wiring diagram so you can see how the system works and a guide to help you test the relay.

https://www.2carpros.com/articles/how-to-check-an-electrical-relay-and-wiring-control-circuit

Do that and let me know what you find.

Joe
Was this
answer
helpful?
Yes
No
-2
Friday, September 24th, 2010 AT 11:18 PM
Tiny
RHB52
  • MEMBER
  • 3 POSTS
Like I said check engine light does not come on. Cant get any codes when it don't come on. I will check the relay tonight
Was this
answer
helpful?
Yes
No
+2
Saturday, September 25th, 2010 AT 12:44 AM
Tiny
JACOBANDNICKOLAS
  • MECHANIC
  • 110,194 POSTS
On these vehicles, the light doesn't need to come on. I have owned Dakotas for years. Presently I have a 93. Sold my 92 to get an extended cab.

This guide will help

https://www.2carpros.com/articles/retrieve-trouble-codes-for-chrysler-dodge-plymouth-odb1-1995-and-earlier-car-mini-van-and-light-trucks

Unlike the newer vehicles, the light can be off and codes still be stored in the computer. If you have already tried the process, let me know.

Joe
Was this
answer
helpful?
Yes
No
-1
Saturday, September 25th, 2010 AT 1:01 AM
Tiny
RHB52
  • MEMBER
  • 3 POSTS
I was trying to check the codes to see what the problem is but when I replaced the relay the system came back to life now everything is running great! Thanks for your help this site rocks.
Was this
answer
helpful?
Yes
No
Saturday, September 25th, 2010 AT 1:06 AM
Tiny
JACOBANDNICKOLAS
  • MECHANIC
  • 110,194 POSTS
Use 2CarPros anytime, we are here to help. Please tell a friend.

Cheers
Was this
answer
helpful?
Yes
No
+1
Sunday, September 26th, 2010 AT 12:46 AM

Please login or register to post a reply.