Won't start

Tiny
RWOU812
  • MEMBER
  • 1991 DODGE DAKOTA
  • 6 CYL
  • 2WD
  • AUTOMATIC
  • 131,000 MILES
Engine will not turn over. On the key, hear it energizing, turn the key and hear the starter - but will not turn. It's not clicking, just hear a "grunt" and then nothing. Battery is good, removed starter and had bench tested and it is OK.
Wednesday, March 11th, 2009 AT 10:20 PM

2 Replies

Tiny
KASEKENNY
  • MECHANIC
  • 18,907 POSTS
We need to start with checking the voltage at the starter when you are turning the key. I suspect we have an issue with the relay or the wiring.

So, if we don't have voltage at the starter then we need to check the relay to find out if this is the issue. Here is a guide that will help with this:

https://www.2carpros.com/articles/how-to-check-an-electrical-relay-and-wiring-control-circuit

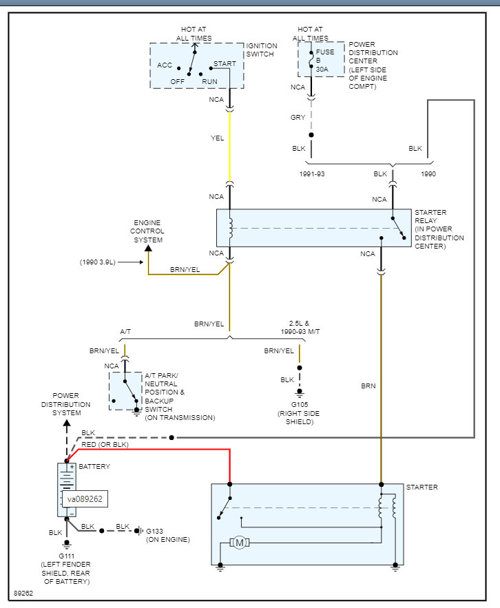
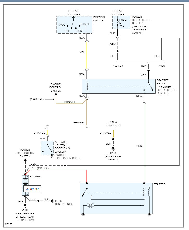
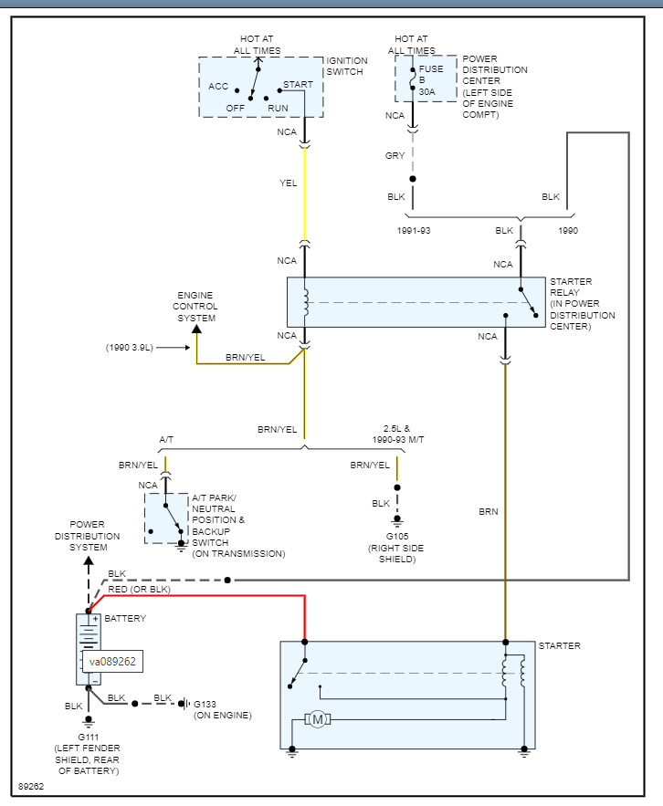
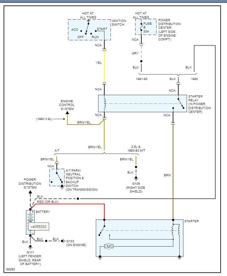
Below you will find the wiring diagram that will help with this as well.

However, if you have less then 12 volts at the starter on the trigger wire then you more than likely have resistance in the wiring. I would do a voltage drop test which is just checking the voltage on the wire from end to end. Check both the battery feed wire, the wire from the starter to the relay and the wiring from the battery to the relay.

https://www.2carpros.com/articles/how-to-check-wiring

Please run through this and let us know what you find. Thanks
Was this
answer
helpful?
Yes
No
Sunday, November 7th, 2021 AT 7:29 PM
Tiny
RWOU812
  • MEMBER
  • 2 POSTS
Turned out to be corroded wires (black) just outside of the power distribution box. Re-stripped and tied them back together and it fired right up.

Thanks for all the help!
Was this
answer
helpful?
Yes
No
Sunday, November 7th, 2021 AT 7:29 PM

Please login or register to post a reply.