Unable to locate the interior fuse panel - fuse diagrams

Tiny
PAPPA_RICK
  • MEMBER
  • 2006 DODGE CARAVAN
I have been unable to locate the interior fuse panel. The one under the hood doesn't have what i'm looking for. One of the power side doors is not working and I wanted to check the fuse but was unable to locate the panel. Can you tell me where it is located?
Saturday, November 8th, 2008 AT 11:34 AM

15 Replies

Tiny
KEN L
  • MASTER CERTIFIED MECHANIC
  • 55,469 POSTS
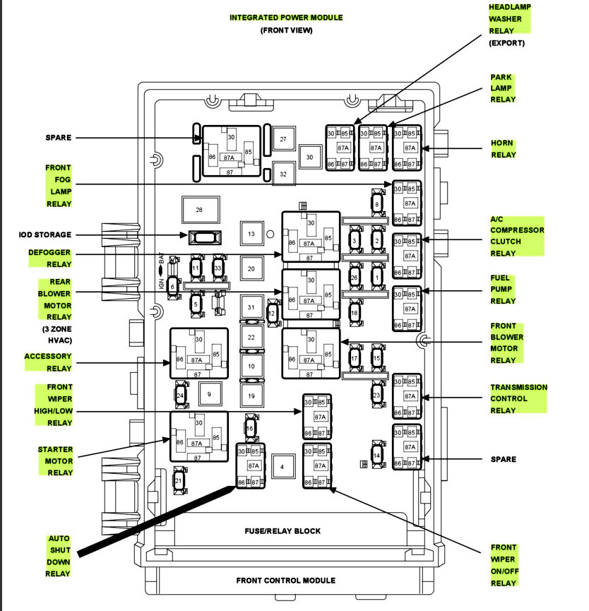
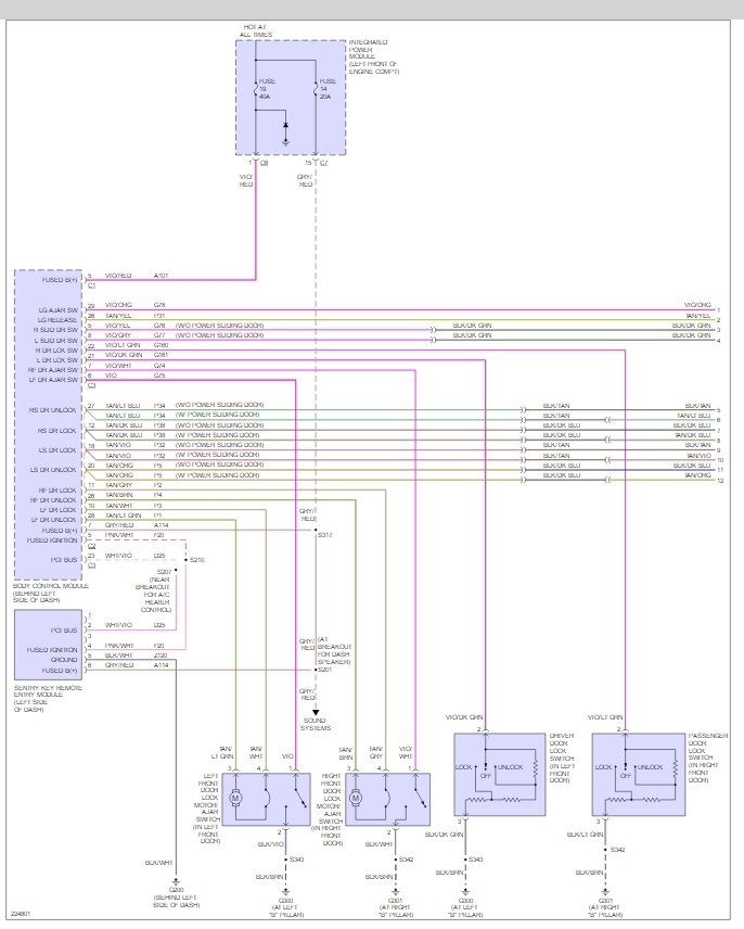
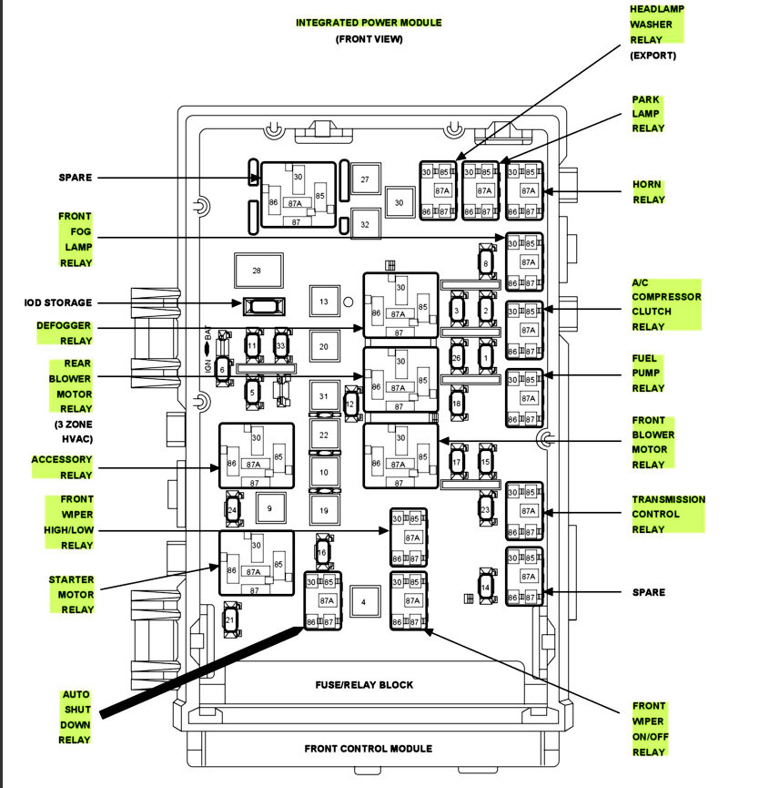
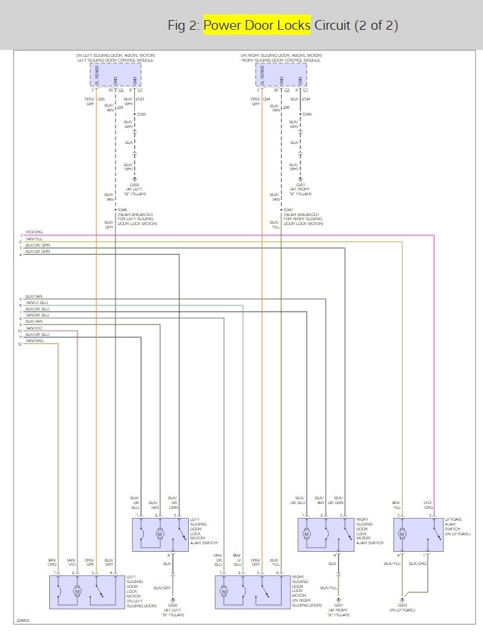
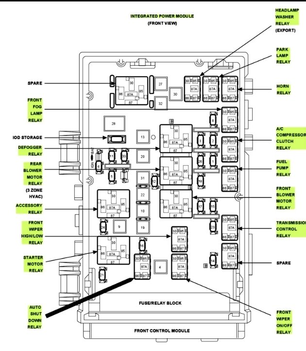
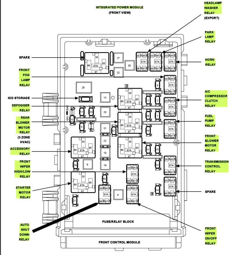
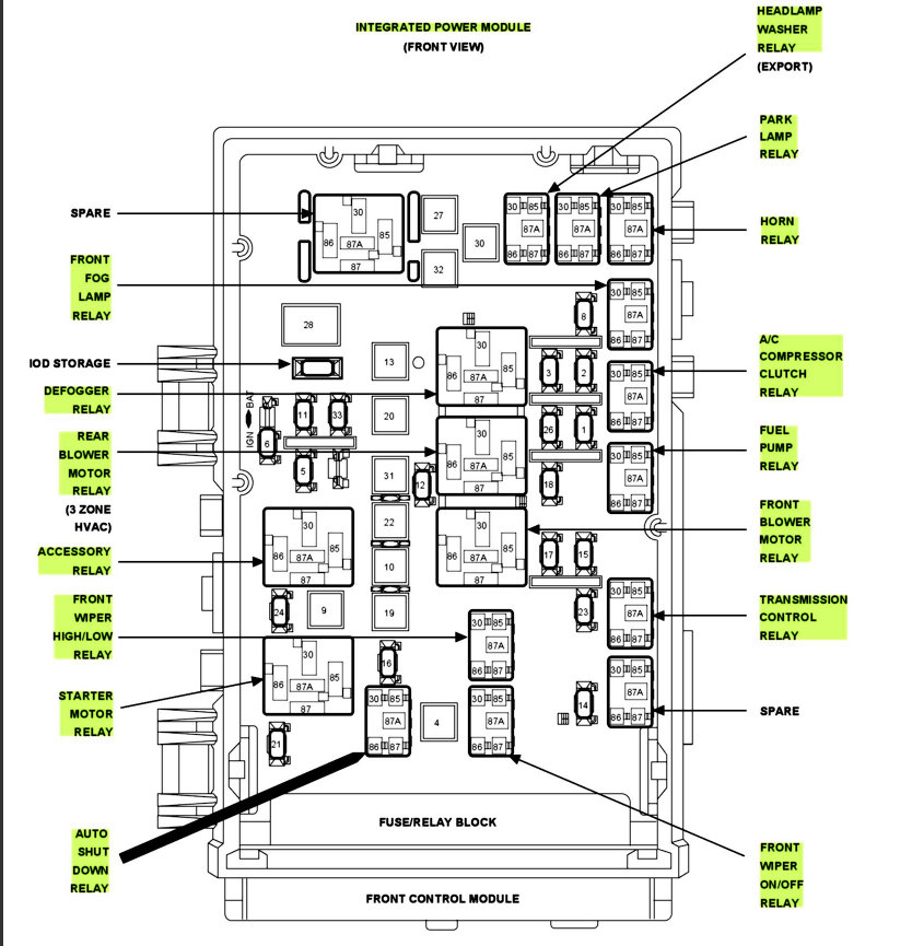
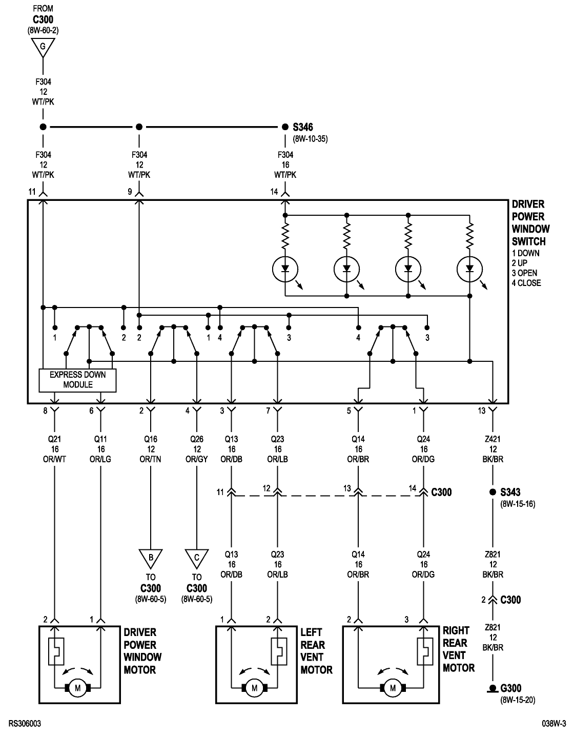
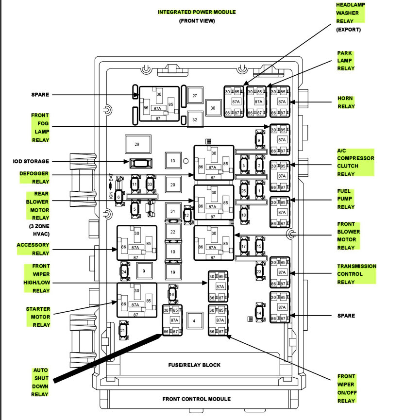
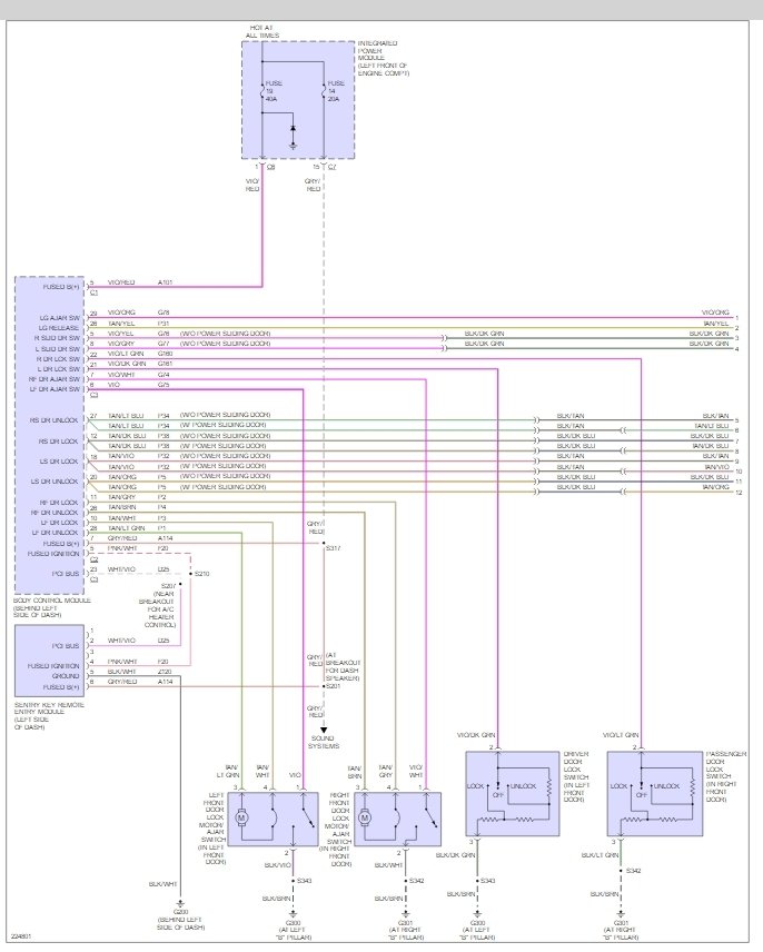
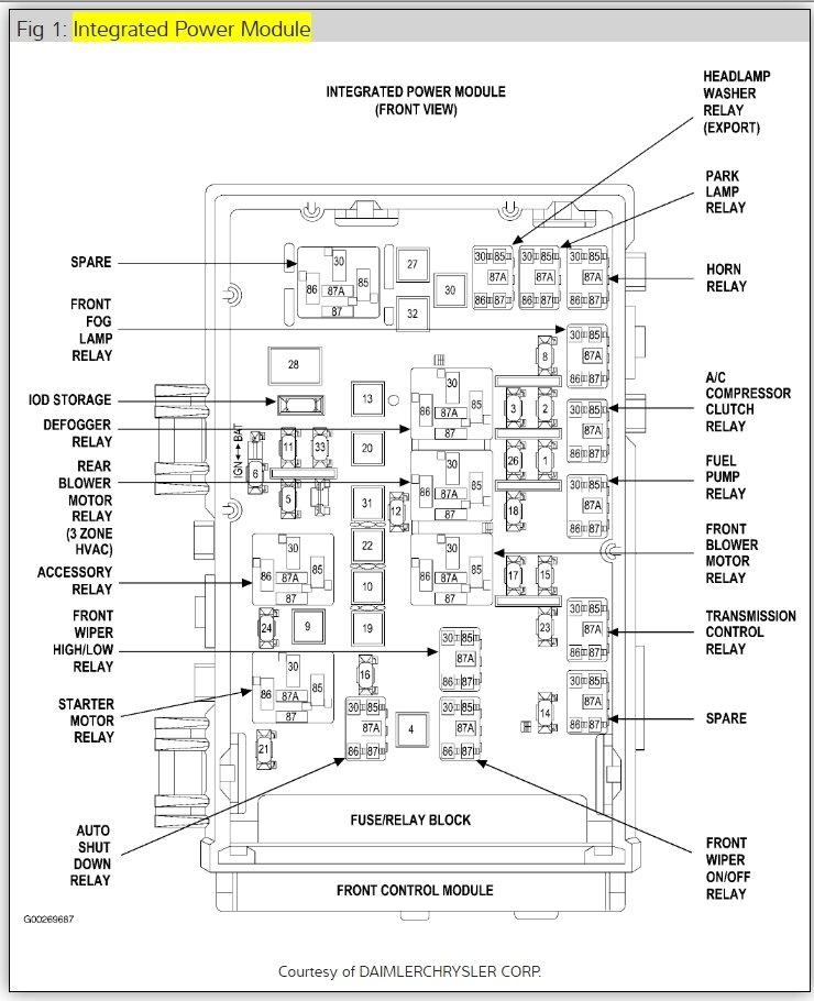
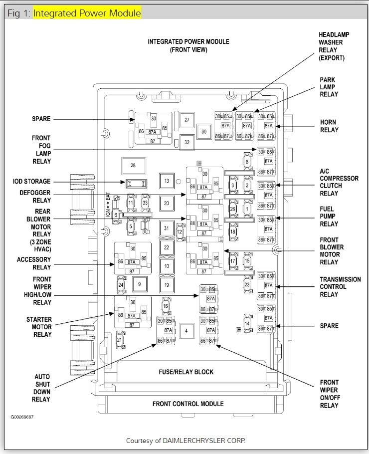
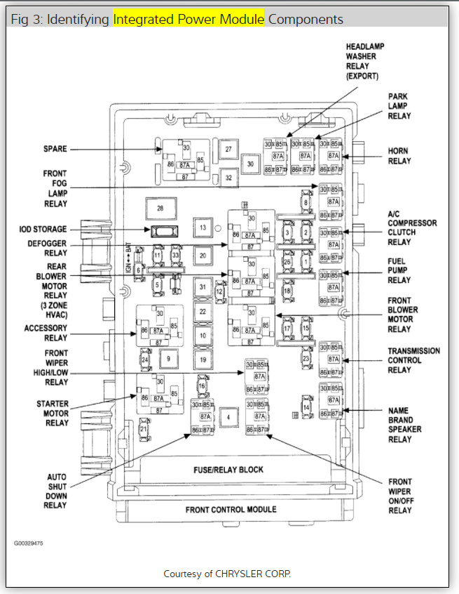
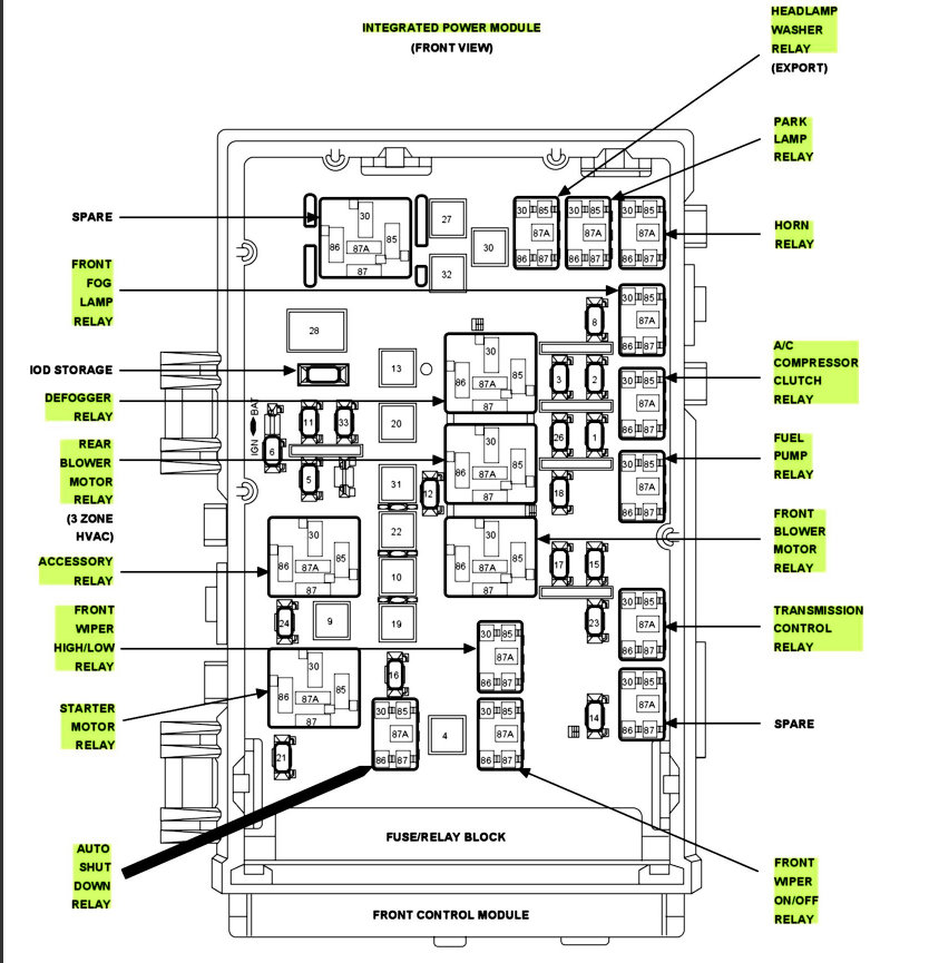
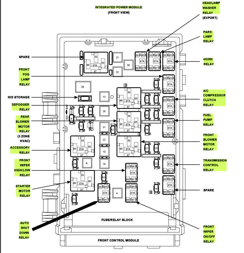
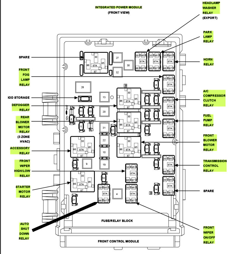
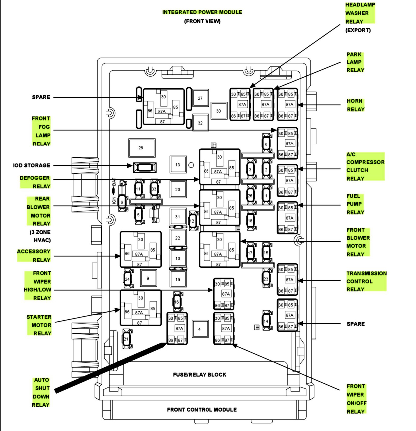
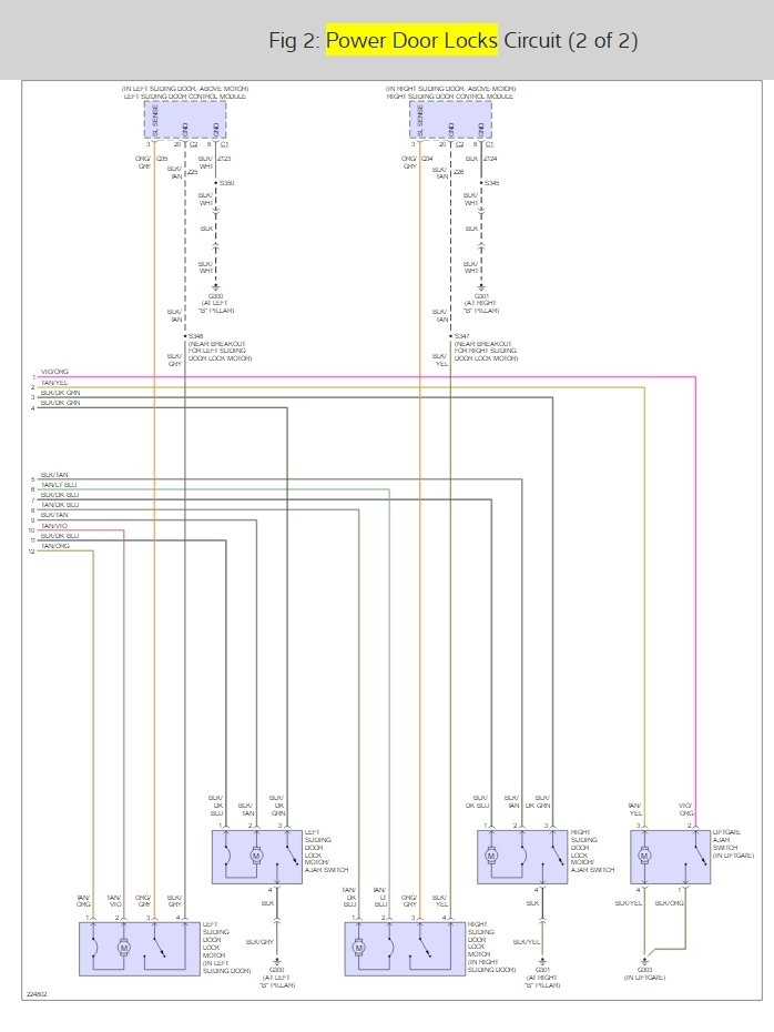
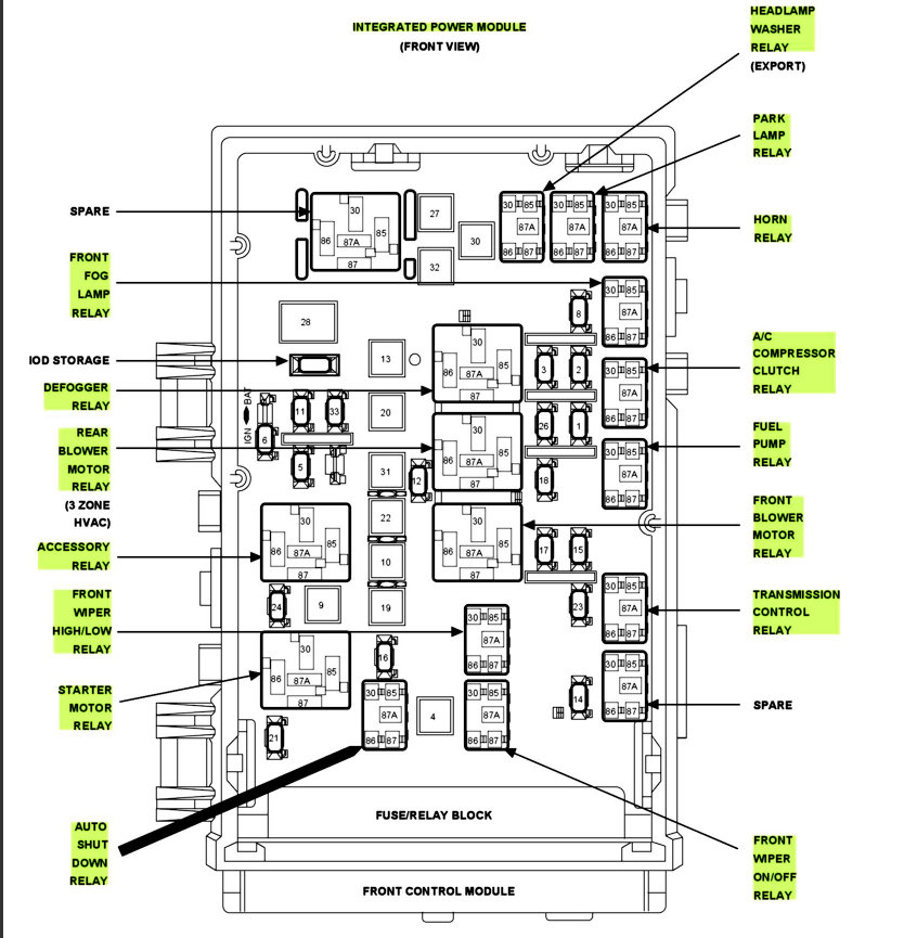
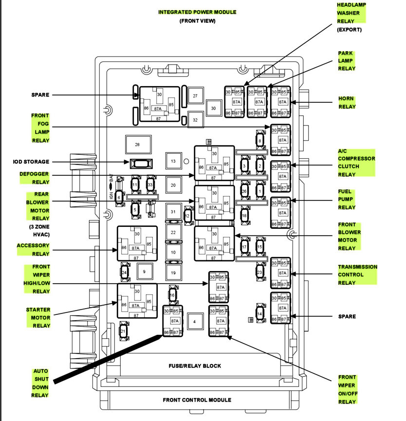
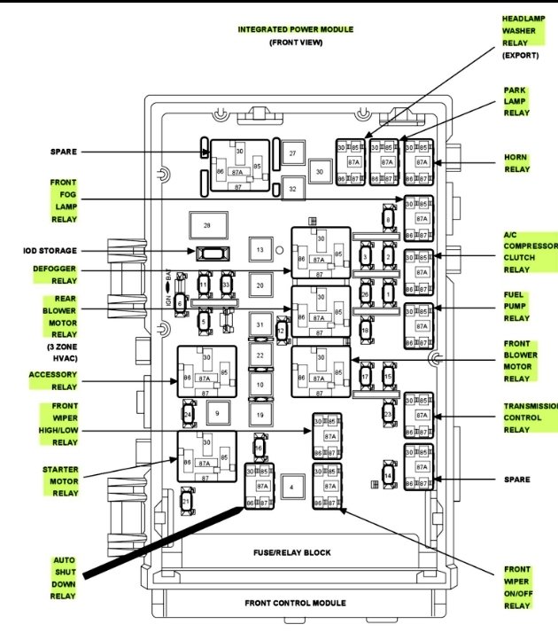
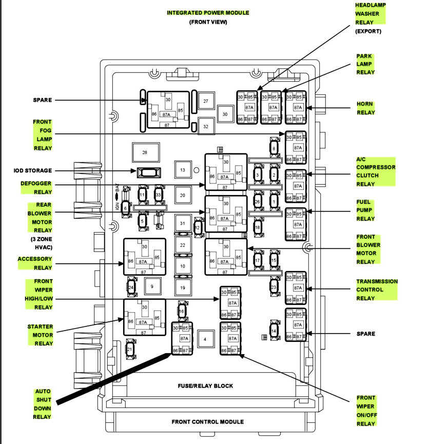
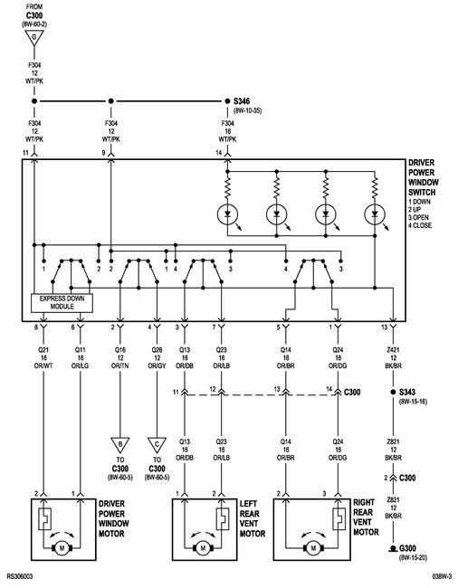
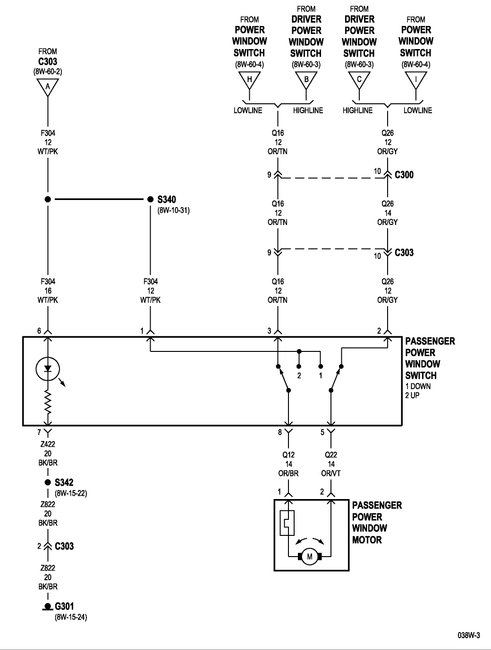
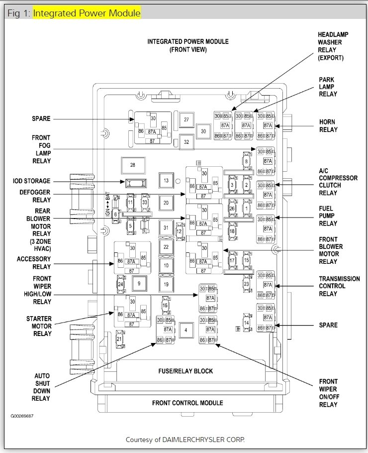
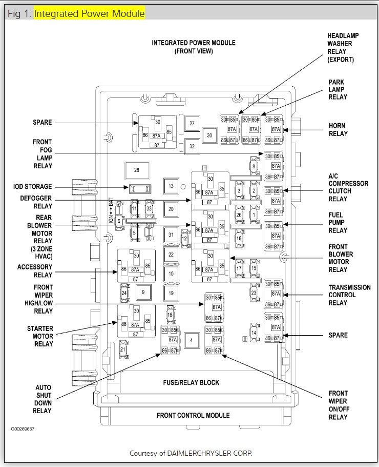
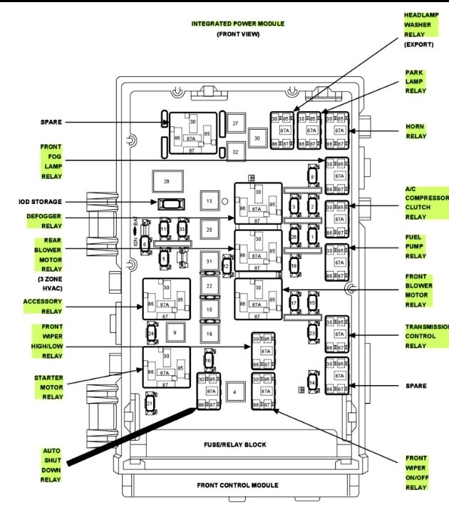
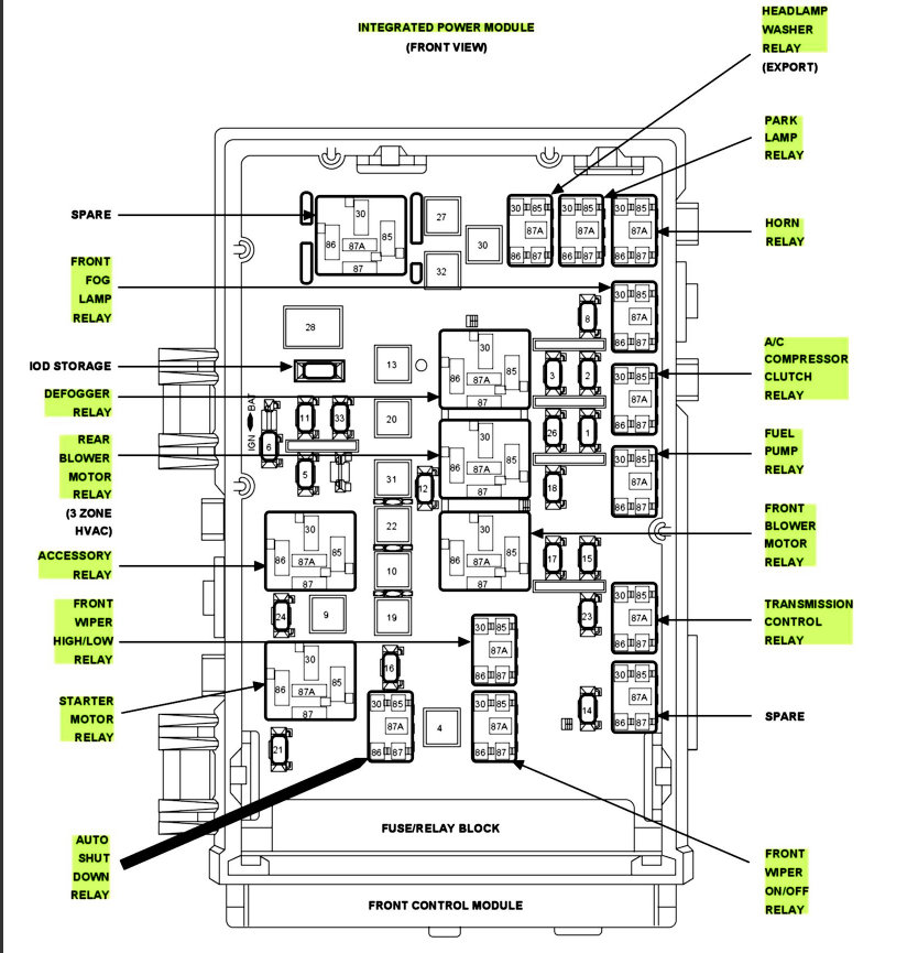
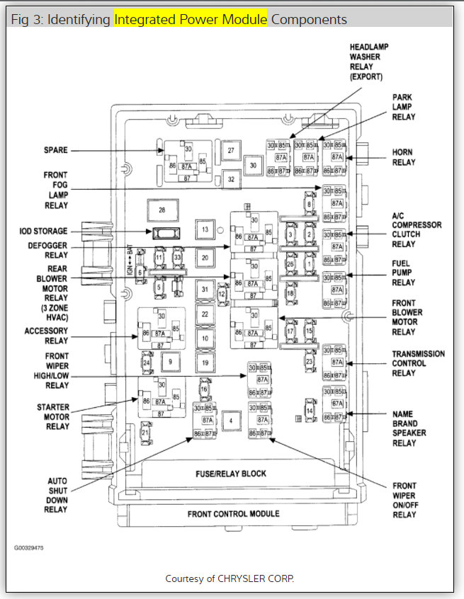
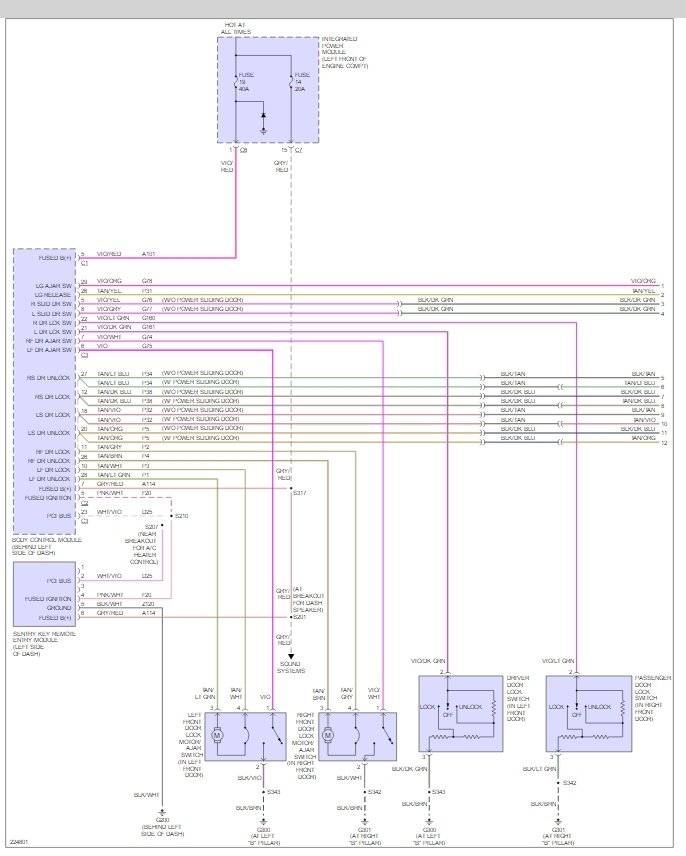
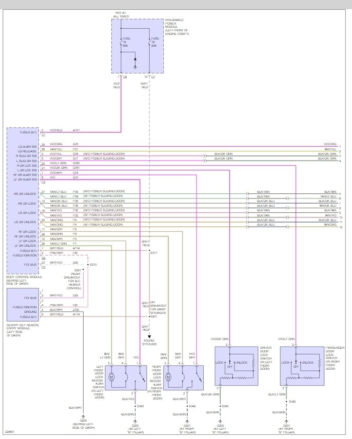
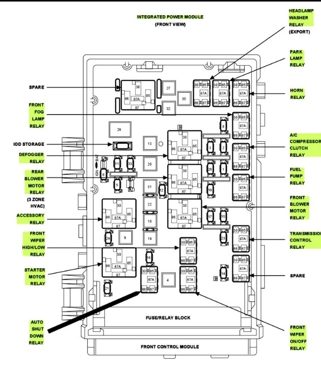
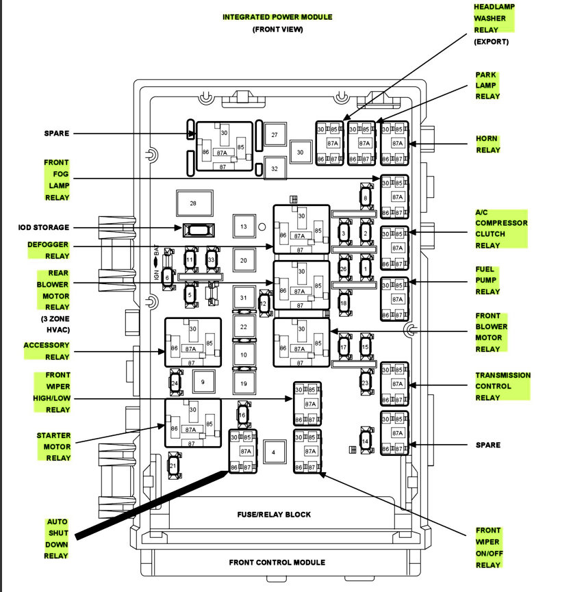
Hello again, It looks like the sliding door is powered by the BCM which has its fuses under the hood, I found these diagrams for you, please get back to me so it will help others.

But if just one door is not working it is the fault of the door motor or switch not the power system.

1 20A Fog Lights
2 15A Left Park/Tail Light
3 15A Right Park/Tail Light
4 30A Front Wipers
5 20A RDO/IP Ignition
6 20A 12 Volt Out Ignition or Battery
8 20A Horn
9 40A Anti-Lock Brake System Pump
10 40A Front Blower Motor
11 20A EWD/Rear Wiper
12 25A Rear Blower
13 40A Electronic Brake Light (EBL)
14 20A Ignition Off Draw (IOD)
15 20A Electronic Automatic Transaxle (EATX) Battery
15 25A ASD
17 20A Fuel Pump
18 15A A/C Clutch
19 40A Body Control Module (BCM) Feed 1
20 30A Central Amplifier
21 25A Anti-Lock Brake System (ABS) Module
22 40A Seats
23 10A Ignition Switch
24 20A Hazard
26 20A Stop Lamp
27 40A Radiator Fan
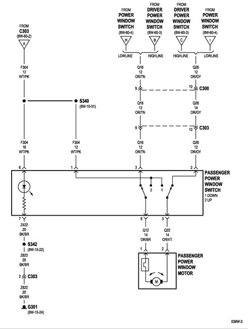
28 40A Power Windows
30 40A Headlight Washers (Export Only)
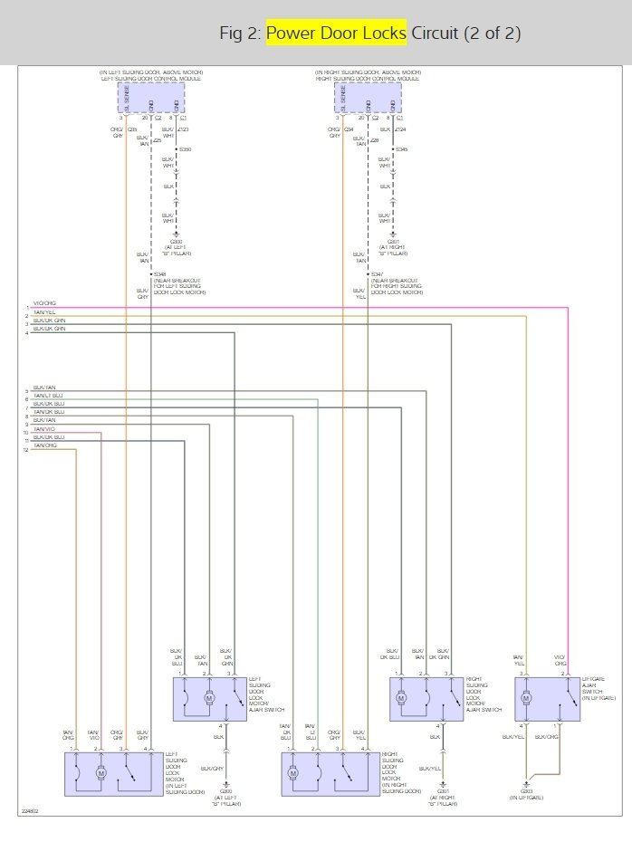
31 40A Power Sliding Door
32 40A Power Liftgate
33 15A Front/Rear Washer

Best, Ken
Was this
answer
helpful?
Yes
No
+7
Tuesday, August 16th, 2016 AT 11:56 AM
Tiny
BUTCHERBAY
  • MEMBER
  • 2 POSTS
  • 2006 DODGE CARAVAN
  • 6 CYL
  • FWD
  • AUTOMATIC
  • 71,000 MILES
Had battery tested, appeared to be bad, replaced battery, no change. Suspect the starter relay or fuse maybe causing the problem. Have not pulled starter to test yet. I need the fuse panel diagrams. Don't want to move to Alaska so car can stay cool, please help.
Was this
answer
helpful?
Yes
No
-2
Saturday, September 19th, 2020 AT 5:48 PM (Merged)
Tiny
MERLIN2021
  • MECHANIC
  • 17,250 POSTS
Hello

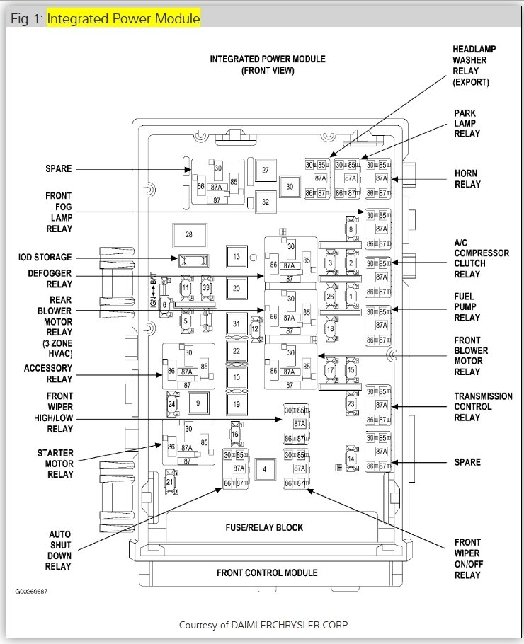
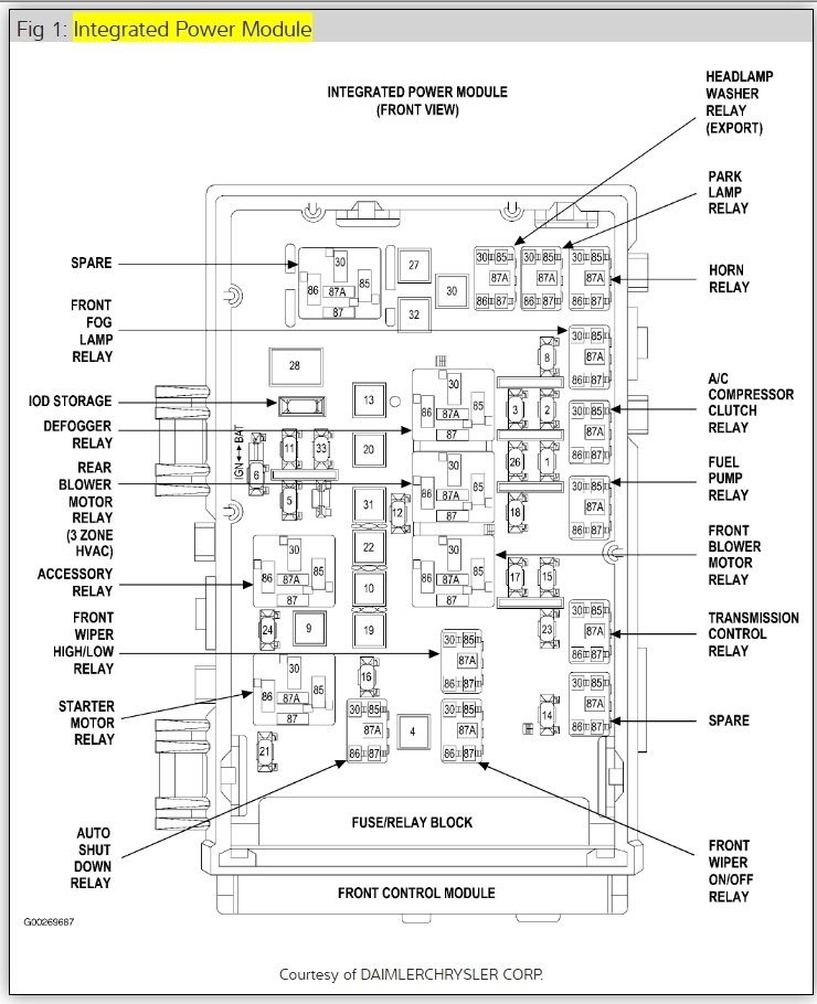
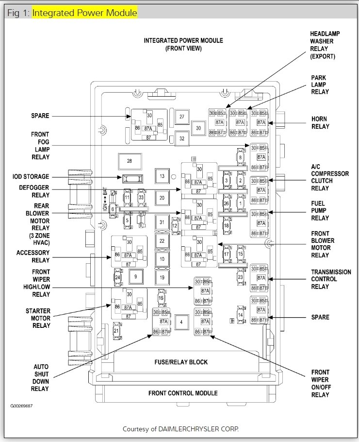
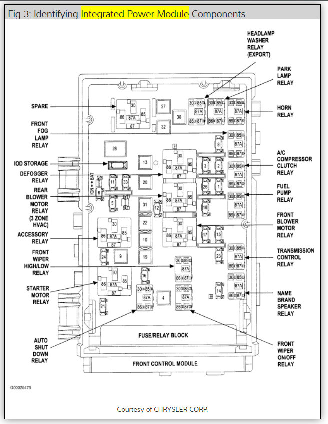
Here is a guide and the fuse panel diagram below.

https://www.2carpros.com/articles/how-to-check-a-car-fuse

What does it do when it wont start? Does it crank? or it does nothing? Try self diagnostic and post any codes it displays. turn ign off , hold trip reset button and turn key on. after five seconds remove key and continue to hold reset button for five seconds. after five seconds release button and self diagnosis will start.

2. After DTC display ends, instrument cluster will go into each of the following tests in order: dim test, calibration test, odometer segment test, and electronic transmission range indicator segment test. Go to DIM TEST

Check out the diagrams (Below). Please let us know if you need anything else to get the problem fixed.
Was this
answer
helpful?
Yes
No
Saturday, September 19th, 2020 AT 5:48 PM (Merged)
Tiny
MERLIN2021
  • MECHANIC
  • 17,250 POSTS
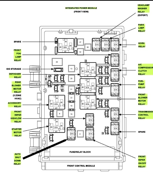
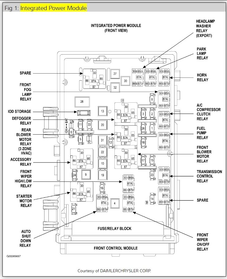
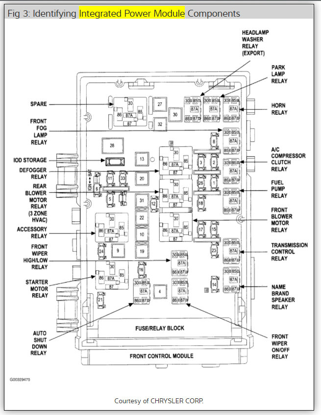
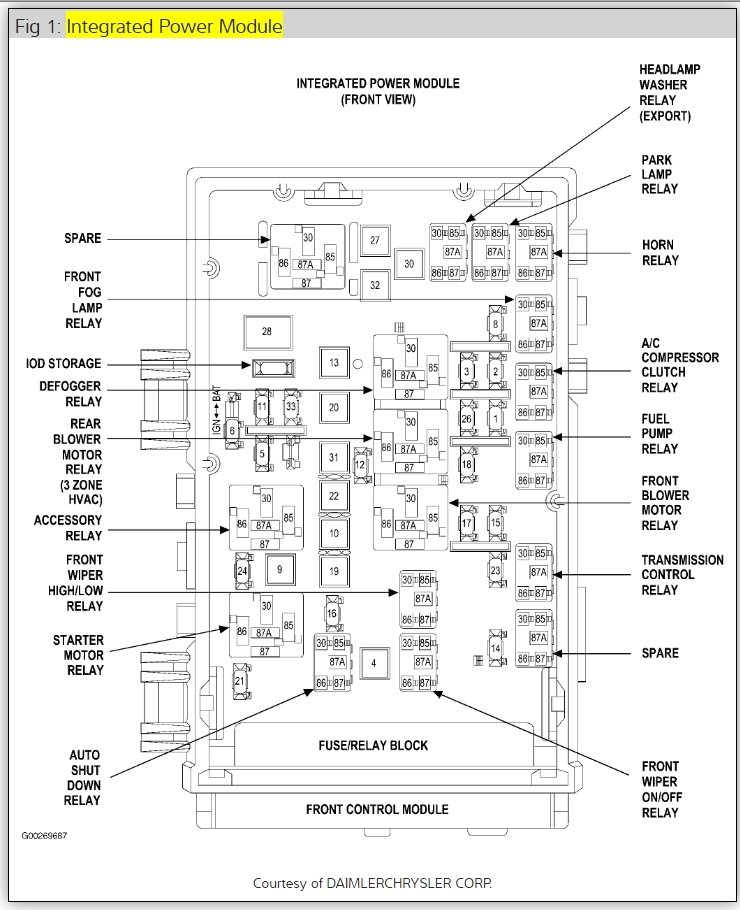
So it does nothing correct? Did you try the self test? Check ASD relay in the integrated power module. Swap it for a known good relay. Power mod is on the left side of the engine bay. Also can be crank sensor signal is lost. This is on the tranny bell housing, you need to remove shift cable to access it. Check out the diagrams (Below). Please let us know what you find.
Was this
answer
helpful?
Yes
No
Saturday, September 19th, 2020 AT 5:48 PM (Merged)
Tiny
BUTCHERBAY
  • MEMBER
  • 2 POSTS
Ran diag check. Eroor code 50f 8.2 or Sof 8.2(not sure) displayed. Swapped ASD and starter relay.
Was this
answer
helpful?
Yes
No
-1
Saturday, September 19th, 2020 AT 5:48 PM (Merged)
Tiny
MERLIN2021
  • MECHANIC
  • 17,250 POSTS
OK thats showing the software version, if it can be driven, get the codes read by a code reader, Autozone reads them for free. Post what they find, but a hit or miss might be the ECT.


https://www.2carpros.com/forum/automotive_pictures/62217_ect_3.jpg

Was this
answer
helpful?
Yes
No
-1
Saturday, September 19th, 2020 AT 5:48 PM (Merged)
Tiny
DON SAMSONITE
  • MEMBER
  • 1 POST
I had this problem the starter relay was bad
Was this
answer
helpful?
Yes
No
-1
Saturday, September 19th, 2020 AT 5:48 PM (Merged)
Tiny
MANDYSHEDD
  • MEMBER
  • 1 POST
  • 2006 DODGE CARAVAN
  • 4 CYL
  • FWD
  • AUTOMATIC
  • 150,000 MILES
I can't find the fuse box. My cigarette lighter outlets are not working.
Was this
answer
helpful?
Yes
No
-1
Saturday, September 19th, 2020 AT 5:48 PM (Merged)
Tiny
WRENCHTECH
  • MECHANIC
  • 20,761 POSTS
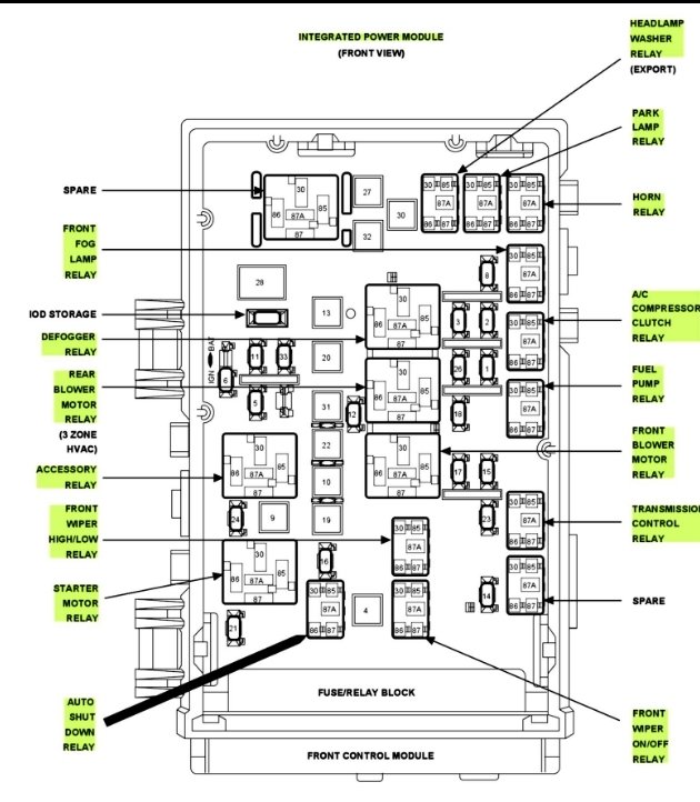
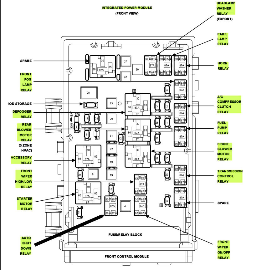
They are powered by fuses 5 and 6 in the under hood fuse box.

https://www.2carpros.com/images/external/133171343.jpg
Was this
answer
helpful?
Yes
No
+4
Saturday, September 19th, 2020 AT 5:48 PM (Merged)
Tiny
CJMURPHY
  • MEMBER
  • 1 POST
  • 2005 DODGE CARAVAN
Electrical problem 6 cyl Two Wheel Drive Automatic 100000 miles

radio and lighter does not work? Replace fuse and radio still didn’t work. The lighter works and the time will come on and then goes off. Is another fuse that can cause problems or a relay or a fusible link?
Was this
answer
helpful?
Yes
No
-1
Saturday, September 19th, 2020 AT 5:49 PM (Merged)
Tiny
KEN L
  • MASTER CERTIFIED MECHANIC
  • 55,469 POSTS
Hello,

Look inside the integrated power module, under the hood. Fuse 5--20amp, also check that the fuse circuit is hot. The lid may have the fuse labels on it. RDO/IP IG

https://www.2carpros.com/articles/how-to-check-a-car-fuse

and

https://www.2carpros.com/articles/how-to-check-an-electrical-relay-and-wiring-control-circuit

Check out the diagrams (Below)

Please let us know if you need anything else to get the problem fixed.

Cheers, Ken
Was this
answer
helpful?
Yes
No
Saturday, September 19th, 2020 AT 5:49 PM (Merged)
Tiny
JROCBABY
  • MEMBER
  • 1 POST
  • 2003 DODGE CARAVAN
Electrical problem 6 cyl Front Wheel Drive Automatic 75000 miles

Where is the fuse box for the radio ect. Found the one under the hood.
Was this
answer
helpful?
Yes
No
Monday, September 21st, 2020 AT 10:21 AM (Merged)
Tiny
KEN L
  • MASTER CERTIFIED MECHANIC
  • 55,469 POSTS
Hi Everyone!

Yes I have found this diagram for you that shows the only fuse panel being under the hood. The radio fuse is number #14 in the right lower comer of the fuse box

Here is the wiring diagram for you so it can help with the repair you can SEE it is #14 in the under hood fuse box.

Let us know if you need anything else, we are here to help at 2CarPros

Best, Ken

check the images below!
Was this
answer
helpful?
Yes
No
-1
Monday, September 21st, 2020 AT 10:21 AM (Merged)
Tiny
BENOIT CORBEIL
  • MEMBER
  • 1 POST
  • 2003 DODGE CARAVAN
  • 3.3L
  • 4 CYL
  • 2WD
  • AUTOMATIC
  • 2,170,000 MILES
J'ai un dodge caravan se 2003 et je cherche la boite à fuse intérieur pas elle qui est dans le hood je cherche les fuse pour les fenà tre.

I have a Caravan dDodge 2003 and I am looking for the box fuse inside her not in the hood I am looking for fuse for the window.
Was this
answer
helpful?
Yes
No
Monday, September 21st, 2020 AT 10:22 AM (Merged)
Tiny
STEVE W.
  • MECHANIC
  • 15,694 POSTS
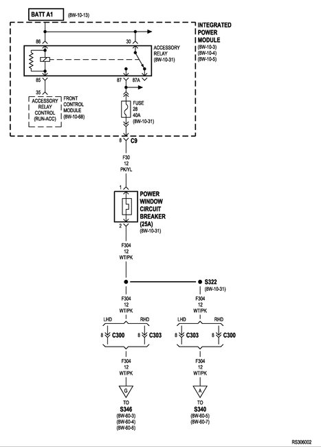
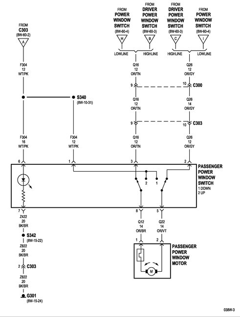
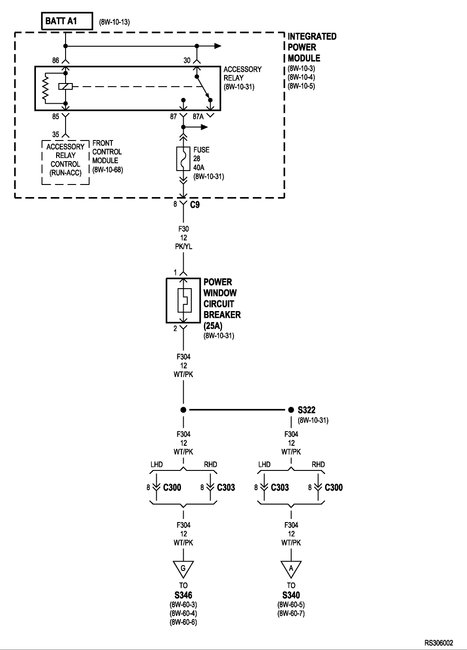
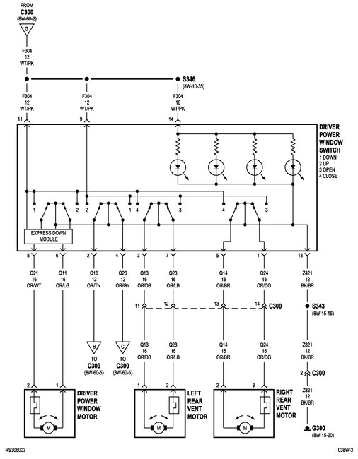
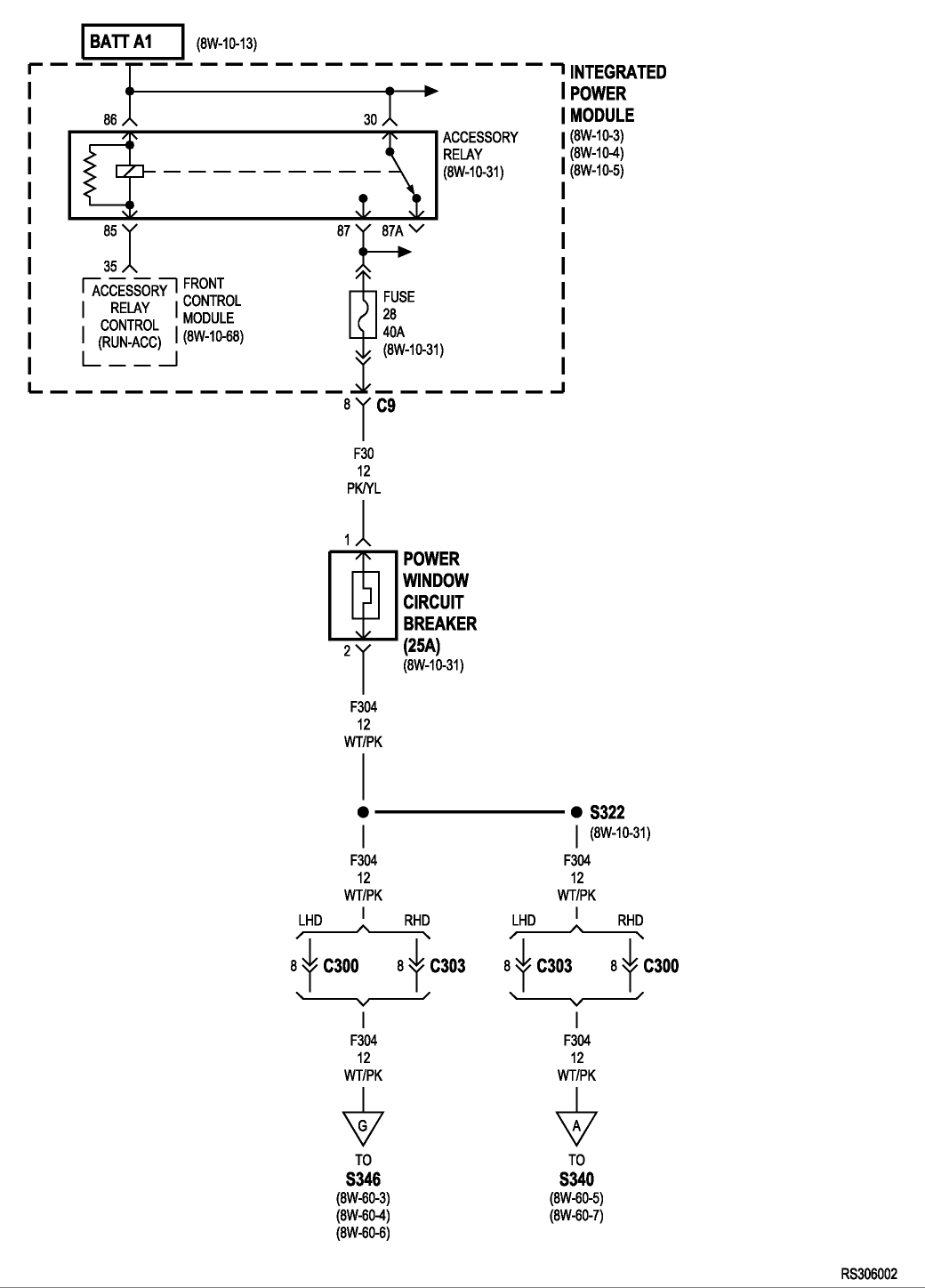
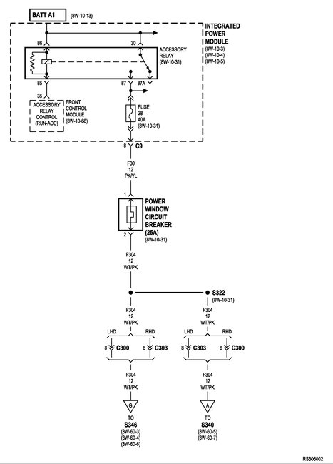
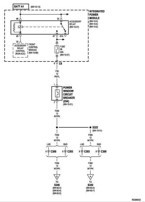
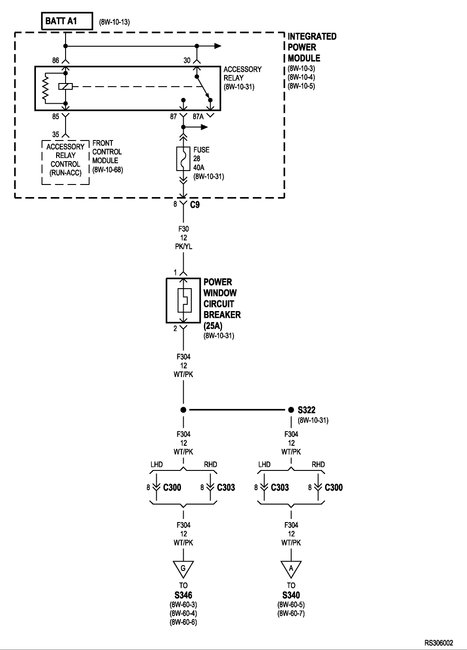
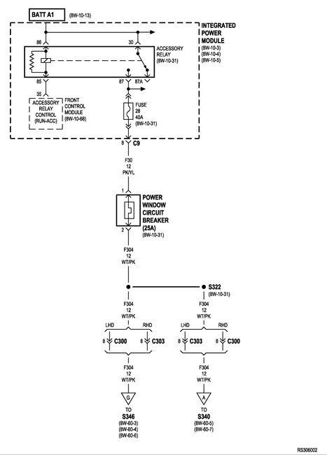
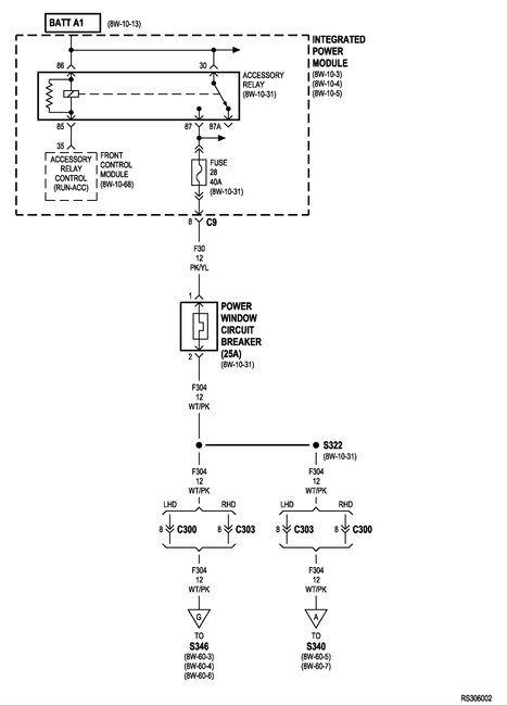
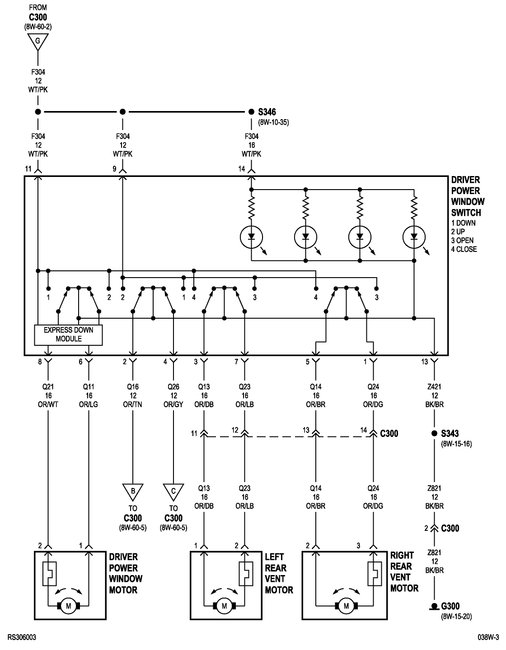
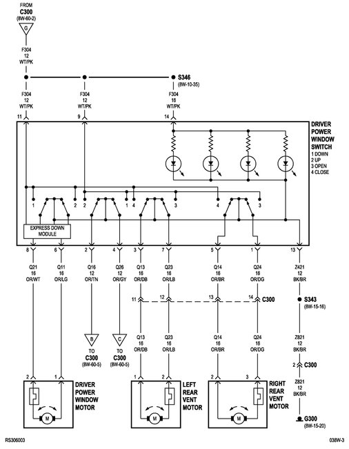
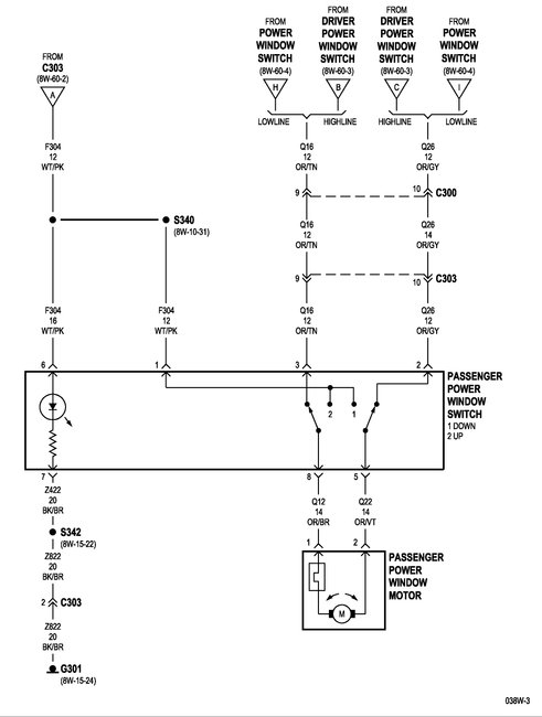
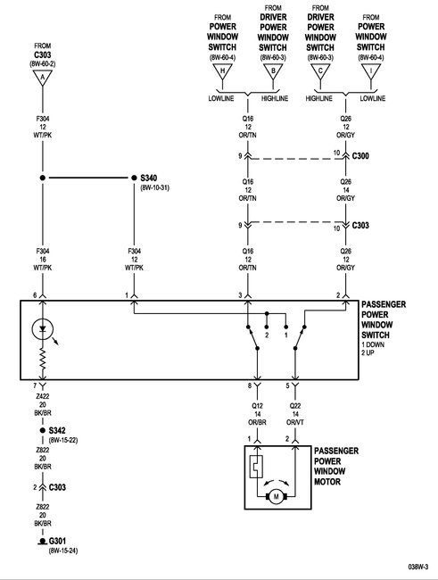
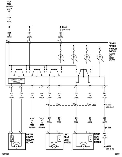
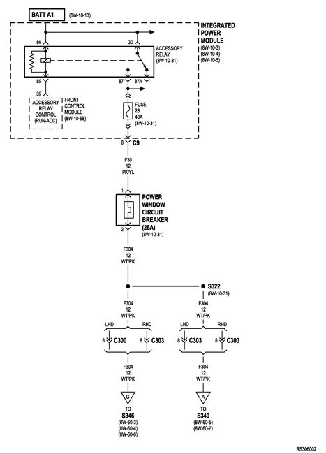
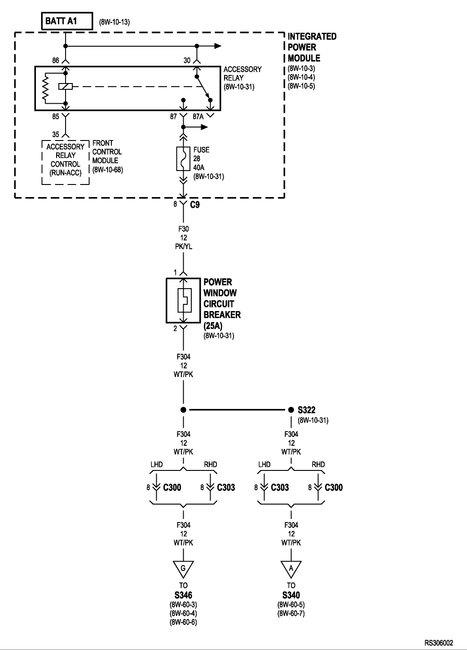
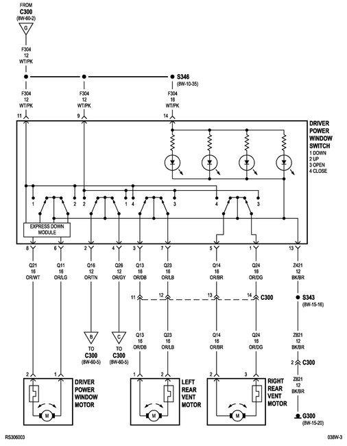
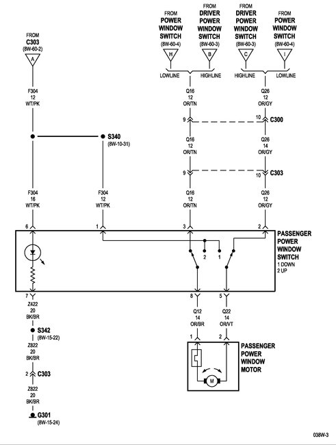
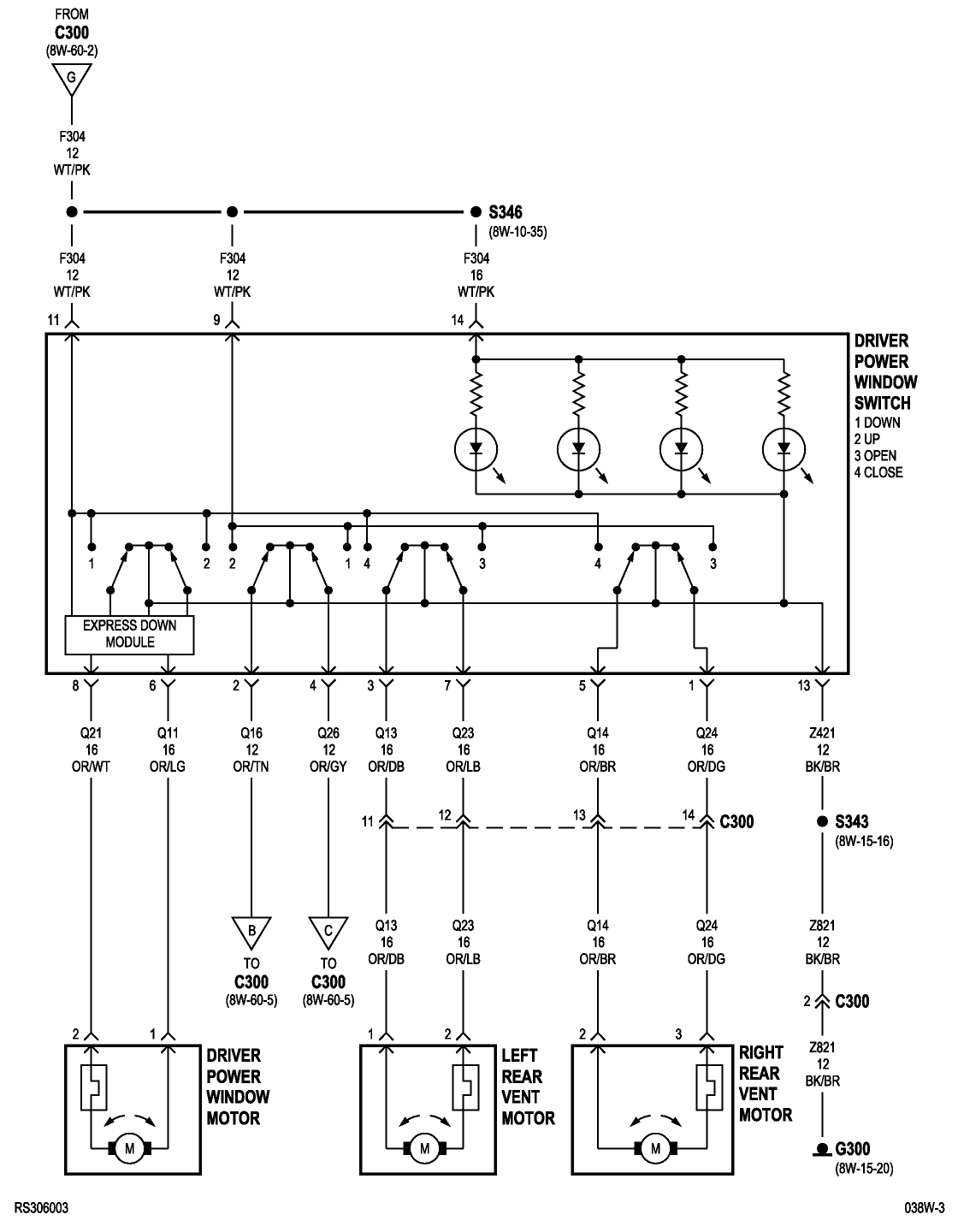
There is a 40 amp fuse in the under hood box #28. That feeds a self resetting 25 amp circuit breaker. Which then feeds the window switches. The main power relay is part of the IPM and not replaceable. The circuit breaker is under the dash near the steering column.
There are no other fuse boxes than the front IPM located under the hood.

Il y a un fusible de 40 amperes dans la boite sous le capot # 28. Cela alimente un disjoncteur a rearmement automatique de 25 amperes. Qui alimente ensuite les commutateurs de fenetre. Le relais d'alimentation principal fait partie de l'IPM et n'est pas remplacable. Le disjoncteur est sous le tableau de bord pres de la colonne de direction.
Il n'y a pas d'autres boites a fusibles que l'IPM avant situe sous le capot.
Was this
answer
helpful?
Yes
No
Monday, September 21st, 2020 AT 10:22 AM (Merged)

Please login or register to post a reply.