Dim Running Lights?

Tiny
ZAWARTKAY
  • MEMBER
  • 2005 FORD E-SERIES VAN
  • 5.4L
  • V8
  • 2WD
  • AUTOMATIC
  • 38,000 MILES
Super Duty Senior Bus. Has many running (marker lamps). Recently they all went dim. The pull switch has been tested using the book for continuity and the connector for the headlight switch was jumpered to test the running lamp circuit.

At a rear bulb socket, a meter shows 5 volts.

A 20' test wire lead was run from the battery, terminal to a marker lamp area to use as a ground to test for voltage at the connector which is 5 volts

That same test lead was connected to the + terminal of the battery to inject 12 volts into the + pin of the marker light harness. All the marker lights lit up brightly. Except for the 2 in front (stock). Those seem to come on with the switch and others all together. (5v, crap)

the b2 terminal of the wire harness for the headlight pull switch is what connects to R pin and a brown wire. An always hot pin. Maybe this side of the circuit collapses under load?
maybe the problem is in the wire loom of this brown wire as it leaves the headlight switch harness and goes up under the steering column?
Maybe the problem is out under the hood with a connection somewhere?

I can perhaps take part of the dash apart and hand over hand this wire?
Saturday, December 30th, 2023 AT 2:42 PM

8 Replies

Tiny
KEN L
  • MASTER CERTIFIED MECHANIC
  • 55,512 POSTS
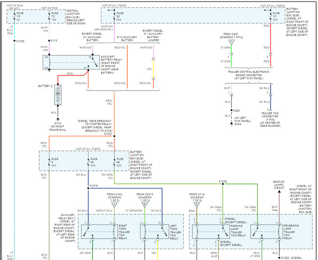
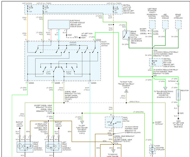
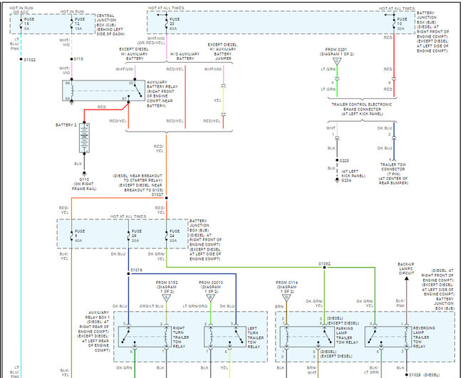
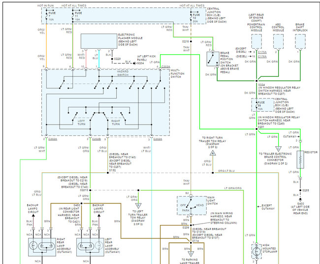
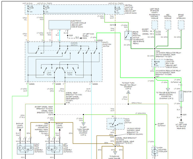
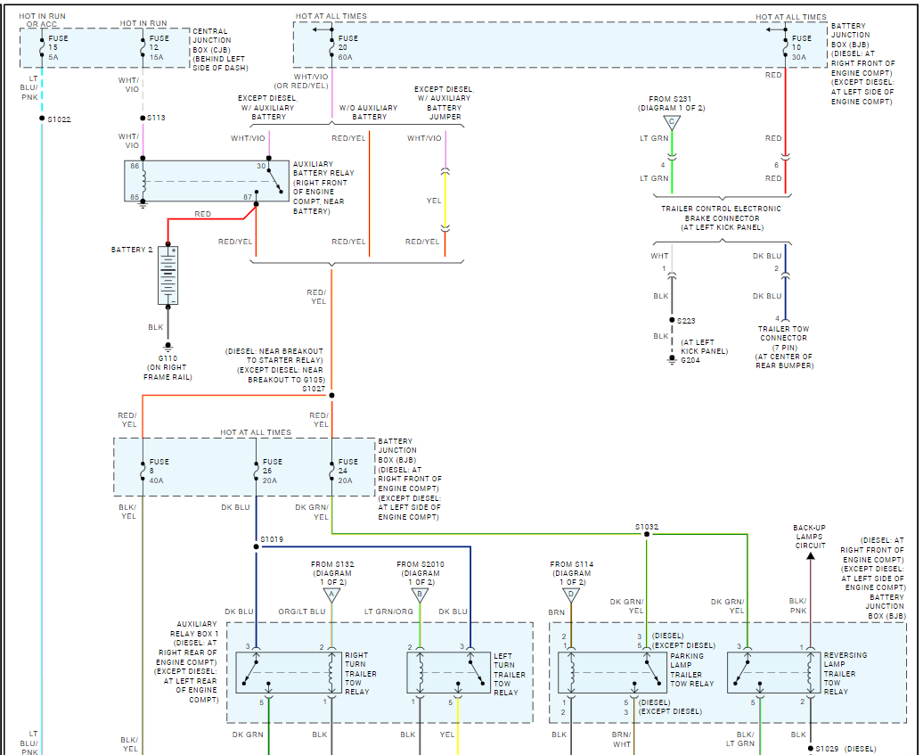
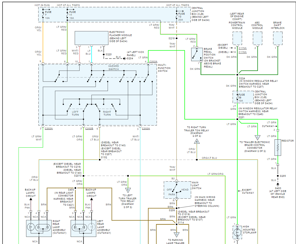
Let's check for 12 volts at the fuse panel, fuse # f2.10 in the central fuse panel behind the left side of the dash which should be hot at all times. Here is a guide to help and the fuse locations as well. Also, here is the running light wiring diagrams so you can see how the system works.

https://www.2carpros.com/articles/how-to-use-a-voltmeter

This guide may help as well:

https://www.2carpros.com/articles/no-tail-lights-exterior-running-lights-tail-lights-out

If you have 12 volts at the fuse let's, check the tan/wht wire at the rear of the headlight switch. Check out the images (below). Please let us know what happens.
Was this
answer
helpful?
Yes
No
Sunday, December 31st, 2023 AT 2:04 PM
Tiny
ZAWARTKAY
  • MEMBER
  • 24 POSTS
B2 has good 12v + and doesn't collapse under load
switch has good continuity to pin R
jumpered the brown ckt 14 goes up into the instrument cluster area. I was tempted to rip that all apart, glad I didn't.
I shifted focus to under the hood.
Connector 219 is accurate and has 12v + with knob pulled. 0 when the switch is off.
Connector 110 does not have a brown wire.
The 2 front marker lights have 12v when knob is pulled but all the roof ones have 5v.
From inside the cab I can see the roof running lights go down the drivers side door jamb area to underneath the vehicle.
I used a bore scope to see the plenum and cable assembly.
I would perhaps tomorrow cut the tape and snake tubing off the harness and see if there's 12v there.
Another thing I can do is unplug all the marker lamps and license plate lamp that are on that part of the circuit. Maybe one of them is causing that parallel circuit to go haywire and do strange things or maybe I have a wire that is pinched somewhere underneath creating high resistance and causing voltage drop on that portion of the circuit.
I went to school for it and remember most of it but cannot remember some of the bizarre things and list of types of readings with how ever many bulbs (16) and open certain places or cross paths and voltages go funky or series paths develop.

If I inject 12v from an extension cord from the battery into that roof market lamp bunch they all light up nice and bright but the 2 front marker lights do not.
Knob pulled and all marker lights on = 5v up top, 12v at the front 2.
Was this
answer
helpful?
Yes
No
Monday, January 1st, 2024 AT 2:29 PM
Tiny
KEN L
  • MASTER CERTIFIED MECHANIC
  • 55,512 POSTS
Yep, you are losing voltage somewhere to the top lights. I would just run a new wire from the light switch to the running lights that are dim. Since the headlight switch is getting 12 volts the problem must be after that.
Was this
answer
helpful?
Yes
No
Tuesday, January 2nd, 2024 AT 9:11 AM
Tiny
ZAWARTKAY
  • MEMBER
  • 24 POSTS
The old me would have ran a new wire. The new me will fix it the right way.

I went inside the cab above the front area and removed the cover which shows the (5) top running lights and fiberglass canopy. E350 bus, remember.
These also only got 5v. Now this is today tuesday.

I decided to work my way back from here. The wire assembly looks like it goes down behind the driver seat in the wall. I used a camera to see in there. I realized it doesnt. It goes back to the taillights area.

I removed the brake light and pulled the connector.
I then decided I need to test voltage here.
5v.
I then removed the side marker lamp thats nearby and decided I may have to start plucking all of these lights and see if the voltage is any different unloaded.
To my surprise I now got 12v at the marker light and the brake light running pin.
I am in shock and disbelief as I may have tugged on some wires but tugging again did not do anything.

I traced this cable down in the corner where it goes underneath the vehicle.
I am at the drivers side rear corner doing this stuff.

I cut open the snake tube and electrical tape to expose the wires. 100% this is the brown wire and it has a connector.
There is also something I noticed and that is that the white wire which is a ground for all these marker light connectors goes to an eyelet and bolt on the frame that looks extremely corroded. Keep in mind though I did not jostle or jiggle this part in any way, it was when I was up near the brake light that the problem mysteriously went away.
When some of the testing was performed on these side and rooftop marker lights this ground was probed and also not probed as I used an extension cord ran to the battery - as a test point. This way I know my +12 volts I am looking for is not being referenced to a bad ground. And my 5 volts is because the problem is in the + of the circuit.
I hope I am correct in these assertions and I may redo that ground connection just to be sure, but my brain doesnt want to have to do it if its irrelevant and it only appears corroded.

Anyhow this brown wire at the connector in the corner under the vehicle becomes a brown wire with a white stripe, its cable assembly goes all the way along the frame rail to the front of the vehicle where it goes into connector 110. Pin 7. Bn/wh, ckt 962

this is on the list of pins for that connector and I can now see that the other end of that connector which comes from the engine compartment is an unknown color or origin at this point till I can dig more tomorrow, but I will say it looks like according to the diagram this is not a direct brown wire junction, it is coming from one of the tow parking lamp relays in the fusebox.

This would explain why when energizing the roof and taillights with 12v directly they all came on but the front stock parking lights near the grille did not. This is because they are not fed off the main brown wire ckt 14. That wire powers the front parking lights and it also powers the instrument cluster for something and it ALSO powers a relay. This relay when energized powers the bn/wh wire for connector 110 and goes all the way back to the corner for all that stuff.
Was this
answer
helpful?
Yes
No
Tuesday, January 2nd, 2024 AT 2:18 PM
Tiny
ZAWARTKAY
  • MEMBER
  • 24 POSTS
I'll need to get one of those fuse holders that has the contact extensions for troubleshooting. But being that this issue is not currently acting up and could be called intermittent I cannot look for 5v at one point and 12v at another like I thought it may boil down to between this fuse, relay, and connector 110 underneath the vehicle.

I did identify what pins are what and something I noticed is that the blades on the fuse are corroded more than what would be satisfactory or normal with electrical connections. If this was acting like a resistor then it would make sense that it'll drop voltage to that entire set of branches when loaded up.

Taking a very close look at this fuse on both sides and then comparing a before and after giving it some tlc with a hand file gently I applied some ChapStick to the blades and stuck it back in. The relay itself clicks when the knob is pulled. There could always still be worn contacts inside the relay or a weak mechanical connection somehow or still corrosion in the connector or one of the pins for the wires underneath the fuse box but I am going to say for now this has been knocked out, will keep an eye on it and right now call it good.

I have read some other people have had problems with fuses as well. And there is also a difference between cheap fuses and buss brand name ones. Weberauto gets into it pretty Indepth on YouTube.

This could have been glossed over if I was just casually checking that the fuse is there and didnt actually look at it closeup. And one thing for sure is that in these schematics for the book the answer I may be looking for is only on one particular page. It'll get referenced from another page or by the sounds of it a "trailer tow relay" is not something that sounds relevant, just an add on, turns out, that's the circuit.
Was this
answer
helpful?
Yes
No
Wednesday, January 3rd, 2024 AT 11:48 AM
Tiny
ZAWARTKAY
  • MEMBER
  • 24 POSTS
Well, the problem has returned. I went out to the parking lot, started it up, pulled the knob, was happy with how everything is shining nice and bright and then 10 minutes later while driving I looked in the mirror and could see one of the bulbs are dim. I got out and looked at all the bulbs, very dim, except the 2 front runners, those were bright.

I can now go underneath the vehicle and start taking readings from the connector underneath in the rear as well as the connector underneath near the engine bay, and I can test. Well, thats the thing is I think it would be wise for me to buy one of these kits to test the relay as its in the vehicle. For the other stuff I have the wire piercing probes and backprobes for connectors.

I have a very serious question as this is starting to rack my brain. The ground connection to the frame that IS for this and has a white wire and eyelet and bolt. It looks corroded. But if I already ran an extension cord from the - post of the battery and used that as my reference point to take a voltage reading then that cant be the issue right?

My contention is there is a weak connection somewhere in the hot wire of that circuit and I now know all the areas to probe as long as its still acting up. This intermittent bs makes it hard to do.

Im also thinking of getting a relay tester that applies a 7 amp load and will test relays. Even brand new relays need to be tested. The one to have is the "super 195" relay buddy. Thats the only one that load tests. All the others just click it on and off ten times and tell you its good.

Theres a whole lot of shapes and sizes of relays out there and I want somewhat of a universal kit.

And im also looking at getting a "load pro", which puts a half amp load on a wire and hooks up to any multimeter. You press the button and observe voltage drop if theres a weak connection, or not if the circuit is healthy. Some folks are also making their own load testers with headlight bulbs and such, sortof like a test light on steroids.

This to me all sounds like money well spent. I may not buy it all at once, just one or two tools, as I can afford to gradually. But definitely the relay adapters. Most people would be out doing stupid things like buying headlight switches or buying relays and assuming.

I will be very surprised to hear back from anybody as I type a lot and nobody likes to read.
Was this
answer
helpful?
Yes
No
Saturday, January 6th, 2024 AT 5:27 PM
Tiny
KEN L
  • MASTER CERTIFIED MECHANIC
  • 55,512 POSTS
Sorry for the delay, please follow the wiring diagrams above and see where you lose voltage and fix it, it is a simple 12-volt circuit. Do you have 12 volts on the outlet lug of the switch (brown wire)?
Was this
answer
helpful?
Yes
No
Sunday, January 7th, 2024 AT 10:08 AM
Tiny
ZAWARTKAY
  • MEMBER
  • 24 POSTS
What? I already said my instrument cluster and 2 front running lights are powered by the brown wire from the pull switch and that same brown wire energizes a relay which energizes a brown and white wire which is the hot leg for all my rooftop and taillights etc. I will be focusing my efforts on that as well as the relay, and it turns out I have enough connectors, wires, terminals, and switches to make a test harness for the relay and perhaps bypass the relay with a jumper and see if anything changes.
Was this
answer
helpful?
Yes
No
Sunday, January 7th, 2024 AT 2:41 PM

Please login or register to post a reply.