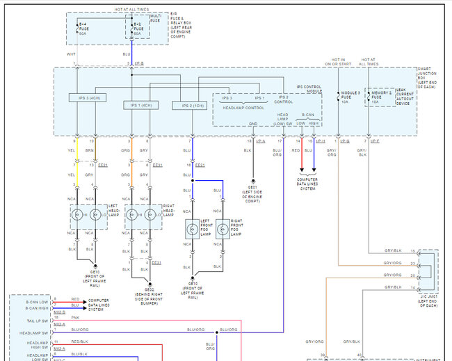
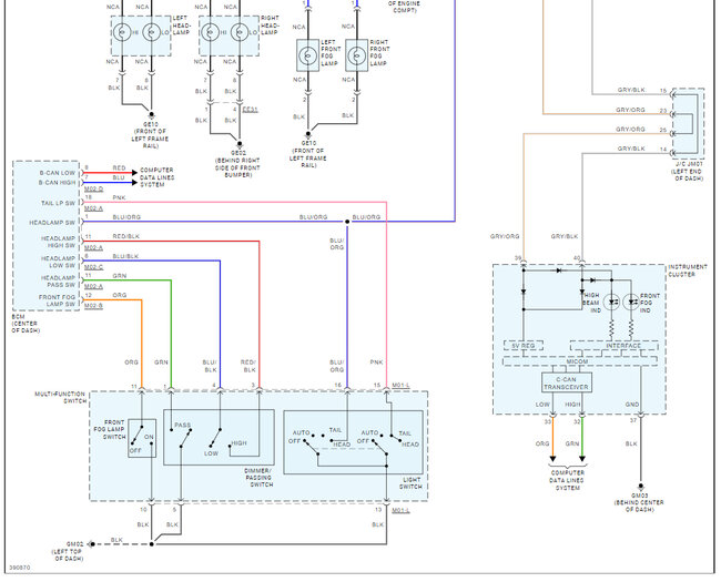
Saturday, February 10th, 2024 AT 5:22 AM
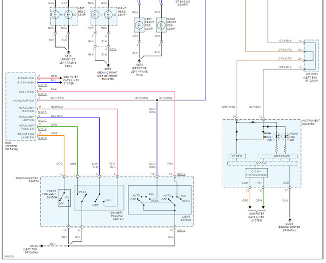
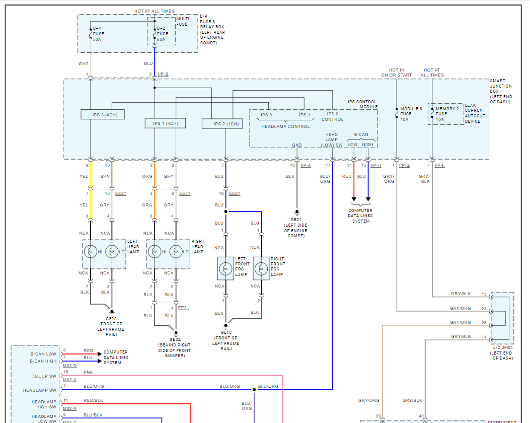
Low beams are very dim, almost to the point where you can't tell they are on. Bulbs have been replaced with no change. The fog lamps are brighter than the headlights. Lenses of headlamps don't appear to have any oxidation or yellowing.




